时间:2010-10-21 16:32
人气:
作者:admin
本文介绍了CC2540F128/256主要特性,方框图,应用电路图和外接元件表,以及CC2540EM参考设计电路图和材料清单(BOM)。
TI 公司的CC2540F128/256是2.4GHz单片低功耗蓝牙系统级芯片,集成了带增强性能的工业标准8051 MCU的RF收发器,在系统可编程的闪存,8KB RAM,以及其它特性和外设。主要用于消费类电子,医疗设备,手机配件,运动和休闲设备以及人机接口设备等。
CC2540F128/256主要特性:

图1。CC2540F128/256方框图
图2。CC2540应用电路图
应用电路图外接元件表(不包括电源去耦电源):

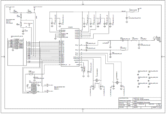
CC2540EM参考设计
The CC2540EM reference design contains schematics and layout files for the CC2540EM module. The reference design demonstrates good techniques for CC2540 decoupling and RF layout. For optimum RF performance, the reference design should be copied accurately. This is a 4-layer reference design with an SMA antenna connector for RF output matched to 50 ohm.
图3。CC2540EM参考设计电路图
下一篇:无线路由器以及ARP攻击内容分析