时间:2010-10-24 11:50
人气:
作者:admin
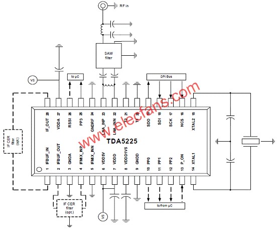
Infineon 公司的SmartLEWISTM RX+TDA5225是具有增强灵敏度的多协议无线接收器.这种低功耗ASK/FSK接收器工作频带为300-320, 425-450,863-870 和902-928 MHz,电源电压3.0-3.6 V或 4.5-5.5 V时符合汽车质量标准,工作温度在-40 和+105℃之间. TDA5225集成了分辨率为10.5 Hz的21位Sigma-Delta分数N PLL合成器.主要用于汽车的遥控无键盘进入系统,胎压监视,短程无线数据发送,遥控单元,无绳告警系统和遥控读表.本文介绍了TDA5225主要特性, 功能方框图以及包括RF部分, 单路/双路下变换框图, SK/FSK解调器和电源在内的部分功能方框图, 典型应用框图, 评估板v1.0电路图, 元件布局图和评估板材料清单.
SmartLEWISTM RX+TDA5225 Enhanced Sensitivity Multi-Channel Quad-Configuration Receiver with Digital Slicer
The IC is a low power ASK/FSK Receiver for the frequency bands 300-320, 425-450,863-870 and 902-928 MHz. The chip offers a very high level of integration and needs only a few external components.
The device is qualified to automotive quality standards and operates between -40 and +105℃ at supply voltage ranges of 3.0-3.6 Volts or 4.5-5.5 Volts.
The receiver is realized as a double down conversion super-heterodyne/low-IF architecture each with image rejection. A fully integrated Sigma-Delta Fractional-N PLL Synthesizer allows for high-resolution frequency generation and uses a crystal oscillator as the reference. The on-chip temperature sensor may be utilized for temperature drift compensation via the crystal oscillator.
The high performance down converter is the key element for the exceptional sensitivity performance of the device which take it close to the theoretical top-performance limits.It demodulates the received ASK or FSK data stream independently which can then be accessed via separate pins. The RSSI output signal is converted to the digital domain with an ADC. All these signals are accessible via the 4-wire SPI interface bus. Up to 4 pre-configured telegram parameters can be stored into the device offering independent pre-processing of the received data to an extent not available till now. The down converter can be also configured in single-conversion mode at moderately reduced selectivity performance but at the advantage of omitting the IF ceramic filter.
TDA5225主要特性:
• Enhanced sensitivity receiver
• Multi-band/Multi-Channel (300-320, 425-450, 863-870 and 902-928 MHz)
• One crystal frequency for all supported frequency bands
• 21-bit Sigma-Delta Fractional-N PLL synthesizer with high resolution of 10.5 Hz
• Up to 4 parallel parameter sets for autonomous scanning and receiving from different sources
• Up to 12 different frequency channels are supported with 10.5 Hz resolution each
• Ultrafast Wake-up on RSSI
• Selectable IF filter bandwidth and optional external filters possible
• Double down conversion image reject mixer
• ASK and FSK capability
• Automatic Frequency Control (AFC) for carrier frequency offset compensation
• NRZ data processing capability
• Sliced data output
• RSSI peak detectors
• Wake-up generator and polling timer unit
• Unique 32-bit serial number
• On-chip temperature sensor
• Integrated timer usable for external watch unit
• Integrated 4-wire SPI interface bus
• Supply voltage range 3.0 Volts to 3.6 Volts or 4.5 Volts to 5.5 Volts
• Operating temperature range -40 to +105℃
• ESD protection +/- 2 kV on all pins
• Package PG-TSSOP-28
TDA5225应用:
• Remote keyless entry systems
• Remote start applications
• Tire pressure monitoring
• Short range radio data transmission
• Remote control units
• Cordless alarm systems
• Remote metering




