MAX9242/MAX9244/MAX9246/MAX9254能把三路LVDS串行数据输入转换成21路单端LVCMOS/ LVTTL输出.单端数据和
时钟输出可
编程±2%, ±4%或没有扩展频谱,以降低EMI.而扩展频谱能工作在
DC平衡模式(16MHz-34MHz)或非DC平衡模式(20MHz-40MHz),广泛用在
汽车电子导航系统.DVD娱乐系统以及数字复印机和激光打印机.本文介绍了MAX9242/MAX9244/MAX9246/MAX9254的主要特性, 功能方框图,
AC耦合与DC平衡模式方框图, DC耦合与非DC平衡模式方框图,以及MAX9209/MAX9244评估板的主要特性, 所用元件列表与评估板电路图.
The MAX9242/MAX9244/MAX9246/MAX9254 deserialize three LVDS serial-data inputs into 21 single-ended LVCMOS/ LVTTL outputs. A separa
te parallel-rate LVDS clock provides the
timing f
or deserialization. The MAX9242/ MAX9244/MAX9246/MAX9254 feature spre
ad-spectrum capability, allowing the output data and clock frequency to spread over a specified range to reduce EMI. The single- ended data and clock outputs are prog
rammable for a frequency spread of ±2%, ±4%, or no spread. The spread-spectrum function is also av
ailable when the MAX9242/MAX9244/MAX9246/MAX9254 operate in non- DC-balanced mode. The modulation rate of the spread is 32kHz for a 33MHz LVDS clock input and scales
linearly with frequency. The single-ended outputs have a separate supply, allowing +1.8V to +5V output
logic levels.
The MAX9254 features high output drive current for both data and clock outputs for faster transition times in the presence of heavy capacitive loads.
The MAX9242/MAX9244/MAX9246/MAX9254 feature program- mable DC balance, allowing isolation between a serializer and deserializer using AC-coupling. The MAX9242/MAX9244/MAX9246/MAX9254 operate with the MAX9209/MAX9213 serialize
rs and are available with a rising-edge strobe (MAX9242) or falling-edge strobe (MAX9244/MAX9246/MAX9254). The LVDS inputs meet ISO 10605
ESD specif
ications with ±30kV Air-Gap Discharge and ±6kV Contact Discharge ratings.
MAX9244主要特性:
Programmable ±4%, ±2%, or OFF Spread-Spectrum Output for Reduced EMI
Programmable DC-Balanced or Non-DC-Balanced Modes
DC Balance Allows AC-Coupling for Wider Input Common-Mode Voltage Range
Spread Spectrum Operates in DC-Balanced or Non-DC-Balanced Mode
High Output Drive (MAX9254)
π / 4 Deskew by Oversampling (MAX9242/MAX9244/MAX9254)
16MHz-to-34MHz (DC-Balanced) and 20MHz-to- 40MHz (Non-DC-Balanced) Operation (MAX9242/MAX9244/MAX9254)
6MHz-to-18MHz (DC-Balanced) and 8MHz-to-20MHz (Non-DC-Balanced) Operation (MAX9246)
Rising-Edge (MAX9242) or Falling-Edge (MAX9244/MAX9246/MAX9254) Output Strobe
High-Imp
edance Outputs when PWRDWN is Low Allow Output Busing
Separate Output Supply Allows Interface to +1.8V, +2.5V, +3.3V, and +5V Logic
LVDS Inputs Meet ISO 10605 ESD Protection at ±30kV Air-Gap Discharge and ±6kV Contact Discharge
LVDS Inputs Meet IEC 61000-4-2 Level 4 ESD Protection at ±15kV Air-Gap Discharge and ±8kV Contact Discharge
LVDS Inputs Conform to ANSI TIA/EIA-644 Standard
+3.3V Main Power Supply
MAX9244应用:
Automotive Navigation Systems
Automotive DVD Entertainment Systems
Digital Co
piers
Laser Printers

图1.MAX9244功能方框图

图2.每链接两个
电容,AC耦合,DC平衡模式方框图

图3.DC耦合链接,非DC平衡模式方框图

图4.每链接4个电容,AC耦合,DC平衡模式框图
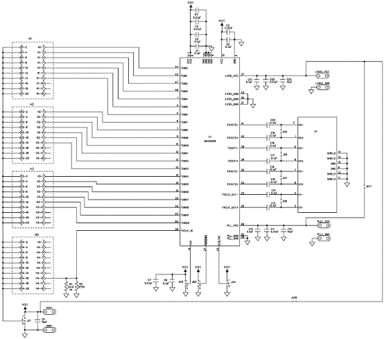
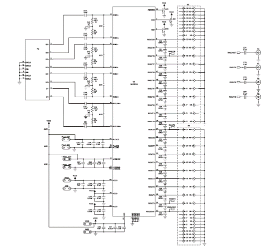
MAX9209/MAX9244评估板
The MAX9209/MAX9244 evaluation kit (EV kit) provides a proven design to evaluate the MAX9209 21-bit programmable DC-balanced serializer and the MAX9244 21-bit deserializer with programmable spread spectrum and DC balance. The MAX9209 serializes 21 bits of LVCMOS/LVTTL parallel input data to three LVDS outputs.
The MAX9244 deserializes the three LVDS input data from the MAX9209 and transforms it back to 21-bit LVCMOS/LVTTL parallel data.
The MAX9209/MAX9244 EV kit circuits are implemented on a single
PCB and come with a MAX9209EUM+ and a MAX9244EUM+ installed.
MAX9209/MAX9244评估板主要特性:
_21-Bit Parallel LVCMOS/LVTTL Interface
_8-Conductor Connector with Custom Cable
_Independent Evaluation of the MAX9209/MAX9244 Serializer/Deserializer (SerDes)
_Lead-Free and RoHS Compliant
_Proven PCB Layout
_Fully Assembled and Tested
所用元件列表:


图5.MAX9209/MAX9244评估板电路图(1)

图6.MAX9209/MAX9244评估板电路图(2)