时间:2010-05-13 10:52
人气:
作者:admin
被动门禁系统的RF设计注意事项
被动门禁 (Passive Entry, PE)系统在汽车舒适度和安全性方面正在引领一个新的发展趋势。就完全性而言,遥控无匙门禁(Remote Keyless Entry, RKE)系统是交互式的,即用户必须按下钥匙才能打开车门;而被动门禁系统则是被动式的,也就是说,它们无需用户做出任何交互式动作就可以打开车门。当用户准备进入车辆时,通过拉门柄的动作触发PE系统发射低频Low frequency, LF)信号。几毫秒内密钥卡接收到LF信号,并对接收到的数据包进行加密,然后经由射频(RF)信道把加密信号发送给车辆作确认。
被动门禁系统还可以包含一个被动式引擎发动功能,即被动门禁启动(Passive Entry Go, PEG)。只要系统确认密钥卡在车辆里面,则驾驶员一坐上驾驶席就会触发LF电路。在验证确认并且完成位置测量之后,只需按下启动键就可以发动引擎。
这两种情况都是通过密钥卡来接收纯文本数据,并利用功能强大的硬件加密模块(如AES-28模块)对之进行加密,然后再把加密数据返回给车辆以做验证。
PE密钥卡采用小型锂电池,为数据接收、加密及传输提供电源。被动门禁系统中的密钥卡经专门设计来确保尽可能长的电池寿命。如果电池快将用完,密钥卡就会进入一个紧急模式,通过LF线圈获得足够的磁场能量来实现无电池工作。这时需要把密钥卡放置在车门线圈附近的位置。在这种情况下,系统只会通过LF信道进行通信。
典型的PE系统
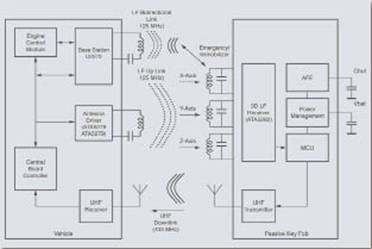
一个典型的PE系统是由汽车车内部分和一个密钥卡子系统组成,这两者作为通信对等点,建立有两条通信链路:(1) LF上行链路:车辆到密钥卡,(2) 超高频(UHF)下行链路:密钥卡到车辆 (见图1)。
图1 被动门禁系统的模块示意图
车内部分
当用户拉动汽车门柄时,车辆中的天线驱动器便会产生LF场。这种变化激活中央仪表板的控制器,请求密钥卡启动LF通信。通常每扇车门内都安装有LF天线线圈,由天线驱动器单元驱动 (一个天线驱动器单元可以驱动多个天线线圈,比如,ATA5279就能够驱动多达6个不同的天线线圈)。系统采用一个UHF接收器模块来接收从密钥卡发出的RF数据,以支持RF链路。接收到的数据经加密后再被发送回仪表板控制器,然后通过软件进行解密(AES-128)。
密钥卡
在任何PE系统中,密钥卡都必须能够测量LF信号在三个正交轴(X、Y和Z方向)上的强度,并能利用UHF发射器,通过RF信道把这一信息发回给车辆,以确定密钥卡的位置。这种信号强度信息 (也被称为远程信号强度指示器,即RSSI) 由与3D LF接收器相连接的三个正交天线线圈收集。任何数字数据,比如唤醒数据模式(前导码,ID)、系统命令或作为协议载荷的纯文本数据口令,将会被接收并传送给密钥卡中的微控制器(MCU)处理(返回信息包,加密)。为了节能,LF接收器带有一个专用的控制逻辑,能够以极低功耗来分析和检测唤醒信号,故无需全面唤醒整个系统,这样可以大大延长密钥卡的电池寿命。密钥卡数据流量的进出可通过一个小型8位超低功耗MCU(如ATtiny44)来控制。接收到的数据可以通过软件进行加密,也可以通过带有功能强大的加密功能的硬件加密模块(如AES-128)进行加密。为提高安全性,一个加密机制会同时用在硬件内部和嵌入在MCU上。加密后的数据被传送到UHF发射器,并以很高的波特率向车辆发射。
在电池完全耗尽的情况下,发射应答器可以作为一个无电池的无源设备进行工作,这时被称为紧急模式工作。在此模式下,正交线圈中只有一个与LF磁场耦合,从中获得足够的能量,并以电荷的形式存储在外部电容器里。发射应答器通过LF链路与基站通信来打开车门,并被用作一个防盗锁止装置,可阻止发动引擎(参见图1,其中X轴线圈相当于一个3D LF接收器线圈和一个紧急/防盗锁止收发器天线)。模拟前端(AFE)模块被用于LF通信,而功率管理(PM)模块用来管理场电源,即存储在外部电容器Cbuf上的电荷。在紧急模式下,RSSI测量、3D LF数据接收和RF发射都被禁用。
表1:PE系统密钥卡的基本参数

图2 3D LF接收器的唤醒
图3 RSSI定位测量
接收LF信号
载波频率为125kHz左右的低频场可以有以下作用:(1) 低波特率发射数据的数据通信链路;(2) 计算3个轴向上RSSI值定位信息的媒介;(3) 短距发射电能的无接触式电磁媒介。不过,每一类应用及其发射质量都与发射器和接收器天线的耦合程度密切相关。这种耦合程度又取决于众多物理参数和电气参数,比如天线电感、电阻、线圈之间的距离、谐振调谐程度等等因素。耦合因子越大,通信链路越强大(亦即从线圈传输到线圈的能量增加)。
发射器线圈天线发射的LF电磁波信号沿着磁场强度最大的方向角传播,并随着远离中心而逐渐衰减。要获得最佳天线耦合性能,发射器必须直接面向接收器天线。通过采用三个按X、Y和Z轴向正交放置的接收器天线,单个发射器天线的方向性问题就得以解决。反之,多个正交放置的接收器天线可以接收到来自不同天线线圈的任何方向的信号。
图4 RSSI分辨率
被动门禁系统中的RF通信
爱特梅尔提供广泛的UHF IC,这些芯片专为ISM频率范围上的单向或双向通信而设计,适用于汽车门禁系统等车载应用。如用于单向通信的 T5750/53/54、ATA5756/57发射器系列和 ATA5723/24/28、ATA5745/46接收器系列。至于双向通信,则有收发器系列ATA5811/12和ATA5823/24。表1总结了设计被动门禁系统时必须考虑的RF事项。
表2:不同类型天线的优缺点比较
RF设计中讨论最多的是可接收距离,当然还有系统可靠性。一般而言,一个RF系统包含一个发射器模块(本例中即为密钥卡)和一个接收器模块。要设计出最好的解决方案,必须考虑到发射功率和灵敏度这两个主要参数。例如,爱特梅尔的收发器IC ATA5824就能够提供 典型值达-109 dBm 的出色频移键控(Frequency Shift Keying, FSK)灵敏度(在2.4kBps的数据速率下)和典型值达10dBm 的发射功率,这有助于汽车门禁系统实现十分理想的覆盖距离。
图5 车辆天线2D辐射模式实例
天线性能
要获得一个最佳系统链路成本预算和尽可能大的覆盖距离,除了发射功率和灵敏度等RF参数之外,天线的性能也是至关重要的。在大多数情况下,天线设计必须在可用空间和天线尺寸之间进行权衡折衷。鉴于此,密钥卡中往往不能实现最佳天线形状,而更常采用小型环形天线。环形天线是一种磁性天线,在密钥卡应用中,这类天线比鞭形(whip)天线更有用,因为环形天线对人体接触不太敏感。不过,有些应用因为发射距离长,故可能需要高效天线,这时,(折叠式)鞭形天线也许是很适合的密钥卡解决方案。有些天线制造商提供芯片式天线,相比印制式天线,其品质因数(Q因子)和增益都更高。如果系统的成本不是关键因素的话,这也是一种很好的解决方案。在车辆中,天线的尺寸并不算相当重要,有的汽车把天线放在车窗上(比如后车窗),但最流行的解决方案是放置在接收模块的PCB上的印制式天线。表2总结了这两类天线的优点和缺点。
图6 密钥卡天线2D辐射模式实例
接地噪声反射
在实际生活中,由于反射和衰退效应,环境影响着系统链路预算的衰减。在定义系统的链路预算时,必须把这些因素考虑在内。下面通过一个计算例子来说明接地噪声(接地反弹)反射对可接收距离的影响:
举例:
• 接收器灵敏度:典型值
-109dBm,433.92MHz
• 发射功率:典型值10dBm
• 发射器天线增益:-18dB (接近小尺寸环形天线的性能)
• 本例中假设接收器的天线增益为-6dB
如果接地噪声反射可以忽略,按照自由空间方程,可计算出距离大约为3km。然而本例考虑到了接地噪声反射,典型可接收距离降至300m。当然,实际中接地噪声反射远比本例的更为复杂。图7显示了反射效应是如何影响车辆天线的接收功率的。红色曲线代表自由空间条件下的理想情况,而蓝色曲线代表有人慢慢走近汽车时的行为。
图7 反射效应对868MHz下系统接收信号功率的影响
阻断性能
RF系统总是会受到环境干扰的;而汽车内部存在大量的噪声和干扰,情况便比较明显。爱特梅尔的汽车门禁器件具有出色的阻断性能,可为这类应用提供最佳解决方案。图8例示了ATA5824在433.92MHz时的3dB阻断曲线。不过,在有些情况下,这种阻断要求远不是集成电路能够满足的。为了满足这类扩展性的应用要求,这时可以借助一个外部前端表面声波(SAW)滤波器来提高阻断性能。
图8 ATA5824在433.92 MHz下的宽带3dB阻断特性
中频滤波器带宽
系统定义中另一个重要指标是中频(intermediate frequency, IF)滤波器带宽。关于这个参数,必须充分考虑到所有的系统频率容差。接收器和发射器的晶振容差和晶振都必须特别仔细地规定,以使最差情况下也仍然能够接收到IF滤波器带宽内的发射器频谱信号。对于极窄IF带宽的系统,还必须考虑到数据速率和调制类型(容差除外)。
耗电量
耗电量始终是汽车门禁系统的一个主要问题,特别是在密钥卡模块中。现在对电池寿命的一般要求为7年左右。即使车辆对耗电量的要求似乎没有这么严苛,但是因为汽车内部电子模块的数量正在不断攀升,所以低功耗解决方案也是必须的。爱特梅尔的UHF器件就是专门为满足这类低功耗要求而设计。
下面是爱特梅尔 IC的耗电量示例:
• 透明(Transparent)接收器IC ATA5745:工作模式下为6.5 mA(典型值)
• 接收器IC ATA5724:工作模式下为8mA(典型值)
• 发射器IC T5754:7.5dBm功率下为9mA(典型值)
• 收发器 IC ATA5824:接收和发射模式下都为10.5mA (典型值)(P=5dBm)
此外,还有一些方法可用来进一步降低平均耗电量。例如通过提高数据传输速率使发射时间变得更短,从而减低电流消耗。在降低发射器的平均耗电量方面,开/关键控(On/Off Keying, OOK)调制比频移键控(FSK)更有利。而降低接收器耗电量的最好方法是在睡眠和工作模式之间进行切换,以使整个电路保持有效信号进入时的工作状态。为此,大多数爱特梅尔的接收器和发射器 IC都带有轮询模式。
下一篇:车载设备GPS的发展前景