时间:2010-05-19 08:32
人气:
作者:admin
基于MAX19994A设计的双路RF下变换方案
Maxim公司的MAX19994A是双路RF下变换器,RF范围从1200MHz到2000MHz,LO范围从1450MHz 到 2050MHz,IF范围从50MHz到500MHz,典型的转换增益为8.4dB,典型的噪音为9.8dB,输入IP3典型值为+25dBm,输入1dB压缩点为+14dBm,单电源5.0V 或3.3V工作,主要用在WCDMA/LTE,TD-SCDMA,GSM/EDGE和cdma2000M 无线基站,无线本地回路(WLL),固定宽带无线接入,私人移动电台和军用系统.本文介绍MAX19994A主要特性,功能方框图,以及典型应用电路图和所用元件表.
The MAX19994A dual-channel downconverter is designed to provide 8.4dB of conversion gain, +25dBm input IP3, +14dBm 1dB input compression point, and a noise figure of 9.8dB for 1200MHz to 2000MHz diversity receiver applications. With an optimized LO frequency range of 1450MHz to 2050MHz, this mixer supports both high- and low-side LO injection architectures for the 1200MHz to 1700MHz and 1700MHz to 2000MHz RF bands, respectively.
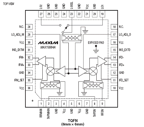
In addition to offering excellent linearity and noise performance, the device also yields a high level of component integration. This device includes two double-balanced passive mixer cores, two LO buffers, a dual-input LO selectable switch, and a pair of differential IF output amplifiers. Integrated on-chip baluns allow for singleended RF and LO inputs. The MAX19994A requires a nominal LO drive of 0dBm and a typical supply current of 330mA at VCC = 5.0V, or 264mA at VCC = 3.3V.
The MAX19994A is pin compatible with the MAX9985/ MAX9995/MAX19985A/MAX19993/MAX19995/ MAX19995A series of 700MHz to 2500MHz mixers and pin similar with the MAX19997A/MAX19999 series of 1850MHz to 4000MHz mixers, making this entire family of downconverters ideal for applications where a common PCB layout is used across multiple frequency bands.
The device is available in a 6mm x 6mm, 36-pin thin QFN package with an exposed pad. Electrical performance is guaranteed over the extended temperature range, from TC = -40NC to +85NC.
MAX19994A主要特性:
1200MHz to 2000MHz RF Frequency Range
1450MHz to 2050MHz LO Frequency Range
50MHz to 500MHz IF Frequency Range
8.4dB Typical Conversion Gain
9.8dB Typical Noise Figure
+25dBm Typical Input IP3
+14dBm Typical Input 1dB Compression Point
68dBc Typical 2LO - 2RF Spurious Rejection at PRF = -10dBm
Dual Channels Ideal for Diversity Receiver application
47dB Typical Channel-to-Channel Isolation
Low -6dBm to +3dBm LO Drive
Integrated LO Buffer
Internal RF and LO Baluns for Single-Ended Inputs
Built-In SPDT LO Switch with 48dB LO-to-LO Isolation and 50ns Switching Time
Pin Compatible with the MAX9985/MAX9995/MAX19985A/MAX19993/MAX19995/MAX19995A Series of 700MHz to 2200MHz Mixers
Pin Similar to the MAX19997A/MAX19999 Series of 1850MHz to 4000MHz Mixers
Single 5.0V or 3.3V Supply
External Current-Setting Resistors Provide Option for Operating Device in Reduced-Power/Reduced-Performance Mode
MAX19994A应用:
WCDMA/LTE Base Stations
TD-SCDMA Base Stations
GSM/EDGE Base Stations
cdma2000M Base Stations
Wireless Local Loop
Fixed Broadband Wireless Access
Private Mobile Radios
Military Systems
图1.MAX19994A功能方框图
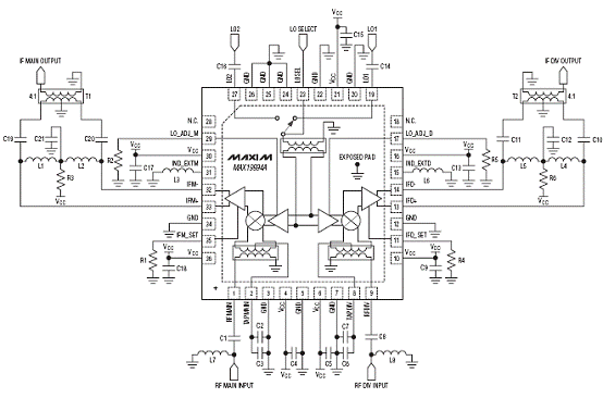
图2.MAX19994A典型应用电路图
所用元件值:

下一篇:电量均衡的无线传感器网络分簇算法