时间:2010-05-23 08:58
人气:
作者:admin
基于BLF888设计的500W RF广播发射方案
NXP 公司的BLF888是500W LDMOS RF功率晶体管,用于广播发射和工业应用。在UHF频带470 MHz 到860 MHz可提供平均功率110W,峰值包络功率500W,功率增益19dB,漏极效率46%,VDS 电压50 V,漏极静态电流1.3A。本文主要介绍了BLF888主要特性和优势,AB类共源宽带放大器电路和元件列表以及PCB布局图和元件布局图。
A 500 W LDMOS RF power transistor for broadcast transmitter applications and industrial applications. The transistor is optimized for digital applications and can deliver 110 W average DVB-T broadband over the full UHF band from 470 MHz to 860 MHz. The excellent ruggedness of this device makes it ideal for digital transmitter applications.
BLF888主要特性和优势:
2-Tone performance at 860 MHz, a drain-source voltage VDS of 50 V and a quiescent drain current IDq = 1.3 A:
Peak envelope power load power = 500 W
Power gain = 19 dB
Drain efficiency = 46 %
Third order intermodulation distortion = 32 dBc
DVB performance at 858 MHz, a drain-source voltage VDS of 50 V and a quiescent drain current IDq = 1.3 A:
Average output power = 110 W
Power gain = 19 dB
Drain efficiency = 31 %
Shoulder distance = 31 dBc (4.3 MHz from center frequency)
Integrated ESD protection
Advanced flange material for optimum thermal behavior and reliability
Excellent ruggedness
High power gain
High efficiency
Designed for broadband operation (470 MHz to 860 MHz)
Excellent reliability
Internal input matching for high gain and optimum broadband operation
Easy power control
Compliant to Directive 2002/95/EC, regarding Restriction of Hazardous Substances (RoHS)
BLF888应用:
Communication transmitter applications in the UHF band
Industrial applications in the UHF band
图1。BLF888 AB类共源宽带放大器电路
AB类共源宽带放大器元件列表:


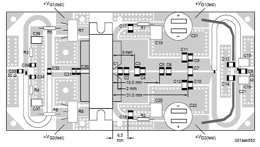
图2。AB类共源宽带放大器PCB布局图
图3。AB类共源宽带放大器元件布局图