时间:2009-12-08 12:50
人气:
作者:admin
高频链技术的发展与应用
目前,DC/AC逆变电源已经在很多领域得到了十分广泛的应用,而且在新能源,如太阳能电池、燃料电池等的DC/AC变换中也得到了广泛应用。传统的低频逆变技术,采用的是工频变压器,具有体积大、重量大、音频噪声大等缺点。为了克服这些缺点,Mr. Espelage于1977年提出了高频链逆变技术的新概念,利用高频变压器实现了输入与输出的电气隔离,减小了变压器的体积和重量,该系统由一个并联逆变器和12个晶闸管组成的周波变换器构成,具有简单的自适应换流、高频电气隔离、独立的有功能量和无功能量控制、固有的四象限工作能力等优点,但受当时半导体器件的限制,谐振储能电路工作频率局限在2~4kH。范围,未完全体现高频链逆变技术的优越性。近年来,随着功率半导体器件的发展,高频链技术引起人们越来越多的兴趣。
高频链逆变技术用高频变压器替代了低频逆变技术中的工频变压器,克服了低频逆变技术的缺点,显著提高了逆变器的符性。高频链逆变技术按功率的传输方向可分为单向型和双向型,按功率变换器的类型町分为电压源型和电流源型。
1 高频链逆变器简介
传统的低频逆变电路结构如图1所示。在把直流逆变成各种工作频率的交流这一科研领域中,国内外许多的专家和学者都进行了大量的深入研究,以期去掉低频变压器,从而达到简化结构、减小体积和重量,提高效率等目的。
单向高频链逆变电路结构如图2所示,两次使用了逆变器,一次是通过逆变获得高频,以便利用高频变压器进行变压和隔离,再经高频整流得到所需电压等级的直流,第二次是为了获得低频正弦交流电压,具有单向功率流、三级功率变换(DC一HFAC—DC—LFAC)、输出电压纹波小、技术成熟、应用广泛等优点,但是环节多增加厂功率损耗,而且随着开关频率的升高,采用传统PWM技术方案时存在过大的功率器件损耗和严重的电磁干扰问题。

为了提高高频逆变电路的效率,以期直接利用高频变压器同时完成变压、隔离、SPWM逆变的任务,因此提出了双向高频链逆变技术,如图3所示。由于少用了一级功率逆变器,从而达到简化结构、减小体积和重量、提高效率的目的,为实现电力电子没备的高频、高效、高功率密度创造了条件。

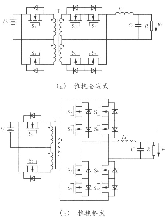
2 双向电压源高频链逆变器
双向电压源高频链逆变拓扑族如图4所示,从输入侧逆变级看,推挽式电路适用于低压输入变换场合;半桥和全桥电路适用于高压输入场合。从输出侧周波变换级看,全波式电路功率开关电压应力高,功率开关数少,变压器绕组利用率低,适用于低压输出变换场合;全桥式电路功率开关电压应力低,功率开关数多,变压器绕组的利用率高,适用于高压输出场合。


双向电压源高频链逆变器具有双向功率流,减少了功率变换级数的优点,但却存在一个固有的缺点,即采用传统PWM技术的输出周波变换器换流时阻断了高频变压器漏感中连续的能量,于是导致高频变压器和输出周波变换器之间出现电压过冲。因此,这类逆变器通常需要采用缓冲电路或有源电压箝位电路来吸收存储在漏感中的能量,从而增加了功率器件数和控制电路的复杂
性。同时还要保证高频变压器在低频交流信号的正负半周单极性往复工作中避免变压器磁芯饱和,确保低频交流信号被线性传递。
针对电压过冲问题,专家和学者们不断寻求更好的方法,提出了一些新的控制策略和技术,如换流重叠的单极性、双极性移相控制技术,它通过控制高频逆变器和周波变换器的相移来调节输出电压和功率流向,实现周波变换器功率管的自然换流,消除了电压尖峰;还有将串联谐振技术和双向电压源高频链逆变器相结合的技术。
针对磁芯饱和问题,提出了一些新的电路拓扑,现简单介绍两个改进的电路,如图5所示。图5(a)中变压器原边的两个正激变换器将高频单极性SPWM脉冲序列分成两组驱动脉冲,这两个正激变换器是由这两组SPWM驱动脉冲分别控制的,因此最大的工作占空比可以大于0.5,不存在磁芯饱和的问题,且具有较低的电压应力。而副边两个主开关管是由与输出频率相同的低频方波控
制的,因此控制简单,且易于实现软开关,能够降低开关损耗和减少噪声。同时副边还增加了两个能量反馈电路,因此给感性电流提供了通路,避免了电压过冲的发牛。图5(b)实质为共用一个变压器铁芯和副边的两个单端反激变换器,由它完成对低频电功率的变压、隔离、传递的任务,但由于当开关管接收控制信号脉冲列导通吋,在低频调制信号的正半周和负半周内,施加在变压器绕组上的是同一方向的电压,变乐器磁芯中的磁通可能将级进地逐渐增加,导致磁芯饱和,造成磁偏或单向磁化,导致低频电信号放大失真或由于很大的磁化电流而无法正常工作,因此提出了逐个脉冲磁复位技术,就是在每个高频脉冲之后及时采取措施.使每个高频脉冲引起的磁通增加都回复到零,从而避免磁芯饱和。

3 电流源高频链逆变器
基于Buck(Forward)变换器的单向、双向电压源高频链逆变器,虽然具有单向或双向功率流、变换效率高、输出容量大、输出电压纹波小等优点,但是,电压源高频链逆变器在负载过载甚至短路时,其功率开关电流的上升率将比正常工作时大得多,缩短了保护电路的动作时间。而基于Buck—Boost(Flvback)变换器的电流源高频链逆变器,其高频变压器不仅能实现电隔离和电压调整功能,而且能存储能量,因此,其储能式变压器的电感能够起到限流作用,在负载过载甚至短路时,其功率开关电流的上升率与正常工作时相同,为功率开关的保护电路赢得了足够的动作时间,其可靠性将比电压源高频链逆变器高。
电流源高频链逆变器拓扑族如图6所示。单管单向式电路由于只能单向传递功率、负载适应能力差,只适用与对输出电压波形要求不高的小功率阻性负载场合。单管双向式、推挽式电路能双向传递功率、负载适应能力强;推挽式又比单管双向式有更少的功率开关数和更小的一次侧功率开关电流应力,适用于低压输入的小功率逆变场合。半桥和全桥式电路也能双向传递功率、负载适应能力强,适用于高压输入的小功率逆变场合,但半桥式存在两个桥臂电容电压严重的不平衡现象。

双向电流源高频链逆变器解决了双向电压源高频链逆变器固有的电压过冲问题,而且与电压源高频链逆变器相比,具有更简洁的电路拓扑、更高的可靠性、控制方案简单、效率高以及动态响应良好等优点,因而在小功率场合具有良好的应用前景,但其输入电流、输出电压纹波大,仅适用于小功率场合,中大功率的逆变场合应优先选用电压源高频链逆变器。
4 直流变换器型高频链逆变技术
直流变换器型高频链逆变器由直流变换器和极性反转逆变桥构成,包括单向直流变换器型、双向直流变换器型和双向正反激组合直流变换器型等高频链逆变器电路结构,具有电路结构简洁、直流变换级工作在SPWM(输出电压调节范围宽)、极性反转逆变桥功率开关电压应力低且为ZVS、输出滤波器负载减轻等优点。逆变器类型由前置直流变换级类型决定,包括电压源和电流源两
类。双向直流变换器型高频链逆变框图如图7所示。

5 三相电压源型高频链逆变技术
现代逆变电源主要向如下几个方向发展,如高频功率变换、交流侧单位功率团数、低电磁干扰、体积小重量轻、双向功率流等。单相高频链技术已经得到了广泛的发展和应用,随着应用场合范围的扩大和对功率要求的提高,三相高频链技术也开始被重视并发展,主要是改进控制方法来降低功率损耗。
三相高频链典型的电路结构如图8所示,由电压源逆变器、高频变压器和周波变换器组成。逆变器输出高频电压,变压器将高频输入和输出进行隔离,周波变换器提供三相脉宽调制电压。逆变器是由4个ICBT和4个反并联二极管以单相桥方式组成,周波变换器是由6个双向开关管以三相桥方式组成。

为了获得正弦输出,专家和学者们提出了许多不同的方法,如正弦波脉冲幅度调制、由锯齿波做参考信号、积分环控制、空间矢量调制、差频调制等,同时还提出了混合调制的方法,这种方法是基于载波调制、空间矢量调制(SVM)和数字标量调制(DSM)之间的相关性而提出的。
周波变换器和三相逆变器的工作原理是相似的,只是三相逆变器的输入是一个直流电压,而周波变换器的输入是一个正负交替变换的方波电压,因此,当周波变换器的输入电压为正时,周波变换器的PWM信号和三相逆变器的PWM信号相同,而当输入电压为负时,周波变换器的PWM信号正好和三相逆变器的PWM信号相反,如图9所示,而且当三相逆变器的PWM信号和逆变器输出电压的极性同步时,周波变换器的开关频率最小。

为了降低周波变换器的开关损耗,也提出了许多方法和策略,如非谐振ZV5、电源换相(soure commutation)(即ZCS)和电压箝位及其它们的改进方法。
5.1 非谐振ZVS技术
图10中的虚线是图9中的PWM信号和逆变器输出电压信号,但只有在周波变换器输出的最大宽度电压内才要求逆变器必须输出电压,在半个开关周期内的其他时间逆变器的输出都为O,因此,周波变换器PWM信号的边界可以移到逆变器输出为0的区域,如图10所示,开关器件都是在零电压期间进行开通和关断。
图11为空间矢量图,它是由6个向量(V1~V6)和两个零向量(V0和V7)构成的,分成6个区间。图12是当周波变换器输入电压为(a)时,传统PWM(b)和非谐振ZVS PWM(c)两种模式在区域V中的波形图。由于上述非谐振ZVS只能在从一个开关周期到另一个开关周期变换时实现软开关,因此义提出了一种新的控制方案,不仅在周期变换时而且在周期内都能实现软开关。表1列出了3种PWM模式的比较。


5.2 电源换相技术
利用逆变器的输出电压进行换相,短路电流的方向和负载电流的方向相反,如图13所示。如果负载电流为正,导通开关从SUPP到SUNP变化,如果延时SUPP的关断信号,由逆变器输出电压产生的短路电流将会减小SUPP中的电流,当短路电流等于负载电流时,就完成了换相,而没有开关损耗,也因此这种技术又称为ZCS技术。

5.3 电压箝位技术
在有开关器件的电路中,往往通过增加缓冲电路来防止开关器件出现过电压,但在缓冲电路中会产生大量功率损耗,而图14中虚线部分组成的电压箝位电路就可以解决此问题。电压箝位电路包括一个电容、4个开关管和10个二极管。在周波变换器换相的时候,电容吸收储存在变压器漏感上的能量,这就可以避免开关器件发生电压过冲,而且为了降低功率损耗,储存在电容上的能量还可以通过4个开关管反馈回逆变器端或负载端。在周波变换器死区时间内负载电流可以通过二极管DC5-DC10导通,而且还可以当负载过流时快速切断负载,而不会形成过压导致周波变换器中的开关管击穿。

6 结语
高频链逆变技术已经成为专家和学者们的重点研究方向,通过不断改进电路拓扑结构和控制方法来解决其固有的电压过冲、功率损耗大、负载适应能力弱等问题,它的发展推动了逆变技术的进步,使逆变电源不断朝着高功率密度、高变换效率、高町靠性、无污染、智能化的方向发展。随着石油、煤和天然气等主要能源日益紧张,新能源的开发和利用越来越得到人们的重视,利用逆变技术可以将蓄电池、太阳能电池和燃料电池等其他新能源变换成交流电能供使用或与电网并网,因此,高频链逆变技术在以新能源为直流电源的场合有着非常广泛的应用前景。
上一篇:诺西在华研发大扩军直言瞄准LTE
下一篇:颠覆传统天线形象,液态天线登场