FSK收发器芯片MICRF500的原理与应用
mic
rf500是用于ism(
工业、科学和医药)和sr
dc(短距离设备)的专用发射和接收芯片,其频率范围为700mhz~1ghz,采用fsk(频移键控)调制时的数据速率达128 kbauds,rf输出功率为10dbm,灵敏度为-104dbm,接收模式
电流消耗为12ma,发射模式电流消耗为50ma,低功耗模式电流消耗2μa。可广泛应用于遥测、无线控制、无线数据中继、无线
控制系统、无线调制解调器和无线安全等系统中。
2
芯片封装与引脚功能
micrf500采用44-lqfp(blq)封装,各引脚功能如表1所列。


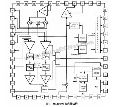
3内部结构与工作原理
micrf500的内部结构如图1所示。该芯片内含接收、发射和控制
接口(controlin
terf
ace)三部分。其中接收部分由低噪声
放大器(lna)、混频器、rc
滤波器(rcfilte
rs)、解调器(demod)、rssi等电路组成。发射部分由
功率放大器(pa)、预置比例分频器(prescaler)、a计数器(acounter)、n计数器(ncounter)、m计数器(mcounter)、压控
振荡器(vco)、相位检波器(phase detector)、充电泵(charge pump)、晶体振荡器(xco)等电路组成。
当micrf500处在接收模式时,pll合成器产生本振振荡(lo)
信号。n、m和a计数器给出的本振振荡频率被分别存储在no、mo和ao
寄存器中。由于
接收器是零中频结构,因而用低功耗的集成低通滤波器作为通道滤波器。接收装置中的低噪声放大器(lna)用于驱动正交混频器对。混频器输出馈送至两路相同的相位积分信道。每条信道包括前置放大器、三阶sallet-key rc低通滤波器和限幅器。主要信道的滤波器必须满足电路的选择性和动态范围。
sallen-key rc滤波器能通过
编程划分成四个不同的截止频率:10khz、30khz、60khz和200khz。通过外围
电阻可以调整滤波器的截止频率。解调器可解调i和q信道的输出并同时输出一个
数字信号。当
检测i和q信道信号的相对相位时,如果i信道落后于q信道,fsk调制频率将位于本振振荡频率之上(数据“1”)。如果i信道信号超前q信道信号,fsk调制频率则位于本振振荡频率之下(数据“0”)。dat
aixo脚为接收器输出。rssi(接收信号强度指示器)电路可用来显示收到信号的强度级别。两端的串行接口可用于对电路进行编程。vco谐振电路、晶体、反馈
电容和vco的fsk调制元件、回路滤波器、功放和滤波器的偏置电阻等外围元器可用于rf输入输出的阻抗匹配和功率衰减。tx/rx的转换则可通过
二极管来实现。
4应用
电路设计micrf500的应用电路如图2所示,该电路的工作频率为869mhz。电路中,收发器的调制信号加到vco,vco和外围元件工作于869mhz。ma4st-350-1141是macon制造的一个专用变容二极管,而bar63则是
西门子公司生产的二极管。

由于vco是一个基本的colpitts振荡器,因而应有一个外部谐振器和一个可变电感,谐振器可由电感l1和线性电容c13组成。
晶体振荡器的晶振是rf输出频率的基准,因而要求具有很好的相位和频率稳定性。晶体振荡器通过调节可变电容c20可改变谐振频率。要获得小的频偏,晶体要预老化且要有小的温度系数。本设计采用10mhz晶振。
相位检测输出被转换成电压并经14脚(ldc)外电容c23的滤波后,产生的直流电压与位ref0-ref5设置的基准窗口相比较。ref0~ref5为1时,基准窗口在0v;ref0~ref5为0时,其基准窗口的直流电压最大。另外,基准窗口能在两者之间线性步进地上升或下降。窗口的大小可等效为2个(ref6=1)基准台阶或4个(ref6=0)基准台阶。
实现fsk有三种方法:第一种是使用vco实现fsk调制,其对应的发射频率将被编程在分频器a1、n1和m1中。在tx模式,dataixo端保持在三态,直到开始发射数据;第二种是通过开关在a、n和m分频器两组之间实现,a、n和m值对应到接收频率和两发射频率。发射数据“0”时,将对分频器a0、n0和m0进行编程;发射数据“1”时,将对分频器a1、n1和m1进行编程;第三种则可通过加/减1到分配器a1来实现,其频偏与比较频率相等,发射频率的校准可通过对a1、n1和m1进行编程来实现。所有类型的fsk调制数据都从引脚端dataixo输入。
回路滤波的设计对优化
参数是很重要的,如调制速率、pll锁定时间、带宽和相位噪声等。低位率通常可调制在pll内,而将回路锁定在不同的频率上则可通过开关分频器(m、n和a)来实现。高调制率(超过2400bps)一般靠pll外调制来实现,设计时通常直接加到vco。此时,回路滤波器的值可通过软件进行编程确定。
发射功率放大器是基本的ab类,最后一级是开集电极(oc)电路,因此应外接一负载电感(l2)。放大器的直流电流通过外接偏置电阻r14来调整。当偏置电阻值为1.5kω时,偏置电流为50μa。最后一级电路的偏置电流大约为15ma。
阻抗匹配与
天线的类型也有很大关系,设计时可采用最大输出功率,并在功率放大器上接一约100ω的阻抗。输出功率可编程为8级,每级大约相差3db,可以通过控制字pa2-pa0来进行控制。
为了预防干扰信号干扰功放,功放应当缓慢的导通和截止。通过连接到24脚的电容c25可使偏置电流在限定范围内上升或下降。上升/下降电流典型值为1.1μa,当
电源为3v时,开关速率为2.6μs/pf。由于转换功放开关会影响pll,所以开关速率必须与pll带宽相对应。
缓冲放大器通常连接到vco和功率放大器之间。功率放大器的输入信号可以放大到期望的输出功率。通过设置位gc为“0”可以旁路缓冲级。
rf接收器的低干扰放大器可利用提升输入信号来优化频率转变过程。其主要目的是为了预防混频器干扰。lan是一个两级放大器,正常时,在900mhz处可以获得23db的增益,lan具有一个直流外馈环,可为lan提供偏置。外接电容c26对所有的直流反馈环路均可起到退耦和稳定作用。
通过设置bylan位为“1”可以旁路lan,这对强信号是非常有用的。
混频器在900mhz有12db增益,在34、35和38、39脚中,每一路混频器的输出阻抗约为15kω。
解调器解调出来的信号的频偏必须永远比频漂大,且至少等于波特率加上频漂。
限幅器是一个零点检波器,其输出为与i-q相位差相对应的值,波形是边缘陡峭的方波。
解调器的作用是解调i和q信道输出并产生数字量输出,同时可用来检测i和q信道信号之间的相位差。对于i信道,在限幅器输出的每一个边沿(上升沿和下降沿),q信道限幅器输出的振幅均被采样,反之也如此。解调器的输出通过dataixo引脚来实现。数据输出被if信号每周期更新四次。如果i信道信号滞后于q信道,fsk调制频率将位于lo频率上方(数据“1”),而如果i信道超前q信道,则fsk调制频率将位于lo频率下方(数据“0”)。
解调器的输入和输出通过一阶rc低通滤波器滤波并经过斯密特触发器放大来产生方波。在低位率时,增加引脚18的电容(datac)可以减少rx数据信号滤波器的带宽。滤波器的带宽必须根据位率来进行调整,这个功能一般通过rxfilt位来控制。
rssi(接收信号强度指示)电路的输出与代表rf输入信号强弱的直流电压相对应。当接收到的rf输入信号使rssi输出增加时,rssi将作为信号的有无指示器而用于唤醒电路。无信号时,电路将处于睡眠模式以长电池寿命。
在编程时,可用两线(clkin和regin)式总线来编程电路,两线串行总线接口可以控制分频器、选择tx的功率和rx以及合成器电路功能块,其接口由一个80位编程寄存器组成。数据和第一有效位从regin线进入,第一位输入为p1,最后一位输入为p80。程序寄存器中的位安排如表2所列。


当clkin信号为高电平时,80位控制字首先读入移位寄存器,然后通过regin信号(正的或负的)装入并行寄存器。其接收和发射模式可由电路直接指定。图3所示是micrf500中clkin、regin、内部load、int和pa-c信号的时序图。
图3中,在时序1时,倒数第二位数据被
时钟信号装入移位寄存器(‘1’);在时序2时,最后一位数据被时钟信号装入移位寄存器(‘1’);时序3时,通过regin信号的转换可产生一内部装入脉冲,并将控制字装入并行寄存器,从而使电路进入新的模式(tx模式),并稳定在这种新模式。在时序4时,如果时钟信号变低,功放将慢慢开启以使rf输出信号最小。在pa开启前,pll处于可靠的锁定状态。而在lockdet被设置后,pa开启。时序5时,功率放大器将满负荷开启。时序6时,一个新的控制字进入移位寄存器。当clkin为高时,regin信号发生跳变以关闭功率放大器。时序7时,功放关闭以产生内部装入脉冲,并将新控制字装入并行寄存器,从而使电路进入一个新的模式(节电模式),但clkin必须在产生内部装入脉冲后变低。当clkin为高时,regin上将不会出现跳变,此时,新的控制字在任何时间内,都不影响收发器操作,它将按照自己的方式按时进 入移位寄存器。