时间:2009-12-22 10:00
人气:
作者:admin
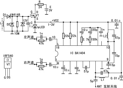
BH1404自动开关电视伴音转发器
整机的主电路是常见的单片调频立体声广播发射集成电路BA1404,其电路已很成熟,为便于初学者自制,将线圈数据也作一介绍:L1、L2均为用线径0.3mm的漆包线,绕5匝,线圈内径3mm,长8mm。按此数据绕制的线圈,发射频率约为100MHz。在普通调频收音机的接收范围内。其它元件数据如图所示。
自动开关电路部分在图的左上方,其原理是电视机打开后,在电视机的周围产生了较强的电磁场,这个电磁场主要由电视机的显象管的行扫描系统产生的,电视机的行扫描频率在我国是15.625kHz,所以与交流市电相比,还是较高的,只要能检测出这个电磁场,并打开转播系统的电源开关,就算完成任务。
为使电路尽量简单而不增加太多成本,电子开关是由场效应管VT担任。因为场效应管所需驱动功率极小,基本不要驱动电流。由磁棒线圈L吸收开电视机而产生在电视机周围的电磁场的能量,经D1、D2倍压整流,在电容C上积累一定电量,当电压逐步提高到场效应管VT的开启电压(约2V以上),场效应管导通?V电源通过限流电阻R、VT为转播系统供电。本系统使用1.5V电压,所以用红发光二极管LED作为稳压管,又可兼作工作指示灯。
元件的选用:电容C要求漏电小;12V稳压管的采用是为防止强脉冲来电,保护场效应管而设;10M电阻是为了在电视机关掉以后,转播系统能在10秒钟后自动切断电源,如不用该电阻,会在相当长的时间后自动切断,这样会多费电能。
本机唯一要自制的器件是磁棒线圈L,磁棒可选用普通收音机上直径为1厘米的中波磁棒,不要选短波磁棒,短波磁棒颜色较浅。最关键的是线圈的圈数,对不同尺寸的电视机,线圈的圈数可不同,为保证能一次成功,还是多绕几圈,可用直径为0.1mm的漆包线在磁棒上用乱绕法绕1000-1500圈左右,然后用软线焊接线头,再用胶带纸包裹好,就可接上整机电路试验整个装置。
将磁棒线圈放在电视机周围的适当位置,发光二极管LED发光时,电路就正常工作了,这个位置可由试验决定,电磁场最强的位置约在电视机的后上方,当线圈的圈数足够多,放在电视机周围的任何位置都可以。电路正常工作后,注意加上一米左右的电线作天线,再用调频收音机在100MHz附近搜索,调谐指示灯发光,说明有信号发出,将电视机的音频输出端接在本电路的任何一个声道输入端就可在调频收音机中听到电视机的播音了。

