时间:2009-02-22 14:01
人气:
作者:admin
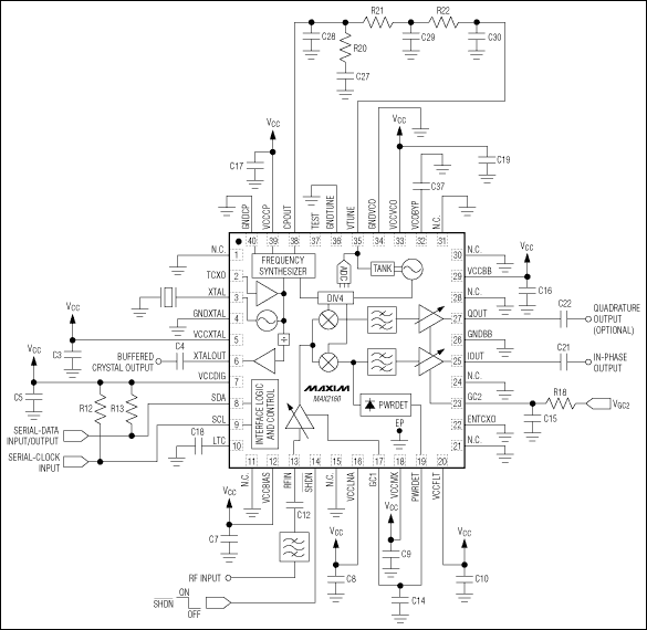
MAX2160/EBG是针对日本移动数字电视(ISDB-T单段)市场设计的调谐器IC。该器件利用宽带I/Q下变频变换器直接将UHF波段的信号转换到低中频(IF)。工作频率范围:470MHz至770MHz。
MAX2160/EBG既支持I/Q低IF接口,也支持单端低IF接口,能够配合各种类型的数字解调器IC使用,不失为一款非常通用的调谐器。
MAX2160/EBG内部包括:LNA、RF可变增益放大器、I和Q下变频混频器、低IF可变增益放大器以及具有42dB镜频抑制的带通滤波器。该器件能够处理高端或低端本振(LO)注入。MAX2160/EBG的可变增益放大器能够提供100dB以上的增益控制范围。
MAX2160/EBG还包括一个完全集成的VCO和谐振槽路,以及完备的频率合成器。器件内置XTAL振荡器和独立的TCXO输入缓冲器。该器件能够配合13MHz至26MHz的XTAL/TCXO工作,因而能够共用蜂窝手机中的VC-TCXO。此外, 为XTAL/TCXO提供的分频器简化了与各种通道解码器的连接,同时也降低了成本。
MAX2160/EBG工作在-40°C至+85°C,提供40引脚、薄型QFN封装,带有裸露焊盘(EP)和无铅、晶片级封装(WLP)。
MAX2160, MAX2160EBG应用电路

典型应用电路