全球最实用的IT互联网信息网站!
AI人工智能P2P分享&下载搜索网页发布信息网站地图
时间:2006-04-17 19:12
人气:
作者:admin
标签: 电路欣赏 经典
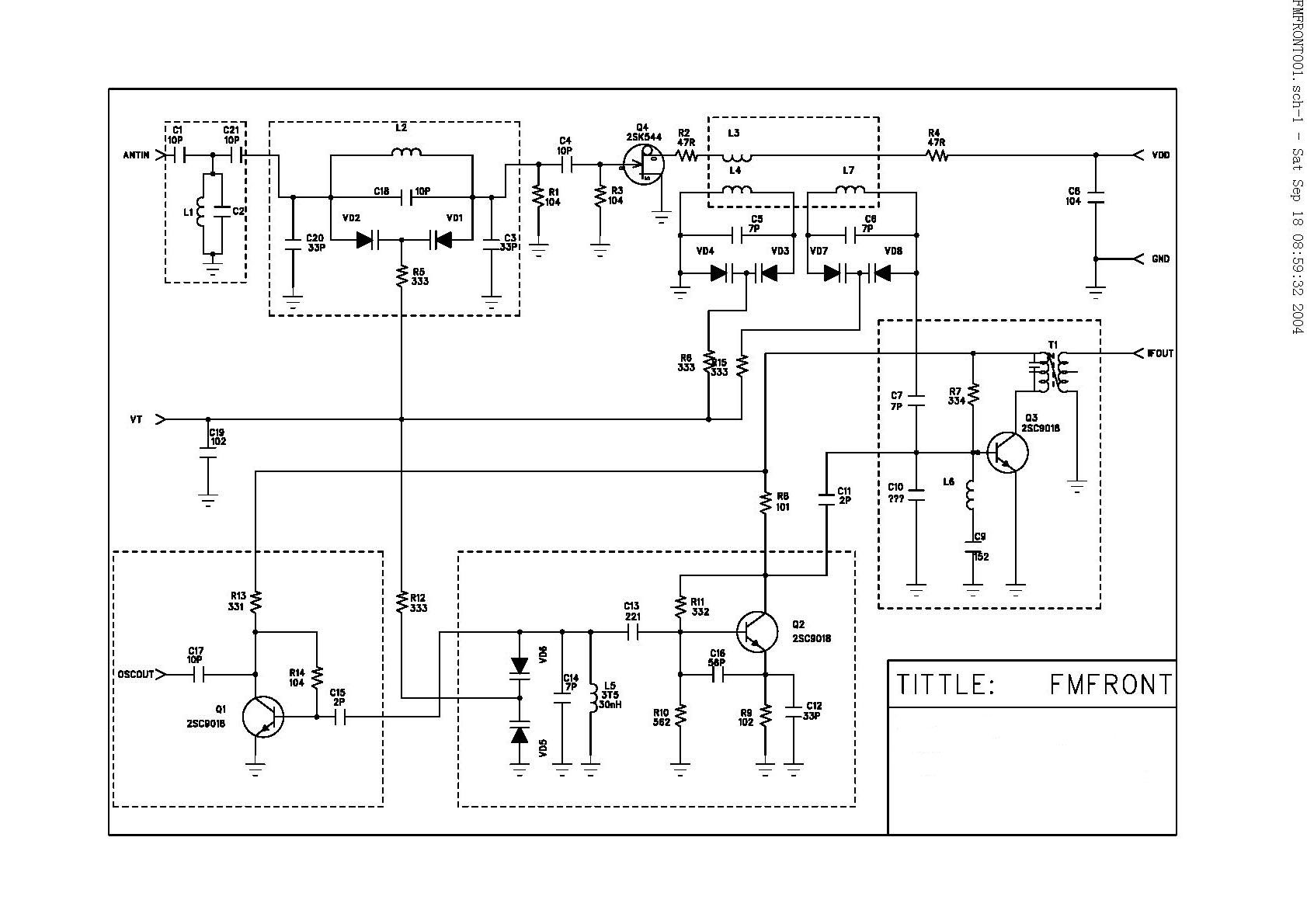
经典高频头电路欣赏,FM,仅作参考.元件参数自定.
上一篇:脉冲宽度调制电路
下一篇:[图文]具有稳幅环节的RC桥式振荡电路
如何优化以太网供电 (PoE) PD 设计
如何打开无线充电功能 无线充电有什么弊
QCA9531方案小尺寸无线路由WiFi模块SKW103
常用天线,无源器件有哪些类型(干货分享
如何抓取app数据包 网络抓包原理及实现
谁是5G应用的狮子座?
CPU | 内存 | 硬盘 | 显卡 | 显示器 | 主板 | 电源 | 键鼠 | 网站地图
Copyright © 2025-2035 诺佳网 版权所有 备案号:赣ICP备2025066733号 本站资料均来源互联网收集整理,作品版权归作者所有,如果侵犯了您的版权,请跟我们联系。