时间:2007-08-25 21:07
人气:
作者:admin

程序
发送程序
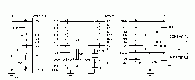
程序执行后,将以DTMF方式发送预存在数组W_BUF中的7位数码(5135535)。
#include
#define uc unsigned char
#define ui unsigned int
/* 子函数(子程序)说明 */
void initialize(void);
void tran_init(void);
void transmit(uc data *p,uc count);
void delay(ui l);
/* 主函数(主程序) */
void main(void)
{ uc data w_buf[7];
SP=0x5f;
/* 预存数码5135535 */
w_buf[0]=5;
w_buf[1]=1;
w_buf[2]=3;
w_buf[3]=5;
w_buf[4]=5;
w_buf[5]=3;
w_buf[6]=5;
initialize();
tran_init();
transmit(w_buf,7);
initialize();
for(;;);}
/* MT8880初始化子函数 */
void initialize(void)
{ P1=0x3f; /* 读SR */
P1=0x20; /* CRA=0000 */
P1=0x20; /* CRA=0000 */
P1=0x28; /* CRA=1000 */
P1=0x20; } /* CRB=0000 */
/* 发送初始化子函数 */
void tran_init(void)
{ P1=0x29; /* CRA=1001 */
P1=0x21; } /* CRB=0001 */
/* 发送操作子函数 */
void transmit(uc data *p,uc count)
{ uc i;
for (i=0;i
delay(6000); /* 延时 */
P1=0x3f; }}/* 读SR */
/* 延时子函数 */
void delay(ui l)
{ ui i;
for (i=0;i
接收程序
程序利用单片机的INT0以中断方式接收DTMF信号,接收的7位数码存入数组R_BUF中。
#include
#define uc unsigned char
uc data i,r_buf[7];
/* 子函数(子程序)说明 */
void initialize(void);
void rece_init(void);
/* 主函数(主程序) */
void main(void)
{ SP=0x5f;
i=0;
initialize();
rece_init();
for(;;);}
/* MT8880芯片初始化子函数 */
void initialize(void)
{ P1=0x3f; /* 读SR */
P1=0x20; /* CRA=0000 */
P1=0x20; /* CRA=0000 */
P1=0x28; /* CRA=1000 */
P1=0x20; } /* CRB=0000 */
/* 接收初始化子函数 */
void rece_init(void)
{ P1=0x24; /* CRA=0100 */
IT0=1; /* 边沿触发 */
IE=0x81; } /* 允许中断,开中断 */
/* 接收中断服务程序 */
void int0(void) interrupt 0 using 1
{ P1=0x3f; /* 读SR */
P1=0x1f; /* 读RDR */
r_buf[i++]=P1&0x0f; } /* 保存 */
上一篇:mt8880使用技巧与接口电路