阅读全文2008-10-20
阅读全文2008-10-13
阅读全文2008-09-17
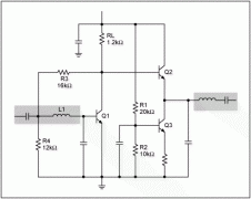
Designing Output-Matching Netw
阅读全文2008-09-17
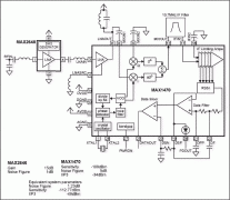
Improving Receiver Sensitivity
阅读全文2008-09-17
阅读全文2008-09-17
阅读全文2008-09-17
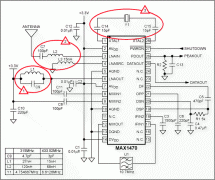
QuickChip Design Example 1 - A
阅读全文2008-09-17