时间:2025-07-19 09:18
人气:
作者:admin
三菱电机于1997年将DIPIPM正式推向市场,迄今已在家电、工业和汽车空调等领域获得了广泛应用。在Si-IGBT DIPIPM基础上,三菱电机开发了集成SiC MOSFET芯片的DIPIPM,本章节主要介绍全SiC和混合SiC的SLIMDIP产品。
1全SiC、混合SiC SLIMDIP
三菱电机最新开发了全SiC、混合SiC的SLIMDIP产品,与超小型全SiC DIPIPM相比,全SiC、混合SiC的SLIMDIP体积更小,其电源也不再需要18V电源,可以在现有Si SLIMDIP封装的PCB方案上直接替换,两个型号产品的规格见下表1。

表1:全SiC、混合SiC的SLIMDIP
2全SiC、混合SiC的SLIMDIP的内部电路和优势
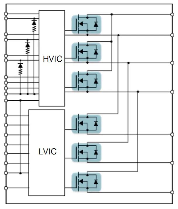
图1为全SiC SLIMDIP的内部电路,内置了新开发的SiC MOSFET芯片,其输出功率较现有硅基RC-IGBT SLIMDIP模块显著提高,全SiC SLIMDIP模块将功率损耗降低了79%(1),显著提升家电能效。当应用于空调压缩机逆变器电路时,更可实现年功率损耗降低80%(2)。
图2为混合SiC SLIMDIP的内部电路,将SiC MOSFET和RC-IGBT集成到模块中。采用同一IC来驱动并联的SiC MOSFET和Si RC-IGBT,但是两者的驱动时序有所差异。与目前的硅基模块相比,混合SiC SLIMDIP能够将功耗降低47%(1)。当应用于空调压缩机逆变器电路时,更可实现年功率损耗降低41%(2)。
(1) Vcc=300V,fc=5kHz,PF=0.8,M=1,fo=60Hz,三相调制,与SLIMDIP-L对比。
(2) 基于日本工业标准JIS C9612规定的四种基本空调模式运行时长(额定制冷、中间制冷、额定制热和中间制热),运行条件由三菱电机测算。

图1:全SiC的SLIMDIP内部电路

图2:混合SiC的SLIMDIP内部电路
3全SiC SLIMDIP与超小型全SiC DIPIPM对比
在上一篇《SiC DIPIPM在变频家电中的应用(1)》,我们介绍了超小型全SiC DIPIPM,其与全SiC SLIMDIP的对比见表2。

表2:全SiC SLIMDIP与超小型全SiC DIPIPM对比
两者的损耗对比(单个芯片)如下图3所示,全SiC SLIMDIP的损耗相对更低一点。对比工况为:Vcc=310VDC,Io=7.5Apeak,fc=20kHz,SPWM调制,M=1,fo=50Hz,Vd=15V(PSF15SG1G6),Vd=18V(PSF15S92F6-A6)。

图3:全SiC SLIMDIP与超小型全SiC DIPIPM损耗对比(单个芯片)
※DIPIPM、SLIMDIP是三菱电机株式会社的商标。
正文完
<关于三菱电机>
三菱电机创立于1921年,是全球知名的综合性企业。截止2025年3月31日的财年,集团营收55217亿日元(约合美元368亿)。作为一家技术主导型企业,三菱电机拥有多项专利技术,并凭借强大的技术实力和良好的企业信誉在全球的电力设备、通信设备、工业自动化、电子元器件、家电等市场占据重要地位。尤其在电子元器件市场,三菱电机从事开发和生产半导体已有69年。其半导体产品更是在变频家电、轨道牵引、工业与新能源、电动汽车、模拟/数字通讯以及有线/无线通讯等领域得到了广泛的应用。
龙腾半导体SGT MOSFET LSGT085R018在智慧农业无