时间:2025-08-01 09:58
人气:
作者:admin
近年来,随着科技的飞速发展,人们对生活品质的要求越来越高,智能家居的需求日益旺盛。这种需求推动了人工智能和物联网等技术的革命性飞跃,使得“解放双手”的理念逐渐深入人心,成为了一种新的生活方式。据中国家电网权威发布的《2024年扫地机器人市场发展白皮书》揭示,中国扫地机器人市场呈现出爆发式增长,一举成为全球最大的扫地机器人消费国。
上海贝岭可提供一系列高性能模拟、数模混合集成电路和功率器件,其中直流有刷电机驱动、运放、模拟开关、电平转换、音频功放、电源管理、X电容放电芯片、LED驱动、MOS管等可应用于扫地机器人。
方案介绍

图1 扫地机器人应用框图
上海贝岭已有直流有刷电机驱动、运放、模拟开关、电平转换、音频功放、电源管理、X电容放电芯片、LED驱动、MOS管等一系列产品可满足扫地机器人应用。
直流有刷电机驱动
一台扫地机器人中一般包含5~7个电机,按照功能区分一般分为1~2个行走电机、1~2个边刷电机、1个滚刷电机、1个吸尘电机、1个激光电机。其中除吸尘电机对电机的转速以及效率要求较高,需选择直流无刷电机外,其余电机多采用单个或双个(步进电机)直流有刷电机。上海贝岭可提供全系列直流有刷电机驱动芯片(产品优势介绍如下),选型如表1所示。
高集成度、简化了系统设计中所需要的外围元器件;
高可靠性、集成OTP、OCP等保护功能为系统安全、可靠的运行保驾护航;
覆盖型号广,可根据电机的工作电压、电流选择性价比更高的电机驱动解决方案;
封装种类多,可提供多款小型化封装产品,节约PCB设计面积。

表1 直流有刷电机驱动芯片选型表
运放
为保证扫地机器人在运行过程的安全、可靠,电机部分的过流采样、堵转等功能都需要通过运放采集和放大信号,多采用通用或低噪声系列运算放大器实现此功能。另外,在扫地机器人中的激光定位模块中,对信号的采样精确度要求较高,一般采用高精度运算放大器。上海贝岭可提供一系列高可靠性的运算放大器如表2所示,其中低噪声运算放大器系列BL37XX具有较低的噪声性能,噪声参数对比如表3所示。

表2 运算放大器选型表

表3 BL37XX噪声参数对比表
模拟开关
在部分扫地机器中,由于需要处理的传感器信号比较多,MCU的IO资源紧张,需要对IO口进行复用。此类应用一般只走信号传输,对模拟开关的导通内阻没有过高要求。上海贝岭可提供一系列工业级、高可靠性性、低功耗、高带宽的模拟开关,选型表如表4所示。

表4 模拟开关选型表
电平转换
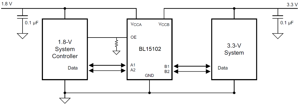
在部分扫地机器人中,由于外设的I/O电压和MCU的I/O口电压不一样,导致两者之间无法直接通讯。一般会在外设和MCU之间增加电平转换芯片。低功耗、高性价比的两通道电平转换芯片BL15102可以满足此类应用,参数对比参见表5。BL15102典型应用图如图2所示。

表5 BL15102静态电流测试对比表

图2 BL15102典型应用原理图
音频功放
另扫地机器人的语音模块中,通常需要根据实际需求选用AB类或D类音频功放来驱动其中的扬声器。上海贝岭可提供一系列针对此应用的音频功放,选型表如表6所示。

表6 音频功放选型表
电源管理
扫地机器人供电电压一般采用4节锂电池,无法直接给模块和MCU等供电,需要采用DC/DC、 LDO降压后给各子模块供电。上海贝岭电源管理芯片选型表如表7所示。

表7 电源管理芯片选型表
X电容放电芯片
在部分扫地机器人的大功率充电座电路中,对待机功耗以及安规漏电有一定的要求,需要在X电容端增加X电容放电芯片以满足节能(低待机功耗)、安全保护(低安规漏电)等要求。上海贝岭推出的ME8701是一款X电容自动放电芯片,当230VAC输入时,会有极低的电流流进芯片,将功耗降至5mW以内。当230VAC断电后,ME8701与串联放电电阻相连,可自动对X电容进行放电。这种工作方法有助于灵活选择安规电容,优化EMIπ型滤波电路,降低电感成本。ME8701可满足此类扫地机器人的应用需求,典型应用图如图3所示。

图3 ME8701典型应用原理图
LED驱动
在部分高端扫地机器人应用中,为了给用户提供更好的使用体验以及视觉感受,需要通过LED驱动芯片控制LED的恒流精度、亮暗、颜色变化以及图案组合等效果。上海贝岭推出
ME7502是一款采用I2C通讯的恒流LED驱动芯片,具有32阶电流统调功能。由16根段输出、12根位输出组成192个点阵,每一个点具有256阶PWM占空比调整可满足此类应用需求,典型应用图如图4所示。

图4 ME7502典型应用原理图
MOS管
上海贝岭可提供一系列应用于扫地机器人的高可靠性的MOS管,选型表如表8所示。

表8 MOS管选型表
上一篇:MOSFET的噪声模型解析
龙腾半导体SGT MOSFET LSGT085R018在智慧农业无