时间:2025-08-25 16:30
人气:
作者:admin
面对物联网、可穿戴医疗、便携消费及工业传感领域中对设备超长续航的极致要求,超低功耗运放产品应运而生。中微爱芯推出670nA静态电流的AiP864X系列运放,放大器工作电压低至1.4V,单位增益稳定,适合低频应用,如电池电流检测和传感器调节。
AiP8641/2/3/4增益带宽积为15KHz,单位增益稳定, 其中AiP8641、AiP8642和AiP8644分别是不带使能控制引脚的单通道、双通道和四通道运放,AiP8643为带使能控制引脚的单通道运放。
AiP8645/6/7/8增益带宽积为100KHz,在增益≥10 时稳定,其中AiP8645、AiP8646和AiP8648分别是不带使能控制引脚的单通道、双通道和四通道运放,AiP8647为带使能控制引脚的单通道运放。
主要特点
开环电压增益:92dB
失调电压:≤2.5mV
噪声:210nV/√Hz
输出短路电流:>21mA
输入偏置电流:1pA
输入共模范围:VSS-0.1V~VCC+0.1V
供电范围:1.4V~5.5V
温度范围:-40℃~125℃
封装形式:
- AiP8641:SOT23-5/SOP8/MSOP8/DIP8
- AiP8642:MSOP8/SOP8/DFN8/DIP8
- AiP8643:SOT23-6/SOP8/MSOP8/DIP8
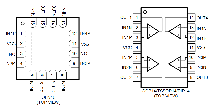
- AiP8644:SOP14/TSSOP14/QFN16/DIP14
- AiP8645:SOT23-5/SOP8/MSOP8/DIP8
- AiP8646:MSOP8/SOP8/DFN8/DIP8
- AiP8647:SOT23-6/SOP8/MSOP8/DIP8
- AiP8648:SOP14/TSSOP14/QFN16/DIP14
引脚排列图

AiP8641/AiP8645

AiP8642/AiP8646

AiP8643/AiP8647

AiP8644/AiP8648
AiP864X系列详细参数见下表

结语
中微爱芯还提供静态电流更小的AiP862X系列纳安电流运放,静态电流为350nA,增益带宽积为5KHz,单位增益稳定。
中微爱芯后续将会推出更大带宽的AiP861X、AiP863X和AiP865X系列微安电流运放产品供客户选择,想要获取更多技术支持,欢迎联系我们。
关于中微爱芯
无锡中微爱芯电子有限公司成立于2004年,是一家以集成电路设计、测试、方案开发、销售和服务为主的高新技术企业,是工信部认定的集成电路设计企业,是国家鼓励的重点集成电路设计企业。产品已形成MCU、LCD显示、LED显示、通用逻辑、信号链、马达&栅驱动、功率器件、电源、音响、遥控器、通信、配套等多个系列几千款产品,覆盖消费电子、网通产品、工业设备、新能源、汽车电子等多个领域。
龙腾半导体SGT MOSFET LSGT085R018在智慧农业无