时间:2025-05-20 09:40
人气:
作者:admin
OPA376系列代表了具有e-trim™的新一代低噪声运算放大器,可提供出色的直流精度和交流性能。轨对轨输入和输出、低偏移(最大25µV)、低噪声(7.5 nV/√Hz)、950µA(最大)的静态电流和5.5-MHz带宽使该部件对各种精密和便携式应用非常有吸引力。此外,该设备具有相当宽的供电范围和出色的电源抑制比,使其对直接由电池运行而无需调节的应用具有吸引力。
数据手册:*附件:OPA4376 四通道、低噪声、低静态电流、精密运算放大器技术手册.pdf
OPA376(单版本)提供MicroSIZE SC70-5、SOT-23-5和SOIC-8封装。OPA2376(双)提供DSBGA-8、VSSOP-8和SOIC-8封装。OPA4376(四路)采用TSSOP-14封装。所有版本均指定在-40°C至+125°C的温度范围内运行。
功能
低噪音:7.5 nV/Hz(1 GHz)
0.1 Hz至10 Hz噪音:0.8 yVpp
静态电流:760 μA(典型值)
低失调电压:5 yV(典型值)
增益带宽积:5.5 MHz
轨到轨输入和输出
单电源供电
电源电压:2.2 V至5.5 V
节省空间的套餐:
SC 70,SOT-23,DSBGA,NSSOP,TSSOP
引脚功能和配置
典型特性
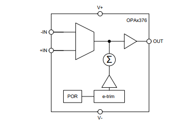
功能方框图
应用
ADC缓冲器
音响设备
医疗仪器
手持式测试设备
有源滤波
传感器信号调理
龙腾半导体SGT MOSFET LSGT085R018在智慧农业无