时间:2025-05-21 14:06
人气:
作者:admin
该器件采用LinCMOS™技术制造,由两个独立的电压比较器组成,每个比较器都设计为由单个电源供电。如果两个电源之间的差值为4 V至18 V,则也可以从双电源进行操作。每个设备都具有极高的输入阻抗(通常大于1012),允许与高阻抗源直接接口。输出是n沟道开漏配置,可以连接以实现正逻辑接线and关系。
数据手册:*附件:TLC372-EP 增强型产品、Lincmos、双路差动比较器技术手册.pdf
TLC372具有内部静电放电(ESD)保护电路,并通过人体模型(HBM)测试被归类为2000V ESD等级。然而,在处理该设备时应格外小心,因为暴露于ESD可能会导致设备参数性能下降。
TLC372的工作温度范围为-55°C至125°C。
特性
受控基线
一个组装/测试现场,一个制造现场
-55°C至125°C的扩展温度性能
增强的递减制造源(DMS)支持
增强型产品变更通知
资格谱系(1)
根据MIL-STD-883方法3015,ESD保护超过2000V;使用机器型号超过100 V(C=200 pF,R=0)
单电源或双电源操作
电源电压范围广。 ..4V至18V
极低的电源电流消耗。 .5V时典型电流为.150µA
快速响应时间。 . .TTL电平输入步长为200 ns
内置ESD保护
高输入阻抗。 . .1012型
极低的输入偏置电流。 ..5 pA典型值
超稳定低输入偏移电压
最坏输入条件下的输入偏移电压变化通常为0.23µV/月,包括前30天
共模输入电压范围包括接地
输出兼容TTL、MOS和CMOS
引脚与LM393兼容
符号
引脚图
典型特性
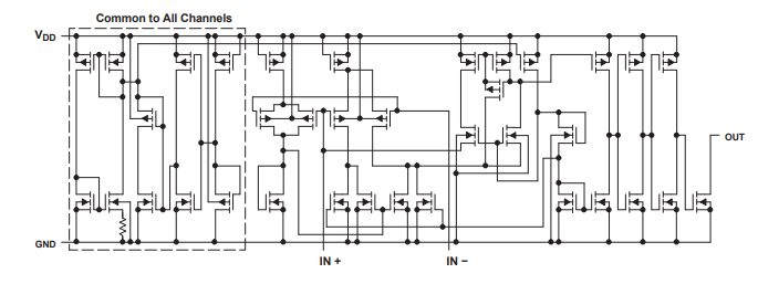
等效方案
龙腾半导体SGT MOSFET LSGT085R018在智慧农业无