时间:2025-05-12 14:36
人气:
作者:admin
OPA1641(单)、OPA1642(双)和OPA1644(四)系列是JFET输入、超低失真、低噪声运算放大器,完全适用于音频应用。
数据手册:*附件:OPA1641 单通道、Sound-Plus、高性能、JFET、输入音频运算放大器技术手册.pdf
OPA1641、OPA1642和OPA1644轨对轨输出摆动允许增加净空,使这些设备成为任何音频电路的理想选择。特性包括5.1-nV/√Hz噪声、低THD+N(0.00005%)、2 pA的低输入偏置电流和每个通道1.8 mA的低静态电流。
这些器件在±2.25 V至±18 V的非常宽的电源电压范围内工作。OPA1641、OPA1642和OPA1644系列运算放大器具有单位增益稳定性,并在各种负载条件下提供出色的动态性能。
双通道和四通道版本具有完全独立的电路,即使在过驱动或过载的情况下,也能实现最低的串扰和通道之间的无交互。
OPA1641、OPA1642和OPA1644的温度范围为-40°C至+85°C。
功能
卓越的音质
真JFET输入运算放大器
具有低输入偏置电流
低噪声:5.1 nV/hz,1 khz
超低失真:1千赫时为0.00005%
高转换速率:20V/us
团结稳定增长
无相位反转
低静态电流:
每通道1.8 mA
轨对轨输出
宽电源范围:+2.25 V至+18 V
提供单人、双人和四人版
引脚功能和配置
典型特性
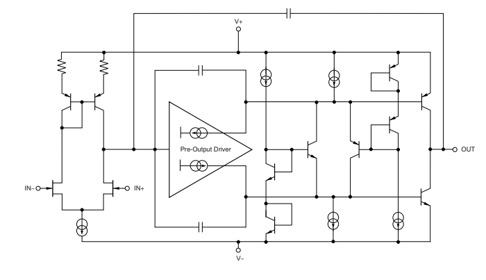
功能方框图
应用
专业音响设备
模拟和数字调音台
广播演播室设备
高端A/接收器
高端蓝光™播放器
龙腾半导体SGT MOSFET LSGT085R018在智慧农业无