时间:2025-05-14 09:34
人气:
作者:admin
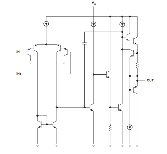
TS321是一种双极运算放大器,适用于对成本敏感的应用,在这些应用中节省空间非常重要。
数据手册:*附件:TS321-Q1 汽车级、单通道、30V、800kHz运算放大器技术手册.pdf
特性
具备汽车应用资格
宽电源范围
单电源:3 V至30 V
双电源:±1.5 V至±15 V
大输出电压摆动:
0 V至3.5 V(最小值)(VCC=5 V)
低电源电流:500µA(典型值)
低输入偏置电流:20 nA(典型值)
在高电容负载下稳定
原理图
电气特性
龙腾半导体SGT MOSFET LSGT085R018在智慧农业无