时间:2023-08-14 17:17
人气:
作者:admin
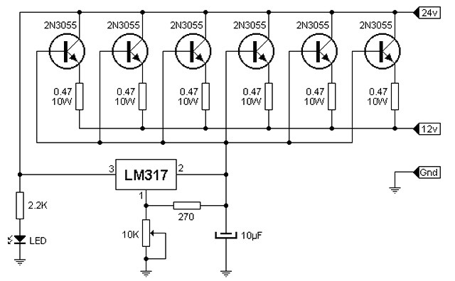
如图所示,24V转12V转换器电路无非是一个集成的可调电压调节器,作用于一组并联的功率晶体管。这些晶体管可以说执行着繁重的任务,而调节器则负责控制它们。
其中电池的24V输入连接器。 12V 连接器为输出,Gnd 连接器必须接地。当然,所有组件(晶体管和集成)都应具有良好的散热性并与金属电绝缘。

24v转12v转换器调整:
将电位器设置为最大 10 k Ω(完全打开或 10 k Ω),并将灯连接到直流到直流转换器输出 12V / 50W。在输入端串联电池,使电压达到 24V。将输出与灯测试仪并联,并保持正确的连续刻度(大约 50V)。开始转动电位器,直到灯的亮度和测试仪显示12V。
龙腾半导体SGT MOSFET LSGT085R018在智慧农业无