时间:2023-07-15 14:30
人气:
作者:admin
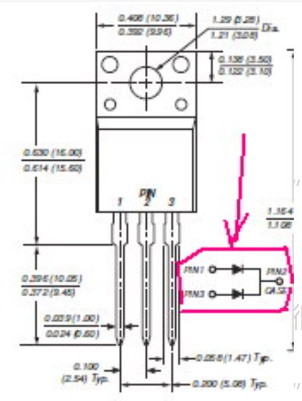
三个脚的二极管叫“半桥”意思是“桥式全波整流的一半”,它有“共阳极”和“共阴极”两种;
三个管脚的二极管通常指具有阴极、阳极和基极三个引脚的双极晶体管(BJT)。BJT是一种常见的半导体器件,具有放大、开关等功能,广泛应用于电子电路中。
在BJT中,阴极和阳极构成PN结,而基极则通过控制PN结之间的电流来实现放大或开关。具体来说,当在基极-发射极之间施加足够大的电压时,就会激发出一个少数载流子,使得从集电极到发射极之间的电流得以流动。这种流动的电流称为集电极电流,其大小与基极电流之间的比例关系可以通过Bjorken关系来描述。
三个管脚的二极管通常用于模拟电路中的放大器电路,其中基极电流用于控制集电极电流的变化,从而实现信号的放大。此外,三个管脚的二极管还可以用于开关电路中,其中基极电压的变化可以控制从集电极到发射极之间的电路通断。
需要注意的是,虽然三个管脚的二极管在结构上和普通的二极管不同,但其原理基本相同。此外,三个管脚的二极管还存在多种型号和参数,具体应用需要根据具体情况选择合适的型号。
它有2个作用:
1.用2个“半桥”(“共阳极”一个和“共阴极”一个)可以做成“桥式全波整流”;
2.当变压器有双绕组电压(三个抽头,中间接地)时,只要用一个“半桥”就可以做成标准的“全波整流”,只不过它不叫“桥式全波整流”,就叫“全波整流”,很经典。
“半桥”如图,红色部分是内部元件组成关系图,图中是“共阴极”半桥。

上一篇:电感升降压电路基本原理
龙腾半导体SGT MOSFET LSGT085R018在智慧农业无