时间:2023-07-05 17:05
人气:
作者:admin
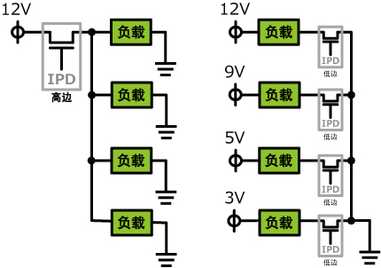
相对于外部负载,将半导体开关配置在上侧电路(电源侧)的叫作高边驱动,配置在下侧电路(GND侧)的叫作低边驱动。

【高边驱动/低边驱动】
高边开关与低边开关的区分使用
相对于外部负载,IPD有适用于上侧电路的高边开关和适用于下侧电路的低边开关,各种配置有各自适用的电路设计。
如下图左侧所示,对于电源电压固定且配置了各种负载的电路,例如在汽车等电池固定电压、车身GND接地的环境下,输出容易发生短路,检测异常状态适合使用容易进行接地检测的高边开关。
如下图右侧所示,负载配置在各种电源电压下的电路则适合使用低边开关。低边开关是MOSFET的源极GND接地,通过向栅极施加输入电压动作。其控制与单独使用MOSFET相同,容易从单独使用MOSFET进行替换。

【高边/低边区分使用】
上一篇:高性能半导体电源开关IPD的特点
龙腾半导体SGT MOSFET LSGT085R018在智慧农业无