时间:2023-06-25 10:34
人气:
作者:admin
LTC3892 是一款通用控制器,广泛应用于汽车和工业应用领域。该控制器的主要优点是能够通过调节开关 MOSFET的栅极电压降低功耗,并且在关断时具有极低的静态电流,仅为 3.6 μA。这是一款具有 4.5 V 至 60 V 输入/输出电压范围的高电压系列控制器。它对工业客户非常有吸引力,因其能在 48V 输入电源轨应用中采用成本更低的紧凑降压型转换器替代昂贵、笨重的变压器。高电压控制器通过免除外部瞬态和过压保护电路简化了整体设计,从而显著降低了 12 V 和 24 V 输入轨应用中汽车电子设备的成本。
电路说明和功能
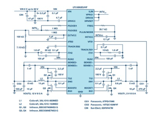
图 1 示出了一款双输出降压型转换器,VOUT1 为 5 V/8 A,VOUT2 为 12 V/5 A。该转换器采用了 LTC3892,此控制器可提供 32 引脚 QFN 封装,并拥有以下功能:电流检测电压范围可通过 ILIM 引脚设置、VPRG1引脚能够在无需使用外部电阻分压器的情况下将输出电压设定为 3.3 V 或 5.0 V、PGOOD引脚用于指示两个输出的电源良好。LTC3892 还通过在发生过压时接通底端 MOSFET 为两个通道提供输出过压保护。此芯片通过实施折返电流限制提供针对短路情况的保护。

图 1. LTC3892 应用于一款双输出 DC/DC 转换器 (VOUT1 为 5 V/8 A,VOUT2 为 12 V/5 A) 时的电原理图。
第一个通道的功率链路包括 MOSFET Q1、Q4、电感器 L1 和一个基于 CO1 的输出滤波器。第二个通道的功率链路包括 MOSFET Q2、Q3、电感器 L2 和一个基于 CO2 的输出滤波器。MOSFET 不是逻辑电平器件,引脚 DRVUV 和 DRVSET 连接至 INTVCC,以提供一个 10 V 栅极驱动电压。引脚 VPRG1 连接至 INTVCC,以在第一个通道上选择 5 V 输出电压。图 2 示出了转换器的效率。 DC1998A用于测试。

图 2. 双输出 DC/DC 转换器的效率曲线。
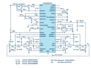
图 3 示出一款单输出、双相降压型转换器。该转换器采用了LTC3892-2,这是一款拥有32引脚QFN封装的控制器,具有与LTC3892类似的功能。但是两个保护电路被禁用:没有过压保护,也没有由短路禁止电路提供的保护。该芯片可用于高功率电池充电器应用,此类应用不会用到也不需要这些保护功能。LTC3892-2的另一个优点是它能够在与外部时钟同步的同时支持脉冲跳跃操作模式。这提高了轻负载运行时的效率。

图 3. LTC3892-2 应用于一款单输出 DC/DC 转换器 (VOUT 为 12 V/30 A) 时的电原理图。
如需将双输出控制器转换为单输出,则将一个通道的 ITH、FB 和RUN 引脚连接至第二个通道的对应引脚。通过设定从 DRVSET 引脚引出的电阻器 RG 将 DRVCC 的栅极电压选择为 9 V,可以较大限度降低栅极损耗。图 4 示出了单输出转换器的效率。 DC2493A用于评估。

图 4. 单输出 DC/DC 转换器的效率曲线。
该系列的最后一款 IC 是 LTC3892-1。这款芯片的引脚数目较少,采用 28 引脚 TSSOP 封装,不具备 PGOOD 功能,而且没有可选的电流限制,但是它提供了过流和过压保护。
结论
LTC3892 系列控制器可以在高输入/输出电压、高功率应用中成功使用。LTC3892 和 LTC3892-1 具备设计全功能型 DC/DC 转换器所需的各种保护特性。LTC3892-2 是高功率充电器应用的理想选择。
审核编辑:郭婷
上一篇:OTG硬件检测电路介绍
龙腾半导体SGT MOSFET LSGT085R018在智慧农业无