时间:2023-06-25 14:59
人气:
作者:admin
由于TTL电路的晶体管(BJT)在电压转换过程中分别工作在“饱和状态”和“截止状态”,使得切换速度受到了很大的限制(PN结大电流模式下,存在较大的扩散电容,导致反向恢复时间较长,具体参考《关于PN结的那些事》和《三极管基础》相关章节内容);虽然STTL电路采用了肖特基钳位晶体管和新工艺,抑制了晶体管的过饱和及寄生电容,使得电路的速度进一步得到了提升,但仍然没有完全摆脱“饱和”这一工作状态。
ECL结构输出的工作原理,我们已在《逻辑门电路高速特性》中做了部分介绍;ECL电路(Emitter Coupled Logic):发射极耦合逻辑电路与TTL/CMOS不同,是一种非饱和型的数字逻辑电路。如下图所示,其电路内部的晶体管(BJT)工作在线性区(非饱和区)或截止区,从根本上消除了限制速度提高的少数载流子的存储时间(无扩散电容,反向恢复时间短)。因此,它是现有各种逻辑电路中速度最快的电路形式,电路平均延时可以做到亚ns级别。
典型的基本ECL门电路(单端)的输出结构由三部分组成:差分放大器输入电路,温度-电压补偿偏压网络以及射极跟随器输出电路;具体结构如下图所示。

1, 关于VNOR管脚输出电平的分析:
(1)A或B为高电平时:Vc1为低电平,T3被关断, T3输出输出端下拉至VEE;
(2)A和B都为低电平时:Vc1为低电平, T3导通,T3输出端上拉至Vcc;
(3)可得T3端管脚输出电平逻辑关系:VNOR = /(A+B)。
2, 关于VOR管脚输出电平的分析:
(1)A或B为高电平, T1A或T1B被打开,其电流通过电阻RE至VEE,此时T2的E极与VEE之间产生一个压降(即VE >VEE),T2管的VBE (VBB和VE电压)不足以将T2打开,Vc2为高电平,T4导通,T4输出端上拉至Vcc;
(2)A和B都为低电平时,T4输出端才为低电平,T2的E极电压为VEE,T2管导通,Vc2为低电平,T4关断,T4输出端下拉至VEE;
(3)得T4端管脚输出电平逻辑关系:VOR = A+B。
——根据输入T1导通或T2导通,构成电流开关。
——VBB电压是判断T2是否能打开的关键,需要在不同电压以及温度下实现一个稳定的偏置。
——不论是T3或则T4导通,所形成的发射极电流IE都很接近,该电流受Vc1和Vc2控制,就像一个电流开关。
1, 保持输出相位不变,逻辑关系不变;
2, 实现输出电平的位移,防止输入晶体管饱和,使输入、输出电平匹配;
3, 射极跟随器输出阻抗低,提高了负载能力。
如之前章节所述,一般情况下ECL电路的负电源为-5.2V,而Vcc为GND(0V);其典型逻辑低电平VOL ≈ -1.72V,逻辑高电平VOH ≈ -0.88V,而VBB ≈ -1.30V为逻辑电平的中间值;VIH ≈ -1.24V,VIL ≈ -1.36V。
当输入端从-1.72V跳变为-0.88V(由0变为1),Vc1由0V变为-0.88V,而此时Vc2由-0.88V变为0V(由0变为1),即定偏管T2同相输出;如下图所示。
——T1和T2起到了反相器的作用。

随着技术的发展,又出现了LVECL逻辑电平器件,它是将电源由VEE = -5.2V调整为 -3.3V 或者是 -2.5V,这样做的目的是降低器件的功耗,利于电路设计的器件的互连。由于Vcc电平为地电平(0V)未变,而其它的电平是相对于此电平的,所以其他的电平值(VBB、VOH、VOL、VIH、VIL)也都没有改变。
ECL 电路是根据高速噪声数字的应用要求设计的,它具有以下独特的优点:
——ECL系统与等效的TTL系统相比,其工作速度至少快一倍以上。
——其输入阻抗高(约10KΩ),输出阻抗低(约7Ω),允许电路有很高的扇出能力。
——相比于单端信号,串扰耦合到差分线(紧耦合)上的噪声一般都是等同地出现在该差分线的每条线上(具体原理参考:《特殊的串扰-差分信号》相关章节),而接收器只响应两条线上的电压差,所以可大大抑制引线串扰的影响,从而易于实现远距离的数据传输。
——驱动同轴电缆时,其距离只受电缆频带宽度的限制,而且可以改善系统的性能,驱动双绞线的长度可以在约 300m( 1000f t) 以上,并且较同轴电缆经济。
但ECL逻辑门电路在工作过程中:1,晶体管(BJT)工作在线性区;2,每对开关管是轮流导通的,对整个电路结构来说没有“截止”状态;ECL电路结构相对TTL来说损耗更大(传输功耗更高)。从某种意义上来说,ECL电路开关速度的提高是以牺牲功耗换取来的。
ECL电路中采用了负电源(-5.2V),显然这与我们现在的一般硬件电源系统不匹配。所以如果去掉ECL电路中的负电源,采用正电源系统(+5V),那么我们就可以将Vcc接至+5V,而VEE接至GND;这样的电平被称为PECL:Positive Emitter Coupled Logic。那如果将Vcc改为+3.3V,那么就称为LVPECL。当然,此时的高、低电平的定义是不同的。
如下图所示,左侧为差分ECL电路,右侧为PECL电路;虽然只是将负电源改为了正电源,但其结构发生了很大的变化。
——可能源于ECL的优势在于差分信号上,所以PECL直接定位为差分而无单端应用场景。
——如下右图所示,当T1端输入为高(VIHmax = Vcc-1.16),为使得T1不进入饱和区,则T1的集电极(C极)电压最小为VCC-1.3V(VBB = Vcc– 1.3V),为了使输出的三极管T4不进入截止区,则其偏置电压不应大于VCC-2V(T4的VBE = 0.7V),偏置电压取VCC-2V是为了避免器件功耗过大。
——PECL输出电平平均值VBB ≈ 3.7V(即Vcc – 1.3V),所以端接50Ω至Vcc-2V时输出的直流约14mA。

PECL由于采用了单正电源系统,所以应用比ECL更加广泛,而LVPECL使用3.3V或更低电压电源供电,相比更具有低功耗的优势。PECL电平电压参数如下图所示。

1, Vcc = 5V,VEE = 0V,VBB ≈ 3.7V;
2, VOH ≈ 4.12V,VOL ≈ 3.28V;
3, VIH ≈ 3.76V,VIL ≈ 3.64V。
1, Vcc = 3.3V,VEE = 0V,VBB ≈ 2.0V;
2, VOH ≈ 2.42V,VOL ≈ 1.58V;
3, VIH ≈ 2.06V,VIL ≈ 1.94V。
ECL/PECL/LVPECL电路是发射极耦合电路,需要在外部线路上提供一个电流通路(终端并联匹配);ECL采用的是负电源电压供电,有两种匹配方案:
1, 分压电平:R2/(R1+R2) *(-5.2V) = -2.0V;
2, 为了传输线阻抗匹配,必须使得Z0 = R1//R2,如下右图所示。

1, 直接将R连接至-2.0V;
——需要由单独的-2.0V供电电源。
2, 同样为了保持传输线的阻抗匹配,必须使得R = Z0。

——对于第二种匹配方式,大家是否有种熟悉的感觉?在DDR总线的地址和控制线上,我们会上拉到VTT电源上,但有时又会采用分立上下拉电阻的方式;这是什么原因呢?
对于ECL差分信号的匹配,如下图所示;对于松耦合的差分线(即Zdiff = 2Z0)来说,取R = 2Z0,保证差分线的阻抗匹配(忘记了的胖友们哪,你是忘了金斧头还是银斧头哪?捡金斧头的请回翻《特殊的串扰-差分信号》相关章节;多回顾才能有更深的理解和收获,才能将所有的知识内容串起来);R1则需要保证ECL电路输出的偏置电流。

PECL/LVPECL电路的电路匹配方式如下图所示,总共有两种匹配方式:直流耦合和交流耦合;图中只画了差分对中的一条。
1, 该50Ω终端电阻尽量靠近PECL输入端;
2, 直流偏置电平为Vcc -1.3V。
——非标准PECL的直流偏置电平可能不是Vcc-1.3V。

1, 如上所述Vcc-2V和VEE(直流偏置电平:Vcc-1.3V)之间相差0.7V(刚好维持导通状态),可以尽量减小发送端器件的功率消耗;
2, 即使最坏情况下,也尽量保证输出驱动电路不进入截止模式。
1, PECL输出端,发射极开路晶体管(BJT)需要一条到地的直流通路,于是增加了130Ω的电阻(LVPECL,对于PECL来说需要240Ω),其电流大约为15mA;
2, PECL输入端,没有直流电流从输出端流过交流耦合电容并进入PECL输入端,终端匹配电压:Vcc-1.3V成为了耦合电容右侧电路的偏置电压。
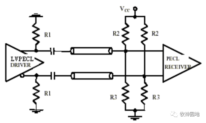
接下来我们看下完整的PECL/LVPECL差分对的匹配电路;
1, 对于PECL电路Vcc = 5V,我们可以计算得到:R1 = 83Ω,R2 = 125Ω;
2, 对于LVPECL电路Vcc = 3.3V,我们可以计算得到:R1 = 125Ω,R2 =83Ω。
1, 对于PECL电路Vcc = 5V,我们可以计算得到:R2 = 68Ω,R3 = 193Ω;
——R1为PECL射极输出电路提供输出到地的通路,如上所述PECL(+5V)时取R1 = 240Ω,流过R1的电流约为15mA。
2, 对于LVPECL电路Vcc = 3.3V,我们可以计算得到:R2 = 83Ω,R3 = 125Ω。
——R1为LVPECL射极输出电路提供输出到地的通路,如上所述LVPECL(+3.3V)时取R1 = 130Ω,流过R1的电流约为15mA。

PECL到LVPECL的电路匹配也可以分为直流耦合和交流耦合两种。
1, 在A点需要满足PECL输出要求:R1//(R2+R3) = 50Ω,5*(R2+R3)/(R1+R2+R3) = 3V;计算可得,R1 = 83Ω,R2+R3 = 125Ω;
2, 在B点其交流摆幅需满足:Vbac = Vaac*R3/(R2+R3),其中0.575
——将R2和R3代入Vbac和Vaac的转换公式,可得到Vbacmax = 0.522V,Vbacmin = 0.3128V,满足LVPECL的规格要求。

1, R2和R3需满足:R2//R3 = 50Ω,3.3V*R3/(R2+R3) = 2.0V;可得R2 = 83Ω,R3 = 130Ω;
2, R1同样是作为PECL的输出对地通路,我们已经知道PECL时R1 = 240Ω。
那么从LVPECL到PECL的电路匹配呢?我们一般采用交流(AC)耦合方式(直流耦合方式的电平不够高)。如下图所示;

——可以驱动50Ω~130Ω特征阻抗的传输线而交流特性没有明显的改变;
——在高于5GHz的应用中,基本上就是CML和ECL电平。
1, 功耗大;
2, 噪声容限小,抗干扰能力弱;
——逻辑摆幅800mV,噪声容限200mV;ECL的高性能是用高功耗、低噪声容限为代价换来的。
——ECL信号噪声容限较低,比较容易受到串扰的影响。
——注意不要有长线穿越两个+5V 区域的边界,同时在两个+5V 平面用电流量足够大的 1μH 电感串接,可以减小 TTL 噪声进入 ECL 系统。
——若要接为高电平,不能直接接到 VCC(除非器件资料特别说明),必需通过电阻网络分压或通过二极管压降来满足输入不超过 VIHmax,或通过别的无用输出来实现。
LVPECL是我们在高速信号传输中最常用的电平;由于其驱动能力强、传输距离远,抖动小等优点,一般要求较高的高频时钟信号(>100MHz)采用LVPECL电平比较多。
上一篇:MOS管的栅极开通驱动电阻
下一篇:LVDS&CML电平设计基础知识
龙腾半导体SGT MOSFET LSGT085R018在智慧农业无