时间:2023-06-14 16:20
人气:
作者:admin
源极和漏极之间的关断电容CDS(OFF)可用来衡量关断开关后,源极信号耦合到漏极的能力。它是固态继电器(如PhotoMOS®、OptoMOS®、光继电器或MOSFET继电器)中常见的规格参数,在固态继电器数据手册中通常称为输出电容COUT。CMOS开关通常不包含此规格参数,但关断隔离度是表征相同现象的另一种方法,关断隔离度定义为,开关关断状态下,耦合到漏极的源极的信号量。本文将讨论如何从关断隔离度推导出COUT,以及如何通过它来更有效地比较固态继电器和CMOS开关的性能。这一点很重要,因为CMOS开关适合许多使用固态继电器的应用,例如切换直流信号和高速交流信号。
如何从关断隔离度导出 CDS(OFF)
图1显示 ADG5412的关断隔离度与频率的典型性能图。该图显示,当源极上的信号频率上升时,关断隔离度降低。

图1.ADG5412关断隔离度与频率的关系(±15 V双电源)。
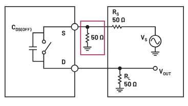
这意味着,随着信号频率增加,源极上有更多信号会出现在关断开关的漏极。如果您观察开关的等效电路在关断状态下的表现,如图2中的测试电路所示,会发现这种状况不足为奇。当开关处于断开状态时,源极和漏极之间存在寄生电容,即图中的CDS(OFF)。这种寄生电容使高频信号能够通过,关断隔离图就是为了确定这些特征。

图2.关断隔离度测量测试电路。
我们从图2所示的测试电路中获取VS和VOUT,然后将它们代入以下公式中,以计算关断隔离度:

将从关断隔离图中得到的结果应用到开路开关的等效电路中,可计算得出CMOS开关的CDS(OFF)。首先,如果考虑关断开关通道和负载,我们可以将电路视为高通滤波器,如图3所示。

接下来,考虑源电压VS及其阻抗,如图2所示。源阻抗RS为50 Ω,与50 Ω负载阻抗RL匹配。假设在理想情况下,CDS(OFF)短路,那么在阻抗相等时,VS为VIN的2倍。这意味着,当根据VS计算转换函数时,整个转换函数会翻倍。
所以,整个系统的转换函数为:

这意味着,如果知道RL、输入信号的频率f,以及关断隔离规格值(dB),就可以计算出CDS(OFF)。这些值可以在ADI公司产品系列中的开关或多路复用器产品的数据手册中找到。以下示例将展示其执行步骤。
CDS(OFF)计算示例
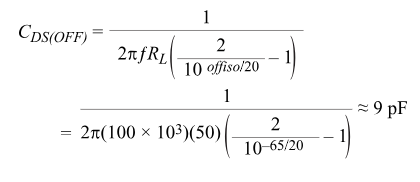
本例使用受SPI控制的4路SPST开关 ADGS1612。ADGS1612的关断隔离规格为−65 dB,可以在数据手册中的表1中找到。根据关断隔离规格的测试条件部分,RL为50 Ω,信号频率f为100 kHz。将这些值代入CDS(OFF)公式,可以计算得出电容值。

注意,在开关与多路复用器的关断隔离测量电路中,在开关通道的源极引脚之前,可能包含一个额外的50 Ω端接电阻,如图4所示。采用以这种方式测量得出的关断隔离规格,仍然可以使用CDS(OFF)公式进行计算。但是,如果源极引脚使用50 Ω端接电阻(随后用于CDS(OFF)公式中),需要在数据手册给出的关断隔离规格的基础上加上6 dB。这是为了进行补偿,因为源极的50 Ω端接电阻会使电压减半,相当于−6 dB。

图4.源极上具有50 Ω端接电阻的关断隔离度测试电路。
CMOS开关与固态继电器的关系
表1显示从ADI公司产品系列中选择的开关产品的CDS(OFF)值。 ADG54xx 和 ADG52xx 系列可以处理摆幅高达44 V的信号电压, ADG14xx 和 ADG12xx 系列可以传输摆幅高达33 V的信号电压。这种可比较信号的范围为30 V至40 V固态继电器。表中的最后一列还显示了如何使用CDS(OFF)和开关导通电阻来计算RON、CDS(OFF)乘积,在固态继电器中,它被用作等第值(order of merit)。RON、CDS(OFF)乘积显示在开关开启时,对信号的衰减影响非常小,以及开关在关断时,阻截高速信号的作用有多强。该表显示 ADG1412 的RON、COFF乘积小于5,在市面上的固态继电器中,这一点相当有优势。
| 最大电源电压 | 关断隔离 | CDS(关断) | 导通电阻 | R×C | |
| ADG5412 | ±22 V, +40 V | −78 dB @ 100 kHz | 4 pF | 9.8 Ω | 39.2 |
| ADG5212 | ±22 V, +40 V | −80 dB @ 1 MHz | 0.32 pF | 160 Ω | 51.2 |
| ADG1412 | ±16.5 V, +16.5 V | −80 dB @ 100 kHz | 3.2 pF | 1.5 Ω | 4.8 |
| ADG1212 | ±16.5 V, +16.5 V | −80 dB @ 1 MHz | 0.32 pF | 120 Ω | 38.4 |
与固态继电器相比,CMOS开关具有多项优势。具体包括:
更易于驱动开关逻辑
ADI公司大部分CMOS开关的典型数字输入电流为1 nA,而固态继电器中二极管的推荐正向电流为5 mA。这意味着,CMOS开关易于直接被微控制器上的GPIO控制。
更快的开关速度
ADG1412的典型开启时间为100 ns,固态继电器的开启时间为几百毫秒。
单个封装内集成更多开关
例如, ADGS1414D 采用5 mm × 4 mm封装,具有8个开关通道、1.5 Ω导通电阻和5 pF CDS(OFF)。也就是说,每2.5 mm2封装面积内一个开关。
结论
开关在关断状态下阻截信号的能力至关重要。在固态继电器中,COFF规格用于衡量开关两端的电容,它允许输入信号耦合到关断开关的输出。在CMOS开关中,不会直接测量此电容;但是,可以通过关断隔离度规格来推算此电容。通过推导开路开关的转换函数,可以使用关断隔离度值(dB)、输入信号的频率和负载电阻来确定CDS(OFF)。在比较CMOS开关和固态继电器的COUT规格时,CDS(OFF)是一个重要值。此外,CDS(OFF)还可用于计算RON、CDS(OFF)乘积,这是一个等第值,用于显示开关的整体关断隔离和信号丢失性能。这样针对应用选择开关时,就可以更直观对CMOS开关和固态继电器进行比较选择。相比固态继电器,CMOS开关也有诸多优势,例如,更易于驱动开关逻辑、更快的开关速度,以及能够在封装中集成更多开关。
审核编辑:郭婷
上一篇:信号完整性之IBIS模型简介
龙腾半导体SGT MOSFET LSGT085R018在智慧农业无