时间:2023-06-02 15:28
人气:
作者:admin
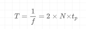
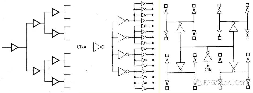
奇数个反相器首尾相连即构成环形振荡器(简称 「“环振”」 ),每个反相器两端出现周期性振荡信号。

环形振荡器
假定每个反相器都相同,所产生的时 钟周期T或频率f取决于反相器链的级数N和反相器的传播延时tp

可通过改变反相器的级数以及每个反相器的面积来改变输出的时钟频率。
「环形振荡器的优缺点如下:」
针对该时钟的特点,因此该时钟适用于对精度和稳定度要求都不高的片上时钟产生器。
晶体震荡电路主要构成如下,主要由晶体谐振器产生震荡,电容进行滤除振荡产生的谐波,放大器将筛选出的频率进行维持并进行放大,从而产生稳定的时钟信号。

石英晶体两端加上电压后,就会产生振荡电流(机械能 ↔ 电能),振荡频率由晶体的尺寸与形状决定(晶体越薄越小,频率越高)。
「晶体振荡器的优缺点如下:」
锁相环 (PLL) 是一种反馈电路,且为模拟电路,性能受工艺、电源噪声、温度等的 影响显著,设计难度较大。
PLL电路的工作原理是将外部信号的相位与压控晶体振荡器 (VCXO) 产生的时钟信号的相位进行比较。然后,电路调整振荡器时钟信号的相位以匹配参考信号的相位。因此,原始参考信号和新信号彼此是精确同相的。

PLL锁相环电路
一个锁相环PLL电路通常由以下模块组成:
DLL和PLL具有类似的功能,可以完成时钟高精度、低抖动的倍频和分频,以及占空比调整和移相等功能。DLL即Delay Lock Loop,主要是用于产生一个精准的时间延迟,且这个delay不随外界条件如温度,电压的变化而改变。PLL利用压控振荡器调整频率来改变相位,DLL利用压控延迟线调整延时来改变相位。
DLL调整相位的方法是用压控延迟线(VCDL,Votage-Controlled Delay Line)而非 VCO,通过改变延时而非频率。
「PLL/DLL电路的优缺点如下:」
全局时钟(Global Clock)。一般的时钟都指的是全局时钟,全局时钟在芯片中的体现形式是时钟树。

时钟树
它是由片上的时钟管脚引入,经过锁相和放大之后进入时钟树,输出给寄存器的稳定、可靠的时钟信号。这种时钟的时延通常被设计得最小,相对抖动也最小。

对于内部时钟最早的接触应该就是使用计数器输出的计数值的相关逻辑做分频时钟。但如果设计不当,该部分会导致设计功能和时序问题。组合逻辑电路的常见的引起设计错误的问题:毛刺和延时,同时也是组合逻辑搭建的时钟所面对的问题。往简单了说,组合逻辑的毛刺会引起功能的异常,降低系统的稳定;延时会引起在时钟进行时序分析的相关问题,下面就这两方面进行说明。
组合逻辑搭建的时钟产生器会引入毛刺,使功能出现问题,此外由组合逻辑所导致的延迟也会导致时序方面的问题。在同步设计中,数据输入端的毛刺不会引起任何问题,因为数据是在时钟边沿处捕获的,所以可以将毛刺自动滤掉。然而,如果毛刺或尖峰脉冲出现在时钟输入端(或者寄存器的异步输入端)就会产生明显的影响。
下图通过逻辑设计产生了时钟,时钟产生部分包含一些组合逻辑,而计数器的寄存器是对边沿敏感的,这就导致下图的设计毛刺会明显影响到计数器的值。

逻辑设计时钟产生
在下面这个例子中可以看到,由于时钟沿处的毛刺,计数器在所示的时钟周期上递增了两次。由于时钟毛刺的作用,计数器增加了额外的计数值,这样就可能导致功能出现问题。

毛刺导致逻辑错误
窄毛刺会违背寄存器的最小脉冲宽度要求。在毛刺到达时钟输入端时,如果寄存器的数据输入变化,会违背建立和保持时间。即使设计没有违背时序要求,寄存器也可能输出意料之外的值,使整个设计功能出现风险。
解决毛刺引发的设计功能问题,最简单的办法就是使用寄存器在时钟产生逻辑后寄存输出,这样无论前级的时钟产生部分的代码是否存在毛刺,都使用触发器做了寄存,降低了毛刺引起功能错误的风险。

解决方法
分析完毛刺的影响,下面分析下组合逻辑构建的时钟引入的延迟问题。
用来产生内部时钟的组合逻辑也会增加时钟线上的延迟。在某些情况下,时钟线上的逻辑延迟会导致时钟偏移比两个寄存器之间的数据路径延迟更大。如果时钟偏移大于数据延迟,就会违背寄存器的时序要求,设计的功能也不会正确。
因此,就需要设计时钟时尽量减少时钟偏斜,一种减少时钟偏移的方法是将产生的时钟放到SoC中高扇出且低偏移值的时钟树上。「使用低偏移值时钟树有助于减少信号整体的时钟偏移。」
许多设计需要来自于主时钟的分频时钟。在设计中要保证大多数时钟来自于PLL。使用PLL能避免由异步时钟分频逻辑引起的许多问题。在对主时钟进行分频时,应该始终使用同步计数器或状态机。
此外,设计应该保证总是由寄存器直接产生分频时钟信号。不要对计数器或状态机的输出进行解码,然后产生时钟信号;这种实现方式常会导致毛刺和尖峰脉冲。可参考内部时钟的举例。
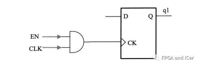
门控时钟的时钟线上的门控单元会导致时钟偏移,并会引入尖峰脉冲作用于触发器。但在涉及到低功耗设计时(通常ASIC中),门控时钟还是比较常用的。

门控时钟
行波计数器:将触发器前级输入引脚连接至下个寄存器的输入引脚,依次级联。由于第一个触发器时钟到Q的延迟而使第二个触发器的时钟输入产生偏移,而且不能在每个时钟边沿都激活。此时,延时逐渐累积会在引入时序分析和综合麻烦,因此需要尽量避免使用这种结构,

行波计数器

积累延时
尽管使用行波计数器(或者行波时钟)存在各种问题,但是在功耗较高的系统中很适合使用这种计数器,因为这样能大量降低由逻辑或SoC所引起的峰值功耗。
时钟多路器用于使同一个逻辑功能具有不同的时钟。某些类型的多路逻辑选择如下图所示的时钟源。

多路逻辑选择时钟源
例如,需要处理多个频率标准的通信应用常常使用多个时钟。虽然在时钟信号上引入逻辑上的问题,是在不同的应用中对多路时钟的要求差别很大。
在能满足下面的标准,时钟多路操作就是可接受的:
如果设计中时钟切换很频繁,并且不在复位时切换,设计也不能容忍芯片中出现短暂的错误响应,就必须使用同步设计以确保寄存器没有违背时序,时钟信号上不出现毛刺同时没有竞争条件或其他麻烦。
为了实现时钟切换,在xilinx的原语中,存在CLK选择的结构以供设计者进行选择设计,按下面的原语示例,设计时需要控制信号S满足建立时间和保持时间,可实现时钟的无毛刺切换。
BUFGMUX #(
.CLK_SEL_TYPE("SYNC") // ASYNC, SYNC
)
BUFGMUX_inst (
.O(O), // 1-bit output: Clock output
.I0(I0), // 1-bit input: Clock input (S=0)
.I1(I1), // 1-bit input: Clock input (S=1)
.S(S) // 1-bit input: Clock select
);
双边沿时钟是指在时钟的上升沿和下降沿都进行数据传输,两个触发器由两个相位相反的时钟信号控制。

双边沿或混合边沿时钟
这样操作会为使用同步复位和使用插入扫描链这样的测试方法带来麻烦,同时也会增加确定关键信号的路径的难度。
但双沿采样时钟也是有好处的。
双沿时钟使得原本一个周期输出/输入一个数据的架构,改变为一个周期输出/输入两个数据,这样在不升高时钟频率的前提下,提升了信号的吞吐率,从而带来 「性能的提升」 。另外一个使用双沿时钟的优势是 「降低功耗」 ,因为时钟频率减半,所以系统的功耗只有等效同步电路的一半。
但一般情况下,不建议使用双边沿时钟,这是因为:
在FPGA中的通常高速传输时会用到双沿采样时钟,DDR存储同样也是使用的双沿采样,但在常规情况下不使用双沿采样时钟。
龙腾半导体SGT MOSFET LSGT085R018在智慧农业无