时间:2023-05-29 14:13
人气:
作者:admin
目标
本次实验的目标是探索将发光二极管(LED)用作光电二极管光传感器,将NPN和达灵顿NPN晶体管用作光传感器的接口电路。
背景知识
光电二极管暴露在光线下时,会产生与光强度成正比的电流。此类光产生的电流与普通二极管或LED中的电流方向相反。随着更多光子击中光电二极管,电流增大,导致二极管两端产生电压。随着二极管两端的电压增大,线性度会降低。
除了发射光以外,LED还可用作光电二极管光传感器/检测器。这种功能可用于多种应用中,包括环境光水平传感器和双向通信。作为光电二极管时,LED对等于或短于其发射的主波长的波长非常敏感。绿色LED对蓝色光和一些绿色光敏感,但对黄色光或红色光不敏感。例如,红色LED可以检测到黄色LED发射的光,黄色LED可以检测到绿色LED发射的光,但绿色LED无法检测到红色或黄色LED发射的光。3个LED全都会检测到白光或蓝色LED发射的光。白光中包含绿色LED能够检测到的蓝光成分。回想一下,可见光波长可以按最长到最短的顺序列出,分别为红、橙、黄、绿、蓝、靛蓝、紫(记住有助记忆的首字母缩略词ROYGBIV)。紫光是所有各色可见光中波长最短、光子能量最高的光,红光是波长最长、光子能量最低的光。
对于广谱照明(例如一般的室内照明),采用透明塑封的LED比采用彩色塑封的LED(例如 ADALP2000模拟套件中包含的LED)更为灵敏。
要将LED用作光检测器,切勿将LED正向偏置到电流电压(I-V)曲线的1象限(工作电压和电流都为正)中。允许LED在太阳能电池模式下运行,即象限4(工作电压为正,电流为负),或在光电二极管模式下运行,即象限3(工作电压为负,电流为负)。在太阳能电池模式下,不施加任何偏置电压。太阳能电池(在本例中为LED)自行产生电流和电压。
材料
ADALM2000 主动学习模块
无焊试验板
跳线
两个2N3904 NPN晶体管(或SSM2212 NPN匹配对)
一个100 kΩ电阻
一个2.2 kΩ电阻
三个LED(红、黄和绿多种颜色)
一个红外光LED (QED-123)
说明
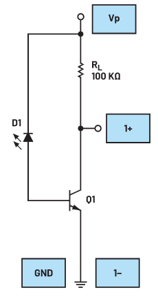
在无焊试验板上搭建图1所示的LED光传感器电路。注意,LED二极管D1是反向偏置的,也就是说,与作为光发射器的连接方式相反。光生成的电流作为基极电流流入Q1,在乘以晶体管的电流增益ß之后进入集电极中。

图1.LED和单个共发射极NPN光传感器。
硬件设置
使用ADALM2000模块中设置为5 V的可变正电源为电路供电。使用示波器通道1监测Q1集电极节点的电压。

图2. LED和单个共发射极NPN光传感器面包板电路。
程序步骤
如图所示,一次一个,依次将红光、黄光或绿光LED插入电路中。尝试让ADALP2000模拟套件中这三个不同颜色的LED接触不同的光源,例如与LED传感器间隔不同距离的标准白炽灯、荧光灯和LED灯。观察Q1集电极上显示的电压波形。尝试插入套件中的红外光LED,观察该LED在接触不同光源时的响应。尝试通过将RL值增大到200 kΩ或470 kΩ,以提高其灵敏度或增益。
图3、图4和图5为Scopy波形图示例。

图3.红光LED和单个共发射极NPN光传感器,LED灯处于最远距离。

图4.红光LED和单个共发射极NPN光传感器,LED灯处于中等距离。

图5.红光LED和单个共发射极NPN光传感器,LED灯处于最近距离。
第2步指导
按照图6所示的达灵顿配置,更改面包板上的电路。在更改电路之前,确保先关闭电源。使用达灵顿晶体管之后,Q2的发射极电流变成Q1的基极电流,使得LED D1由光生成的电流乘以ß2,会出现在Q1和Q2集电极的负载电阻RL中。此电流增益更高,所以我们能使用电阻值更低的负载电阻。

图6.LED和达灵顿NPN光传感器。
第2步 硬件设置
面包板连接如图7所示。

图7.LED和达灵顿光传感器面包板电路。
第2步 流程
重复相同的流程:将不同的LED插入D1的电路,然后测量LED对不同光源的响应。
图8、图9和图10为Scopy波形图示例。

图8.红光LED和达灵顿光传感器,LED灯处于最远距离。

图9.红光LED和达灵顿光传感器,LED灯处于中等距离。

图10.红光LED和达灵顿光传感器,LED灯处于最近距离。
审核编辑:郭婷
下一篇:ADALM2000实验:锁相环
龙腾半导体SGT MOSFET LSGT085R018在智慧农业无