时间:2023-05-18 15:43
人气:
作者:admin
1
失调Offset + 温漂Temp drift

1.失调是输入端的非对称偏差;
2.失调乘以增益是最终输出偏差;
3.失调的单位是V/mV/µV;

1.失调是温度的函数;
2.失调随温度的变化成为温漂;
3.温漂的单位是µV/℃;
总结:失调=offset + drift*T
失调是影响直流精度的首要因素,失调可以通过运放端子或者系统硬软件来校准,但是温漂的影响难以避免。
2
**输入偏执电流IB + 输入阻抗ZIN + 输入失调电流IOS **


1.双极型的放大器输入偏执电流即三极管的基极电流;
2.CMOS输入偏执电流即保护二极管的漏电流;
3.失调电流即两个端子偏执电流的差异;


1.输入阻抗不等于输入电压除以IB;
2.输入阻抗等于共模电压变化值除以IB 变化值;
总结:当信号的阻抗很高时,输入偏执电流和输入失调电流就会产生较大的误差!
3
开环增益Open loop Gain


1.运放的所有计算理论都是基于虚短虚断原理的,而虚短虚断原理又是基于开环增益无穷大的假设前提下的;
2.运放的开环增益实际上都不是无穷大,但是在低频段,其增益一般为120dB以上,所以可以认为是无穷大;
3.开环增益会随着频率变化而变化,datasheet参数表格上给出的一般是低频(频率约为0)时的值;
总结:在直流放大电路中,由于大多数放大器的开环增益都足够的高,所以一般不用关注,除了极为精密的放大场合。
4
共模抑制比CMRR


两种共模抑制比的定义

共模抑制比对运放电路的影响

1.共模抑制比的原始定义是共模增益除以差模增益的比值,但实际上都是用共模电压变化值除以差模电压变化值来表示,同时也方便测量;
2.共模抑制比的本质是由于共模电压的变化导致失调电压的变化;
3.共模抑制比会随着频率变化而变化,datasheet参数表格上给出的一般是低频(频率约为0)时的值;
总结:在直流放大电路中,由于大多数放大器的共模抑制比都足够的高,所以一般不用关注,除了极为精密的放大场合。
5
带宽BW + 压摆率Slew Rate

带宽


压摆率
1.运放的带宽一般指的是带宽增益积,这个值是在小信号单位增益下测得的;
2.对于小信号(输入输出都小于几百mV)而言,放大器的有效带宽为:BW / (Gain * Margin), Margin一般取5~10;
3.对于大信号而言,主要限制因素不再是带宽,而是压摆率,计算公式如上;
总结:小信号看带宽,大信号看压摆率
6
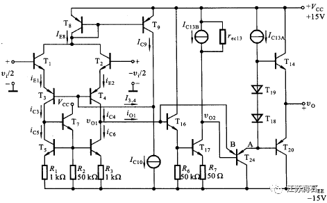
噪声Noise

噪声模型


噪声的表示方法
1.噪声模型和失调模型相似,只不过一个直流一个是交流;
2.最终的噪声等于输入噪声乘以增益;
3.低频(0-10Hz)一般使用uVpp值表示,高频使用噪声密度表示,噪声计算公式如下:
Vnoise = Gain ∗ en ∗ ΔBW;
总结:以下场合需要关注放大器噪声:
1.高动态采集的场合;
2.高带宽场合,例如几十MHz;
3.高增益场合,例如几万倍以上;
7
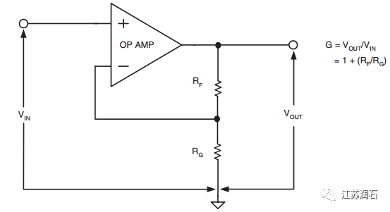
共模输入范围Common mode input range + 输出Output

运放简化电路

输入输出特性


1.运放有晶体管(或MOS管)组成,由于导通压降的存在,运放输入输出不能达到电源正电压或者负电压;
2.对于一般的放大器,输入输出正负电源端都有1.5V~2V的死区;
总结:运放的输入输出一般达不到正负电源电压,除了轨至轨放大器。
8
电源及功耗Power +电源抑制比PSRR

电源电压范围及功耗


1.电源抑制比等于电源变化值除以失调的变化值,这一点和共模抑制比极为相似;
2.电源抑制比会随着电源噪声频率变化而变化, datasheet参数表格上给出的一般是低频(频率约为0)时的值;
总结:在直流放大电路中,由于电源一般比较稳定,而且运放电源抑制比极高,所以较少关注,在宽带的交流放大中,特别是DC/DC供电情况下,需要关注放大器的电源抑制比。
上一篇:一起聊聊400G线路传输方案
龙腾半导体SGT MOSFET LSGT085R018在智慧农业无