时间:2023-05-24 17:25
人气:
作者:admin
在这篇文章中,我们将讨论设计MOSFET功率放大器电路时必须考虑的各种参数。我们还分析了双极结型晶体管(BJT)和MOSFET特性之间的差异,并了解了为什么MOSFET更适合功率放大器应用并使其更有效。
概述
当设计功率放大器时,考虑在10至20瓦的范围内,基于集成电路或IC的设计通常是首选,因为它们的尺寸和低元件数量。
然而,对于更高的功率输出范围,分立配置被认为是更好的选择,因为它们在功率输出选择方面为设计人员提供了更高的效率和灵活性。
早些时候,使用分立器件的功率放大器依赖于双极晶体管或BJT。然而,随着复杂的MOSFET的出现,BJT慢慢被这些先进的MOSFET取代,以实现极高的功率输出和惊人的有限空间,并缩小了PCB。
虽然MOSFET对于设计中型功率放大器来说可能看起来有点过分,但它们可以有效地应用于任何尺寸和功率放大器规格。
在功率放大器中使用BJT的缺点
虽然双极性器件在高端音频功率放大器中效果非常好,但它们也有一些缺点,这些缺点实际上导致了MOSFET等先进器件的引入。
也许B类输出级中双极晶体管的最大缺点是被称为失控情况的现象。
BJT包括一个正温度系数,这特别会引起一种称为热失控的现象,由于过热而导致功率BJT的潜在损坏。
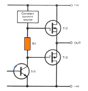
上图左侧显示了标准B类驱动器和输出级的基本设置,采用TR1(如共发射极驱动器级),Tr2和Tr3作为互补发射极跟随器输出级。

比较 BJT 与 MOSFET 放大器输出级配置
放大器输出级的功能
要设计工作功率放大器,正确配置其输出级非常重要。
输出级的目标主要是提供电流放大(电压增益不超过单位),以便电路可以提供在更高音量下驱动扬声器所必需的高输出电流。
参考上面的左侧BJT图,Tr2在正向输出周期期间像输出电流源一样工作,而Tr3在负输出半周期期间提供输出电流。
BJT驱动器级的基本集电极负载采用恒定电流源设计,与简单的负载电阻器实现的效果相反,可提供增强的线性度。
这是由于增益(以及伴随的失真)的差异造成的,当BJT在很宽的集电极电流范围内工作时,就会发生增益差异。
在输出电压摆幅较大的共发射极级内施加负载电阻无疑会触发极其巨大的集电极电流范围和较大的失真。
恒流负载的应用并不能完全消除失真,因为集电极电压会自然波动,晶体管增益可能在某种程度上取决于集电极电压。
然而,由于集电极电压变化引起的增益波动往往相当小,因此完全可以实现远低于1%的低失真。
连接在输出晶体管基极之间的偏置电路是必要的,以便将输出晶体管带到它们刚好处于导电阈值的位置。
如果不这样做,Tr1集电极电压的微小变化可能无法使输出晶体管导通,并且可能无法改善输出电压!
Tr1集电极上较高的电压变化可能会产生相应的输出电压变化,但这可能会错过频率每个半周期的开始和结束部分,从而导致通常所说的严重“交越失真”。
交叉失真问题
即使输出晶体管达到导通阈值也不能完全消除交越失真,因为输出器件在降低的集电极电流下工作时提供的增益相对较小。
这提供了一种中等但不希望的交越失真。负反馈可用于自然地消除交越失真,但是为了获得出色的结果,实际上必须在输出晶体管上采用相当高的静态偏置。
正是这种大的偏置电流导致了热失控的并发症。
偏置电流导致输出晶体管发热,并且由于其正温度系数,这会导致偏置电流增加,从而产生更多的热量,从而导致偏置电流进一步升高。
因此,这种正反馈使偏置逐渐上升,直到输出晶体管变得太热并最终被烧毁。
为了防止这种情况,内置温度检测系统有助于偏置电路,该系统可在检测到较高温度时减慢偏置速度。
因此,当输出晶体管升温时,偏置电路会受到产生的热量的影响,从而检测到这一点并阻止偏置电流的任何随之而来的浪涌。实际上,偏置稳定可能并不理想,您可能会发现变化很小,但是,正确配置的电路通常可能表现出足够足够的偏置稳定性。
为什么MOSFET在功率放大器中比BJT更高效
在下面的讨论中,我们将尝试理解为什么与BJT相比,MOSFET在功率放大器设计中效果更好。
与BJT类似,如果在B类输出级中使用,MOSFET也需要正向偏置以克服交越失真。话虽如此,由于功率MOSFET在接近100毫安或更高的电流下具有负温度系数(在较低电流下具有轻微的正温度系数),因此它允许不太复杂的B类驱动器和输出级,如下图所示。

热稳定偏置电路可以用电阻代替,因为功率MOSFET的温度特性内置了偏置电流的热控制,约为100毫安(这大约是最适合的偏置电流)。
BJT的另一个挑战是电流增益相当低,仅为20至50。这对于中高功率放大器来说可能还不够。因此,它需要一个极其强大的驱动级。解决此问题的典型方法是利用达林顿对或等效设计来提供足够高的电流增益,从而允许使用低功耗驱动器级。
功率MOSFET与任何FET器件一样,往往是电压操作器件,而不是电流操作器件。
功率 MOSFET 的输入阻抗通常非常高,因此在低工作频率下,输入电流消耗可以忽略不计。然而,在高工作频率下,由于输入电容相对较高,约为500
pf,因此输入阻抗要低得多。
即使具有如此高的输入电容,通过驱动器级的工作电流也足够了,尽管峰值输出电流可能是该数量的一千倍左右。
双极性功率器件(BJT)的另一个问题是其开关时间有些缓慢。这往往会产生各种问题,例如压摆触发的失真。
此时,强大的高频信号可能需要开关输出电压,例如每微秒 2 伏,而 BJT 输出级可能只允许每微秒 《》
伏特的压摆率。当然,输出将难以提供输入信号的体面再现,从而导致不可避免的失真。
较差的压摆率也可能给放大器带来不希望的功率带宽,在较高的音频频率下,可实现的最高功率输出会显著下降。
相位滞后和振荡
另一个问题是通过放大器的高频输出级发生的相位滞后,这可能导致负反馈系统的反馈在极高频率下变为正反馈而不是负反馈。
如果放大器在这种频率下具有足够的增益,放大器可能会进入振荡模式,即使电路的增益不足以触发振荡,稳定性的缺乏也会继续很明显。

热稳定偏置电路可以用电阻代替,因为功率MOSFET的温度特性内置了偏置电流的热控制,约为100毫安(这大约是最适合的偏置电流)。
BJT的另一个挑战是电流增益相当低,仅为20至50。这对于中高功率放大器来说可能还不够。因此,它需要一个极其强大的驱动级。解决此问题的典型方法是利用达林顿对或等效设计来提供足够高的电流增益,从而允许使用低功耗驱动器级。
功率MOSFET与任何FET器件一样,往往是电压操作器件,而不是电流操作器件。
功率 MOSFET 的输入阻抗通常非常高,因此在低工作频率下,输入电流消耗可以忽略不计。然而,在高工作频率下,由于输入电容相对较高,约为500
pf,因此输入阻抗要低得多。
即使具有如此高的输入电容,通过驱动器级的工作电流也足够了,尽管峰值输出电流可能是该数量的一千倍左右。
双极性功率器件(BJT)的另一个问题是其开关时间有些缓慢。这往往会产生各种问题,例如压摆触发的失真。
此时,强大的高频信号可能需要开关输出电压,例如每微秒 2 伏,而 BJT 输出级可能只允许每微秒 《》
伏特的压摆率。当然,输出将难以提供输入信号的体面再现,从而导致不可避免的失真。
较差的压摆率也可能给放大器带来不希望的功率带宽,在较高的音频频率下,可实现的最高功率输出会显著下降。
相位滞后和振荡
另一个问题是通过放大器的高频输出级发生的相位滞后,这可能导致负反馈系统的反馈在极高频率下变为正反馈而不是负反馈。
如果放大器在这种频率下具有足够的增益,放大器可能会进入振荡模式,即使电路的增益不足以触发振荡,稳定性的缺乏也会继续很明显。

Tr1纵为公共发射极输入级,直接连接到Tr3公共发射极驱动器级。这两级都提供放大器的总电压增益,并包括一个非常大的总增益。
Tr2及其连接部件可创建一个简单的恒流发生器,其边际输出电流为10毫安。这类似于 Tr3 的主收集器负载。
R10用于通过输出晶体管建立正确的静态偏置电流,如前所述,偏置电流的热稳定并不是在偏置电路中真正实现的,而是由输出器件本身提供。
R8从放大器输出向Tr100发射极提供几乎1%的负反馈,使电路刚好接近单位电压增益。
电阻R1、R2和R4的工作方式类似于电位分压器网络,用于将放大器输入级以及输出偏置至大约电源电压的一半左右。这样可以在削波和开始严重失真之前实现最高可实现的输出电平。
R1和C2的使用类似于滤波电路,可消除电源线上的嗡嗡声频率和其他形式的潜在噪声,使其无法通过偏置电路进入放大器输入。
R3和C5的作用类似于RF滤波器,可防止RF信号从输入到输出的破坏,从而引起可听见的干扰。C4还有助于解决同样的问题,将放大器的高频响应有效地滚降到音频上限以上。
为了确保放大器在可听频率下获得良好的电压增益,必须在一定程度上去耦负反馈。
C7履行去耦电容的作用,而R6电阻限制被清除的反馈量。
电路的电压增益大约通过将R8除以R6或与指定器件值相差约20倍(26dB)来确定。
放大器的最大输出电压为 16 V RMS,可实现大约 777mV RMS 的输入灵敏度,以实现全输出。输入阻抗可能大于20k。
C3和C8分别用作输入和输出耦合电容器。C1 使电源 DC 能够去耦。
R11和C9专门用于促进和控制放大器的稳定性,其工作原理类似于流行的Zobel网络,该网络通常位于大多数半导体功率放大器设计的输出级周围。
性能分析
原型放大器似乎表现得非常好,特别是只有当我们注意到该装置的设计相当简单时。所示的MOSFET放大器设计电路将愉快地将35瓦RMS输出到8欧姆负载。
总谐波失真不会超过0.05%左右。仅分析原型在1 kHz左右的信号频率。
然而,发现该电路的开环增益在整个音频范围内几乎是恒定的。
闭环频率响应在-2 dB下测量,信号约为20 Hz和22 kHz。
放大器的信噪比(未连接扬声器)高于80
dB的数字,尽管实际上扬声器上可能会检测到电源发出的少量电源嗡嗡声,但电平可能太小,在正常情况下无法听到。
电源

上图显示了 35 W MOSFET 放大器设计的正确配置电源。电源可能足够强大,可以处理设备的单声道或立体声模型。
电源实际上由一对高效的推挽式整流器和平滑电路组成,这些电路的输出串联在一起,以提供相当于单个整流器和电容滤波电路施加电位两倍的总输出电压。
二极管 D4、D6 和 C10 构成电源的一个特定部分,而第二部分则由 D3、D5 和 C11 提供。这些中的每一个都提供略低于 40
伏的电压,没有连接负载,总电压为 80 V。
当放大器由具有静止状态工作的立体声输入信号加载时,该值可能会降至大约 77 V,当两个放大器通道以全功率或最大功率运行时,该值可能会降至约 60
V。
施工提示
下图显示了 35 W MOSFET 放大器的理想 PCB 布局。


这是针对放大器电路的一个通道,因此当需要立体声放大器时,自然必须组装两个这样的板。输出晶体管当然不是安装在PCB上,而是安装在大型翅片类型上。
将晶体管固定在散热器上时,无需为晶体管使用云母绝缘套件。这是因为MOSFET源极直接连接到其金属片,并且这些源极引脚必须保持相互连接。
但是,由于它们不与散热器绝缘,因此确保散热器不会与放大器的其他各种部件发生电接触可能确实至关重要。
此外,对于立体声实现,不应允许用于一对放大器的各个散热器彼此电气接近。始终确保使用最大约 50 mm 的较短引线将输出晶体管与 PCB
连接起来。
这对于与输出MOSFET的栅极端子连接的引线尤其重要。由于功率MOSFET在高频下具有高增益,较长的引线可能会严重影响放大器的稳定性响应,甚至触发RF振荡,进而可能对功率MOSFET造成永久性损坏。
话虽如此,实际上您可能会发现在准备设计以确保这些引线有效保持更短时几乎没有任何困难。需要注意的是,C9和R11安装在PCB外部,并且只是在输出插座上串联连接。
电源构造技巧
电源电路是通过应用点对点类型布线构建的,如下图所示。

这实际上看起来不言自明,但可以确保电容器 C10 和 C11
两种类型都由虚拟标签组成。如果不是,使用标签条来启用一些连接端口可能至关重要。焊接标签夹在 T1
的一个特定安装螺栓上,该螺栓为电源交流接地引线提供机箱连接点。
调整和设置
在打开电源之前,请务必全面检查接线连接,因为接线错误可能会导致代价高昂的破坏,并且肯定是危险的。
在打开电路之前,请确保调整R10以获得最小的电阻(完全逆时针旋转)。
当FS1暂时取出并在保险丝座上固定一个万用表以测量500mA
FSD的情况下,当放大器上电时,仪表上必须看到大约20mA的读数(当使用双声道立体声时,这可能是40mA)。
如果您发现仪表读数与此明显不同,请立即关闭电源并重新检查整个接线。相反,如果一切正常,慢慢移动R10,使仪表读数最大化至100mA值。
如果需要立体声放大器,则必须调整两个通道上的R10以使电流消耗达到120mA,然后必须微调第二通道中的R10,以将电流使用量增加到2mA。完成这些操作后,您的
MOSFET 放大器就可以使用了。
在执行放大器的设置程序时,请格外小心,不要接触任何交流电源连接。
在将设备连接到电源之前,所有可能处于交流电源电位的未覆盖的接线或电缆连接都应正确绝缘。
不用说,与每个交流操作电路一样,它应该封闭在一个坚固的机柜中,只能借助专用螺丝刀和其他仪器组拧下,以确保没有任何快速方法可以到达危险的电源接线,并安全地消除事故。
35 W MOSFET 功率放大器的零件清单


120W MOSFET放大器应用电路
根据电源规格,实用的 120 瓦 MOSFET 放大器电路能够为 50 欧姆扬声器提供约 120 瓦和 8 瓦 RMS 的输出功率。
该设计还在输出级中集成了MOSFET,即使在电路非常简单的情况下也能提供卓越的整体性能。
放大器的总谐波失真不超过0.05%,但仅在电路未过载时,信噪比优于100dB。
了解 MOSFET 放大器级

如上所示,该电路是参照日立布局设计的。与上一种设计相反,该电路使用扬声器的直流耦合,并包含具有中间0V和接地轨的双平衡电源。
这种增强消除了对大输出耦合电容器的依赖,以及该电容器产生的低频性能不佳。此外,这种布局还允许电路具有不错的电源纹波抑制能力。
除了直流耦合功能外,电路设计似乎与早期设计中使用的设计截然不同。在这里,输入级和驱动器级都集成了差分放大器。
输入级使用 Tr1 和 Tr2 进行配置,而驱动器级依赖于 Tr3 和 Tr4。
晶体管 Tr5 的配置类似于 Tr4
的恒流集电极负载。通过放大器的信号路径开始使用输入耦合电容C1和RF滤波器R1/C4。R2用于将放大器的输入偏置在中央0V电源轨道上。
Tr1作为高效的共发射极放大器接线,其输出直接连接到Tr4,Tr6用作共发射极驱动器级。从这个阶段开始,音频信号被连接到Tr7和Tr《》,它们纵为互补的源跟随器输出级。
负反馈从放大器输出端提取并与Tr2基极连接,尽管没有通过Tr1基极到放大器输出的信号反转,但Tr2基极和输出确实存在反转。这是因为Tr2像发射器跟随器一样工作,完美地驱动了Tr1的发射器。
当输入信号施加到Tr1发射极时,晶体管成功地充当了一个公共基级。因此,虽然反转不是通过 Tr1 和 Tr2 发生的,但反转确实通过 Tr4
发生。
此外,相位变化不会通过输出级发生,这意味着放大器和Tr2基极往往异相,无法执行所需的负反馈。图中所示的R6和R7值提供约28倍的电压增益。
正如我们从之前的讨论中了解到的,功率MOSFET的一个小缺点是,当它们通过传统的B类输出级连接时,它们的效率会低于BJT。此外,功率MOSFET的相对效率在高功率电路中变得相当糟糕,这些电路要求栅极/源极电压为高源电流的几个电压。
可以假设最大输出电压摆幅等于电源电压减去单个晶体管的最大栅极到源极电压,这当然允许输出电压摆幅可能明显低于施加的电源电压。
获得更高效率的一种直接方法是基本上在每个输出晶体管上并联连接几个类似的MOSFET。然后,每个输出MOSFET处理的最高电流量将大致减少一半,并且每个MOSFET的最大源极至栅极电压将适当降低(同时放大器输出电压摆幅成比例增长)。
然而,类似的方法在应用于双极性器件时不起作用,这主要是由于其正温度系数特性。如果一个特定的输出BJT开始比另一个输出BJT消耗过多的电流(因为没有两个晶体管具有完全相同的特性),则一个器件开始变得比另一个器件更热。
这种升高的温度导致BJT的发射极/基极阈值电压降低,因此它开始消耗更大比例的输出电流。然后这种情况导致晶体管变得更热,这个过程无限持续,直到其中一个输出晶体管开始处理所有负载,而另一个保持非活动状态。
这种问题在功率MOSFET上是看不到的,因为它们的温度系数为负。当一个MOSFET开始变热时,由于其负温度系数,增加的热量开始限制流经其漏极/源极的电流。
这会将多余的电流转移到另一个MOSFET,MOSFET现在开始变得更热,并且非常相似地,热量导致通过它的电流成比例地减少。
这种情况会在器件之间产生平衡的均流和耗散,使放大器的工作更加高效和可靠。这种现象还允许MOSFET并联,只需将栅极、源极和漏极引线连接在一起即可,而无需进行太多计算或担心。
用于 120 W MOSFET 放大器的电源

120 W MOSFET放大器的适当设计电源电路如上所示。这看起来很像我们早期设计的电源电路。
唯一的区别是两个平滑电容器连接处的变压器中心抽头电源最初被忽略了。对于本例,这习惯于提供中间的0V接地电源,而电源接地也连接到该结点而不是负电源轨。
您可以发现保险丝安装在正极和负极导轨上。放大器提供的功率输出在很大程度上取决于电源变压器的规格。对于大多数要求,35 - 0 -
35伏160VA环形电源变压器实际上应该足够了。
如果首选立体声操作,则需要用较重的 300 VA 变压器替换变压器。或者,可以为每个通道使用160VA变压器构建隔离电源单元。
这允许在静态条件下提供大约50 V的电源电压,尽管在满载时,该电平可能会下降到低得多的水平。这使得通过 70 欧姆额定扬声器获得高达 8 瓦 RMS
的输出。
需要注意的关键一点是,桥式整流器中使用的1N5402二极管的最大容许电流额定值为3安培。这对于单声道放大器来说可能足够了,但对于立体声版本来说可能还不够。对于立体声版本,二极管必须替换为
6 安培二极管或 6A4 二极管。
印刷电路板布局
您可以找到一个完整的PCB,用于构建自己的120瓦MOSFET放大器电路。所示的 4 个 MOSFET 器件应连接大型翅片散热器,其额定温度必须至少为
4.5 摄氏度/瓦。


接线注意事项
确保 MOSFET 引脚排列端子尽可能短,长度不得超过 50 mm 左右。
如果要将它们保留比这更长的时间,请确保在每个MOSFET的栅极上添加一个低值电阻(可能是50欧姆1/4瓦)。
该电阻将响应MOSFET的输入电容,并充当低通滤波器,确保高频信号输入具有更好的频率稳定性。
然而,在高频输入信号下,这些电阻可能会对输出性能产生一些影响,但这实际上可能太小,几乎不明显。
晶体管Tr6实际上由两个并联连接的n沟道MOSFET组成,Tr7也是如此,它也有几个并联的p沟道MOSFET。
为了实现这种并联连接,各个MOSFET对的栅极、漏极、源极简单地相互连接,就这么简单。
另外,请注意,电容器 C8 和电阻 R13 直接安装在输出插座上,而不是组装在 PCB 上。
也许构建电源的最有效方法是硬接线,就像以前的放大器一样。接线与前一个电路大致相同。
调整和设置
在打开完整的放大器电路之前,请确保仔细检查每根接线几次。
具体检查输出功率 MOSFET 上的电源接线和相关互连。
这些连接周围的故障可能会很快导致放大器单元的永久性损坏。
此外,在打开已完成的电路板之前,您需要执行一些先前的调整。
首先完全逆时针旋转R11预设,并且最初不要将扬声器连接到设备的输出。
接下来,代替扬声器,将万用表(设置为低压直流范围)探头连接到放大器输出点,并确保它显示低静态输出电压可用。
您可能会发现仪表显示分数电压或可能根本没有电压,这也很好。
如果仪表指示直流电压较大,您必须立即关闭放大器并重新检查接线中是否有任何可能的错误。


结论
在上面的文章中,我们全面讨论了在确保功率放大器正确和最佳工作方面起着至关重要作用的许多参数。
所有这些参数都是标准的,因此在设计任何MOSFET功率放大器电路时都可以有效地使用和应用,无论功率和电压规格如何。
设计人员可以使用BJT和MOSFET器件的不同特性来实现或定制所需的功率放大器电路。
上一篇:限幅二极管电路原理图解
龙腾半导体SGT MOSFET LSGT085R018在智慧农业无