时间:2023-04-28 11:47
人气:
作者:admin
一、描述
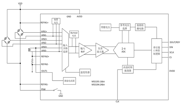
MS5194/MS5195分别是24位和16位的ADC,高精度测量应用的低功耗、低噪声、六通道差分输入的 24bit/16bit 模数转换器。其内部集成了低噪声输入缓冲器、低噪声仪表放大器、精密低噪声、低漂移内部带隙基准,也可采用外部差分基准电压。其片内还集成可编程激励电流源、burnout 电流源和偏置电压发生器。偏置电压发生器可将通道的共模电压设置为 0.5*AVDD。此芯片采用外部时钟或内部时钟,输出数据速率可通过软件设置数据更新速率为4.17Hz 到 470Hz。电源电压范围为 2.7V 到5.25V。MS5194T/MS5195T 采用了 TSSOP24 封装。是工业各种温度仪器以及各种分析仪器中必备的传感器部件,它能够完美的替代AD7794/AD7795。
二、特点
RMS 噪声:MS5194T 在 16.7Hz 为 40nV
功耗:典型值为 400uA
集成低噪声、可编程增益仪表放大器
集成低温漂电压基准:5ppm/°C
更新速率:4.17Hz 到 470Hz
集成 50Hz/60Hz 限波滤波器
集成可编程电流源
集成内部时钟振荡器
集成内部 burnout 电流、激励电流
集成片内偏置电压发生器
电源电压:2.7V 到 5.25V
工作温度范围:-40°C 到 105°C
三、应用
衡器应力检
气体分析和血液分析
工业过程控制和仪器仪表
液相和气相色谱仪
6 位 DVM
管脚图

典型应用图

极限参数

概述
MS5194T/MS5195T 为低功耗∑-ΔADC ,内置∑-Δ调制器、输入缓冲器、基准电压源、仪表放大器和片内数字滤波器,主要用于测量宽动态范围的低频信号,例如压力传感器、电子秤和温度测量应用中的信号。每个器件都有三个差分输入端,可以被配置为缓冲模式或无缓冲模式。基准电压采用外部基准电压。
用户能够通过编程设置 MS5194T/MS5195T 的输出速率(fADC)。当更新速率为 16.7Hz 或更低时,陷波频率同时为 50Hz 和 60Hz。根据输出更新速率的不同,MS5194T/MS5195T 采样的滤波器也略有不同,以便优化对量化噪声和器件噪声的抑制。当更新速率值在 4.17Hz 至 12.5Hz 范围内时,采用 Sinc3滤波器和均值滤波器;当更新速率值在 16.7Hz 至 39Hz 范围内时,器件采用经修正的 Sinc3 滤波器。
当更新速率达到 16.7Hz 时,此滤波器提供 50Hz/60Hz 抑制;当更新速率值在 50Hz 至 242Hz 范围内时,采用 Sinc4 滤波器;当更新速率达到 470Hz 时,器件采用仅有积分功能的滤波器。
模拟输入通道
MS5194T/MS5195T 有 6 个差分模拟 输入通道。当器件运行在缓冲模式下时,这些通道将与片内缓存器相连;而当器件运行在无缓冲模式下时,通道直接与调制器相连。在缓冲模式下(配置寄存器中的 BUF 设置为 1),信号输入到缓冲放大器的高阻抗输入级。因此,输入端可耐受较大的源阻抗,适用于那些与外部阻性传感器直接相连的应用,例如应变计或电阻式温度检测(RTD)等。
当 BUF =0 时,器件在无缓冲模式下工作。这将导致较高的模拟输入电流。请注意,该无缓冲输入路径可为驱动源提供动态的负载。因此,输入引脚上的电阻与电容组合可能会引起增益误差,具体取决于驱动 ADC 输入的信号源的输出阻抗。下表显示了为防止在 20 位分辨率条件下产生增益误差,无缓冲模式下外部电阻和电容的容许值。
复位
对 MS5194T/MS5195T 连续写入 32 个 1,可以将器件的电路和串行接口复位。这样做可以将所有片内寄存器复位为默认值,同时复位逻辑、数字滤波器和模拟调制器。上电时会自动执行复位操作。启动复位操作后,用户必须等待 500µ才能访问片内寄存器。如果 SCLK 线路上的噪声导致串行接口变为异步状态,则需要执行复位以恢复同步功能。
审核编辑:汤梓红
下一篇:组合逻辑电路的类型
龙腾半导体SGT MOSFET LSGT085R018在智慧农业无