时间:2023-05-06 14:07
人气:
作者:admin
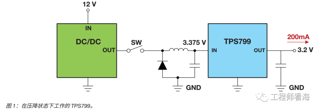
▼关注公众号:工程师看海▼ 大家好,我是工程师看海,转发一篇TI的优秀文章











备注:原文来自TI“LDO 基础知识”系列博客 ,Aaron Paxton

推荐阅读▼
电池、电源
硬件文章精选
华为海思软硬件开发资料
上一篇:了解真空微型晶体振荡器
龙腾半导体SGT MOSFET LSGT085R018在智慧农业无