时间:2023-04-24 10:09
人气:
作者:admin
简介
放大器是电子电路中常用的一种电路元件,用于将输入信号放大到一定的幅度。分为线性放大器和非线性放大器两种类型。
Show Time
在学习放大器的相关知识时,会经常遇到以下名词:
•增益(Gain):放大器输出信号与输入信号之比,通常用分贝(dB)表示。
•带宽(Bandwidth):指放大器能够放大的信号频率范围,通常定义为增益下降到-3dB时的频率范围。
•输入电阻(Input Resistance):放大器输入端的电阻,通常用欧姆(Ω)表示,表示输入信号的负载特性。
•输出电阻(Output Resistance):放大器输出端的电阻,通常用欧姆(Ω)表示,表示输出信号的驱动特性。
•偏置(Bias):放大器直流输入偏差,多数用于在输入信号中去除直流分量,通常用直流电压表示。
•偏置电阻(Bias Resistor):用于控制放大器输入端的偏置电压的电阻。
•偏置电流(Bias Current):放大器输入端的偏置电流,通常用安培(A)表示,常用于直流放大器的设计。
•偏置电压温漂(Bias Voltage Temperature Coefficient):放大器偏置电压随温度变化的变化率,通常用毫伏每摄氏度(mV/℃)表示。
•偏置电流温漂(Bias Current Temperature Coefficient):放大器偏置电流随温度变化的变化率,通常用安培每摄氏度(A/℃)表示。
•共模电压(Common Mode Voltage):输入信号的共同参考电压。
•共模抑制比(Common Mode Rejection Ratio, CMRR):放大器对共模信号的抑制能力,通常用分贝(dB)表示。
•温度系数(Temperature Coefficient):放大器的增益或其他特性随温度变化的变化率,通常用百万分之一每摄氏度(PPM/℃)表示。
•失真(Distortion):指输出信号与输入信号存在不同程度的畸变现象,通常分为非线性失真和线性失真两种类型,常见的失真类型包括谐波失真、交叉失真、截止失真等。失真问题通常需要通过调整电路中的参数、优化放大器架构等方法来解决。
•噪声(Noise):指在放大器中存在的随机信号,通常使用噪声系数和等效输入噪声温度来描述放大器的噪声特性,为了减少噪声,可以采用一些措施,如滤波、提高信号强度等。
•频率响应(Frequency Response):指放大器在不同频率下的增益情况。通常使用截止频率和通频带来描述放大器的频率响应特性。
根据放大器电路中元器件之间不同的连接方式,会有以下的一些放大器类型:
1.电压放大器(Voltage Amplifier,VA):电压放大器是一种基本的放大器,其输入为电压信号,输出也是电压信号。电压放大器的放大倍数取决于反馈电路的参数设置,可以实现高增益和低失真。
2.电流放大器(Current Amplifier,CA):电流放大器的输入为电流信号,输出也是电流信号。电流放大器主要用于需要放大小信号电流的场合。
3.电阻负反馈放大器(Voltage Feedback Amplifier,VFA):电阻负反馈放大器采用电阻器作为反馈元件,通过改变反馈电路的参数,可以改变放大器的增益、带宽和输入电阻等特性。
4.电容负反馈放大器(Current Feedback Amplifier,CFA):电容负反馈放大器采用电容作为反馈元件,具有高的带宽和低的失真,主要用于高频放大和运算放大器的设计。
5.差分放大器(Differential Amplifier):差分放大器是一种能够放大两个输入信号之间差异的放大器,可以用于增益、滤波、调幅调频解调等应用。
6.运算放大器(Operational Amplifier,Op-Amp):运算放大器是一种高增益、高输入阻抗、低输出阻抗、差分输入和单端输出的放大器,可以用于信号放大、滤波、比较、积分、微分等各种应用。运算放大器的基本拓扑结构包括反馈式和开环式,其中反馈式的稳定性和可控性更好。
7.分布式放大器(Distributed Amplifier):分布式放大器采用分布式元件作为传输线路,可以实现宽带、高增益、低噪声的放大器性能,主要用于射频和微波电路的设计。
8.限幅放大器(Clipping Amplifier):限幅放大器可以将输入信号限制在一定范围内,常用于信号处理、音频电路和保护电路中。
将简单介绍一些常见的放大器应用电路,对于具体的应用时,一般会需要改进相应的电路设计,或直接采用带该功能的集成芯片,以减少外部的干扰等等,开始吧~
电压跟随器(voltage follower)也称为缓冲放大器(buffer amplifier),它是一种特殊的电压放大器,其放大倍数为1,输出电压与输入电压完全一致,但能够提供更大的电流输出能力。因此,电压跟随器通常用于保持电路的输入阻抗,消除信号源的输出电阻对负载的影响,以及提供驱动能力,以满足负载的要求。
其中,Vin为输入信号,Vout为输出信号。
电压跟随器的输出电压与输入电压几乎完全相同,差别只在于输出电压略小于输入电压一个微小的失调电压。这是因为运算放大器的输入电阻很大,而输入电流很小,所以可以将输入电压几乎完全传递到输出端。
电压跟随器通常用于如下情况:
1.输入电阻很高的电路,如传感器、低电平信号处理等。
2.需要将输入信号复制到多个负载电路中,以免影响前级电路。
3.需要对电路进行隔离,以保护前级电路免受负载的影响。
比例放大器是一种常见的放大器电路,它可以将输入信号的大小按照一定的比例放大输出,常用于放大传感器等低电平信号。
一般由一个运算放大器和几个电阻组成,放大倍数可以通过电阻的选择来实现。运算放大器作为比例放大器的核心部件,其特点是具有高的输入阻抗、低的输出阻抗、大的增益和高的共模抑制比。

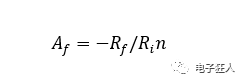
输出值计算公式为:

其中放大倍数Af为:


输出值计算公式为:

其中放大倍数Af为:

需要注意的是,运算放大器的输出电压有一个最大值,通常称为饱和电压,当输出电压达到饱和电压时,输出信号将不再跟随输入信号变化,因此需要根据实际应用场景合理选择运算放大器和反馈电阻的值。
将一个输入信号与一个参考电平进行比较,输出高电平或低电平信号。

参考电压为R1和R2的分压值,当Input电压达到参考电压之上时,Output为高电平,反之为低电平,电平大小由放大器的供电以及本身特性决定,如轨对轨类型,高电平则为电源值。
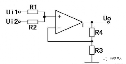
将两个或更多的信号相加。它通常用于混音、数字信号处理和模拟信号处理等应用。加法器的输出是所有输入信号的总和。有些加法器还支持信号的加权相加,即每个输入信号都可以乘以一个权重系数后再相加。

上图为同相加法器,Uo的输出值计算式:

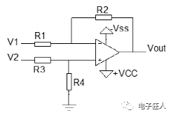
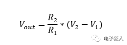
将两个信号相减并放大差值的电路。它通常用于信号的差分放大、微弱信号的放大和共模噪声抑制等应用,如:测量传感器信号、音频处理。

差分放大计算:

当使用R1=R3,R2=R4的特殊配置时

可以对输入信号进行滤波处理,将某些频率范围内的信号通过,并将其他频率范围内的信号抑制或滤除。通常用于信号处理、放大、调制和解调等应用。根据其特性和传递函数,滤波器可以分为低通、高通、带通和带阻滤波器等不同类型。

示例:有源低通滤波器
截止频率(Hz)定义为:

弧度单位(rad/s)则为:

通带增益:

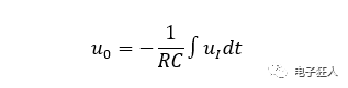
将输入信号积分,得到输出信号,通常使用电容来实现积分。电容的电压随着时间的推移而变化,因此输出信号的幅度和输入信号的时间积分成正比,可用于滤波、调整直流偏置等。


以下是阶跃信号、方波和正弦信号做输入时,积分器输出的信号波形:



通常使用电阻和电容来实现微分。电容通过电流积分电压,电阻通过电压积分电流,因此输出信号的幅度与输入信号的时间微分成正比。微分放大器通常用于信号处理中,例如滤波和频率分析。


输入方波时,微分器的效果:

就简单介绍这八种基本电路,基于这几种还会有各种衍生的设计,如比较器,就还有窗口比较、迟滞比较等等,花样很多;此外还能组合得到其他电路,如:移相器、振荡器等等。
以下是一些基于项目性的建议,可供参考:
在开始设计之前,需要确定放大器的目标,如增益、带宽、输入和输出阻抗等。这将有助于确定放大器的电路结构和电路参数。
常见的有包括差分放大器、共源共极放大器、共源放大器、共漏放大器、共基放大器等。根据不同的应用场景和设计目标选择适当的拓扑结构。
根据放大器的工作条件和要求选择适当的放大器器件。例如,对于高增益放大器,可以选择低噪声放大器器件,对于高速放大器,可以选择高频率响应的器件。
根据选择的拓扑结构和器件,计算电路的各项参数,如输入和输出阻抗、增益、带宽、稳定性等。
在进行实际电路设计之前,可以通过电路仿真软件进行仿真验证,以确保电路设计满足设计要求。
根据电路设计图进行PCB设计,确定布局和走线方案,尽可能减少电路噪声和干扰。
完成PCB设计后,进行实验测试,验证电路性能和参数是否符合设计要求。
总结设计过程中遇到的问题和经验,条件允许的话,可根据实验测试结果对设计进行优化。
在具体的电路设计过程中,还需要注意一些细节问题,如输入和输出信号的匹配、电路的稳定性、对噪声和干扰的抑制等等。这些都需要根据实际情况进行综合考虑。
本篇关于放大器的基础知识就浅尝辄止了~
上一篇:简述放大器的工作原理与使用方法
下一篇:带你认识常见电子元件
龙腾半导体SGT MOSFET LSGT085R018在智慧农业无