时间:2023-04-24 10:37
人气:
作者:admin
本章内容你可以在绝大部分应用运放的场合参考,包括一些基础的加减法电路,一些滤波电路,以及我们常遇到的多路运放中有闲置的怎么办?等等经典实用的电路&公式&分析,希望能够拿来就用。
1、反相放大器电路
输入信号通常来自低阻抗源,因为该电路的输入阻抗 由输入电阻器 R1 决定。反相放大器的共模电压等于连接到同相节点的电压,该节点在该设计中接地。

公式:Vo=Vi*(-R2/R1)
(注意根据输入信号频率计算最小SR,SR>2πVp*f)
反馈回路加电容,从时域上理解,加快了高频信号从输出反馈到输入的速度。
公式:Vo=Vi*(1+R1/R2)


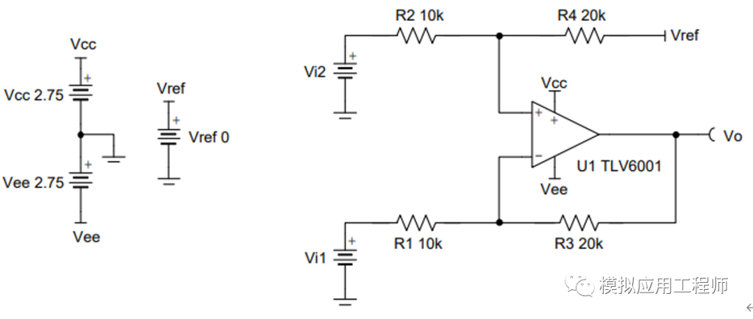
公式1:
Vo=Vi1*(-R3/R1)+Vi2*(1+R4/R2)+Vref*(1+R2/R4)*(1+R3/R1)
当R1=R2, R3=R4
公式2:Vo=(Vi2- Vi1)*( R3/R1) +Vref
4、SAR ADC 前端抗混叠滤波器

如上图,红框内抗混叠滤波器截至频率一般设计为采样频率的10~20倍分之一。
K=- R1/R2 ,FSF*fc=1/[2π(R2R3C1C2)^0.5]
这里,二阶低通滤波器的标准形式如下:

5、多路运放不用的那路怎么弄?
芯片内部,多路之间都有存在寄生回路。当悬空未用的引脚,杂散静电电场会引起输入超出电源轨,可能会导致闭锁,或者引发输出饱和,导致整个系统工作异常。
那么,输入短接接地可行么?答案是 no! 运算放大器的失调电压绝不会完全为零;把 它们短接在一起而进行偏置,同样存在上面提到的闭锁风险。
正确的做法是将不用的那路接成跟随,并将同相输入连接到电源轨之间的某个电位。对于双电源系统,地是理想的选择,但在单电源系统中连接到正或负电源,如果失调电压的极性错误,将引起饱和并导致功率浪费。由于运算放大器输入引起的负载很小,“电源轨之 间的某个电位”可以是电路中任何电位合适的点。
6、运放15V转420mA
J4输出1~5V,VJ4=Vpin3=Vpin2=VQ1-s≈VQ1-d=Vpin5=Vpin6
因此,R36上电压为15V,Q2-Isd=420mA。

7、运放0~5V转±10V
J3输出0~5V,pin3 给2.5V电压基准,U5B放大四倍,VOG输出±10V.

上一篇:功率放大器的关键特性及分类
下一篇:运算放大器的常见误区有哪些
龙腾半导体SGT MOSFET LSGT085R018在智慧农业无