时间:2023-04-24 11:18
人气:
作者:admin
最近在忙着研究微小电压放大功能,想起来好像很久没有写东西了。接触了几个放大器都是TI的,因为我不是学电子的,所以放大器这种东西还是比较陌生的,不过已经从一窍不通到稍微不堵的情况了。
让我们来先看一个FET的放大器

在TI的产线的上面有
好像还是没有说明白什么是仪表放大器,那我换个说法~
(英语:instrumentation amplifier或称精密放大器简称INA,也就是TI对应的一些放大器的名字),属于差分放大器的一种改良,具有输入缓冲器。
主要用于放大小差分信号,仪表放大器提供最重要的共模抑制 (CMR) 功能。它消除了在两个输入上具有相同电位的任何信号。输入之间具有电位差的信号被放大。
仪表放大器 (In-Amp) 用于低频信号 (<1 MHz) 以提供大量增益。它放大输入信号,抑制输入信号中存在的共模噪声。
不需要输入阻抗匹配,使放大器适用于测量以及电子仪器上,也就是说常用于需要高增益精度和高直流精度的场合。
在数据采集、传感器信号放大(测试测量和实验仪器)、高速信号调节、医疗仪器和高档音响设备等方面倍受青睐,但这类器件成本较高。而电流检测放大器价格便宜,能够处理较高的共模电压,部分特性与仪表放大器类似,因而,在某些应用中,比如从-48V-+5V电源变换器中,可以用电流检测放大器替代仪表放大器。
仪表放大器通常用于放大低电平信号,抑制噪声和干扰信号。一个好的仪表放大器必须满足以下规格:
由于仪表放大器需要放大来自换能器设备得非常低电平的信号,因此高和有限增益是基本要求,增益还需要准确,闭环增益必须稳定。
除了有限和稳定的增益外,增益因子在规定的值范围内的变化也是必要的。增益调整必须更容易和精确。
为避免输入源负载,仪表放大器的输入阻抗必须非常高(理想情况下是无限大)。
好的仪表放大器的输出阻抗必须非常低(理想情况下为零),以避免对下一级直接产生负载影响。
当通过长线传输时,传感器的输出通常包含共模信号。一个好的仪表放大器必须只放大差分输入,完全抑制共模输入。因此,仪表放大器的 CMRR 在理想情况下必须是无限的。
仪表放大器的摆率必须尽可能高,以提供最大的不失真输出电压摆幅。
什么是输入阻抗?
输入阻抗跟一个普通的电抗元件没什么两样,它反映了对电流阻碍作用的大小。对于电压驱动的电路,输入阻抗越大,则对电压源的负载就越轻,因而就越容易驱动,也不会对信号源有影响;而对于电流驱动型的电路,输入阻抗越小,则对电流源的负载就越轻。
因此,我们可以这样认为:如果是用电压源来驱动的,则输入阻抗越大越好;如果是用电流源来驱动的,则阻抗越小越好
(注:只适合于低频电路)
什么是双极性电源?

这个是我找到的最好的双电源示意图
当电流或电压的差值较小并且需要进行精确测量时,就需要使用低输入偏置电流运算放大器。使用这些运算放大器时,放大器的输入不会淹没信号。低输入偏置电流运算放大器在与传感器接口的应用中,如光电二极管、pH计或其他静电计及下游电子产品。

已经在我的购物车了
首先大类还是放大器,仪表放大器具有很高的输入抗阻性。这是所有的仪表放大器都不需要具有的一项特点。
1,它的 高输入抗阻性与反向输入端的抗阻性都十分的高 ,这样才能起到相互制约平衡的作用。而且,不需要输入阻抗匹配。直接怼上来就好了。
2、仪表放大器它的用处是使用来处理相对来说 非常低的输入电压 , 所以在运行的时候它的自身所带的噪音不能够过高,并且不能将噪音带到信号上。所以它的噪音就十分的低。
3、仪表放大器它具有十分低的输入偏置电流,而且它的失调电流误差也是很低。并且一个高质量的仪表放大器它的线性误差也是非常小的。
4、仪表放大器它之所以能够使用在如此之多的电路当中,是因为它具有其独特之处,也就是它自身就带有检测端以及参考端,仪表放大器它是可以允许远距离的进行电压的输出并且内部的电阻压降以及地线压降( IR) 的影响是可以被减小到最小处。

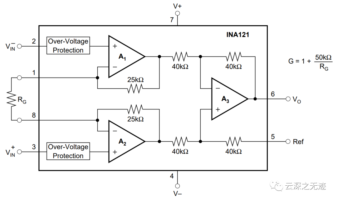
这个就是放大器内部的框图了,可以看到是三个放大器
典型的仪表放大器配置由三个运算放大器和几个电阻组成。为了实现最高的 CMRR(共模抑制比),使用了高精度电阻(0.1 % 容差或更好)。这里可以看我的下一个文章说的CMRR的意思。
它主要由两级差分放大器电路构成。其中,运放A1,A2为同相差分输入方式,同相输入可以大幅度提高电路的输入阻抗,减小电路对微弱输入信号的衰减;差分输入可以使电路只对差模信号放大,而对共模输入信号只起跟随作用,使得送到后级的差模信号与共模信号的幅值之比(即共模抑制比CMRR)得到提高。
这样在以运放A3为核心部件组成的差分放大电路中,在CMRR要求不变情况下,可明显降低对电阻R3和R4,Rf和R5(方框内的两个25k欧,中间的两个40k欧的电阻,A3上面的电阻)的精度匹配要求,从而使仪表放大器电路比简单的差分放大电路具有更好的共模抑制能力。在R1=R2,R3=R4,Rf=R5的条件下,电路的增益为:G=(1+2R1/Rg)Rf/R3。由公式可见,电路增益的调节可以通过改变Rg阻值实现。
上一篇:仪表放大器有什么作用?
下一篇:聊聊关于PWM调控模式
龙腾半导体SGT MOSFET LSGT085R018在智慧农业无