时间:2023-04-24 16:47
人气:
作者:admin
功率半导体器件作为电力电子系统中各种拓扑电路的核心电子元器件,能够对频率和功率的变换进行控制、交直流电压进行转换。功率半导体技术的发展推动着各种高性能、高可靠性的电力电子系统的发展。人们通常把功率半导体器件分为三代。
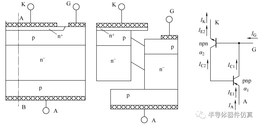
晶闸管(Thyristor)或可控硅(SCR)为主的可承受高压大电流的大功率容量器件为第一代,被各种电力电子系统领域所应用。同时,由于应用场景的需要,逆导晶闸管和光控晶闸管也在此基础上受到了广泛研究与应用。图1是晶闸管的基本结构以及等效电路图。

图1 晶闸管结构图和等效电路图
自 20 世纪 70 年代以来,光控晶闸管在高压直流(HVDC)输电系统中广泛应用,其能解决电控晶闸管无法实现的栅极驱动电路的低抖动电隔离,光触发的晶闸管使用一直引起人们的广泛关注。早在 1981 年EPRI 组织就研究发现,电触发和光触发晶闸管导通之间的物理差异。研究表明在光触发机制中有一个额外的电流,使得阳极 PN 结处比传统的电触发提前注入了载流子,这使得器件的 di/dt 提高到了 800 A/μs。1990 年,富士电气公司提出了一种改进的光触发晶闸管设计方案,通过注入铝和磷离子来制造器件,以此提高掺杂均匀性,使得晶闸管的电压、峰值电流和 di/dt 耐量分别达到了 6000V、2.5 kA 和300 A/μs。
由于晶闸管 di/dt 耐量提高到 k A/μs 范围,对于脉冲功率应用中开关器件的需求也随之而来。在 1994,罗格斯大学的研究人员报告了 InP 和 Ga As 基的光栅晶闸管的发展成果。在晶闸管基本 pn 结构之间,这两种器件都有一个大面积的 InP 或 Ga As 材料的的半绝缘层,用来提供大的阻断电压。对于 InP 基结构,新器件的最大电压、电流和 di/dt 值分别为 1200 V、61 A,14 kA/μs,而对于和 Ga As基器件来说,它们分别为2120 V,156 A,8.5 kA/μs。虽然这些器件的 di/dt 能力都呈数量级的增加,但都是以几乎相同的幅度降低其额定电流为代价。
在大功率系统中,如电力传输网络,系统的工作电压非常大。通常,它们远远超过了单功率晶闸管(SCR)的阻挡能力。因此,有必要串联操作一些晶闸管。在这种配置中,触发单个晶闸管所需的巨大电位差可能并不容易获得。使用光纤将控制信号从砷化镓发光二极管(LED)传输到该系列中的所有晶闸管是一种避免需要高压栅极驱动简洁高效的方式。然而,砷化镓的led只提供相对较小的输出功率。因此,需要在光栅附近设置放大栅区域用于打开主晶闸管。
图2为本文工程的截图,首先通过SDE构建一个三维SCR的结构,随后通过SDEVICE施加100V电学偏置和不同光强及范围的光学脉冲,最后通过SVISUAL展示出在不同光学条件下,阳极电流和光生率随时间变化的曲线。 整个工程可以用来研究多大的光束强度或光束半径足以触发晶闸管 。

图2 工程界面
图2中的参数具体含义如下:
Lgate:定义了光栅的半径。这里为100um。
Lbeam:定义了光束的半径。在这里,它定义的值分别为20和80um。
Intensity:定义了光束的强度。在这里,它假设的值分别为1.0、4.0、5.29和5.30 W/cm2。
SDE构建SCR器件结构和掺杂分布
本文构建的晶闸管结构是一个围绕垂直轴旋转对称的三维器件。使用了圆柱形坐标系在一个二维网格和径向切片的基础上进行仿真构建(后续将对圆柱形坐标系进行介绍)。
如图3二维径向切片由一个520um宽,90um深的矩形硅区域组成。阴极覆盖了器件的整个底部。晶闸管的径向结构为:光栅区域在中心。它的长度由参数Lgate定义。在栅和阳极之间有一个放大区域。它由沉积在硅衬底上的两个内外金属环组成。第一个环的宽度为22.5um。在径向距离25um之后,淀积第二金属环。第二个环的宽度为137um。在径向距离28um之后,则是阳极接触。
阴极与一个p掺杂的扩散区接触。峰值浓度为1e19cm-3,结深10um。中心区域均匀掺杂n为60um厚,掺杂为1e14cm-3。
顶部区域20um内,p掺杂水平是恒定的。在这个区域,有三个n阱掺杂(峰值掺杂浓度为1e19cm-3)。
第一构成阳极,第二构成放大栅极,并位于外金属环下。第三个位于器件的中心,构成光栅。阳极n阱的结深度为10um,光学和放大栅极n阱的结深为15um。

图3 器件径向二维结构图
电学仿真
1.坐标系
圆柱坐标系为用于建模可以用径向(ρ)和高度(z)表达的具有圆柱形且对称的三维器件。需要假设器件对于所有方位角(ϕ)都相同。这样,3D器件就可以在2D坐标系中进行表述。
这里,晶闸管围绕垂直轴x=0。绘制的2D平面器件被视为圆柱对称的(ρ,z)平面。笛卡尔x坐标变为圆柱-ρ坐标,笛卡尔y坐标变为圆柱形z坐标。
Sdevice假设2D结构旋转完全围绕笛卡尔x轴(圆柱形z轴)进行。2D网格可以用于仿真三维圆柱形器件,其结果相当于一个三维晶闸管。因此,仿真结果中的电流单位为安培(A)而不是用于2D器件结构或网格的单位A/μm。
柱面坐标系可以被以下关键词激活:
Math { ...
Cylindrical(0.0)
}
其中,0.0定义了x坐标中对称轴的位置。
2.模型选择
仿真使用漂移扩散传输模型,其中载流子连续性方程与泊松方程一起求解。肖克利-霍尔、俄歇产生复合模型与Slotboom禁带变窄模型同时被激活。还使用了依赖掺杂的迁移率模型,并考虑了高场饱和效应。漂移扩散传输模型同时考虑了电子和空穴,这样仿真时可以根据费米能级的梯度计算出电子和空穴的驱动力得到更准确的迁移率数值。
3.光学设置
晶闸管的一部分受到来自上方单色光束的照射。光照射到的地方,能量等于或大于硅带隙的光子被吸收在半导体中产生电子-空穴对。光生率表示由于光子被硅吸收产生的电子空穴对的比例。根据朗伯比尔定律。光束强度从照明部分的顶面随着半导体深度的增加呈指数减少。
这里使用如下的光学设置。所有的光学选项,如特定于光学仿真的材料特性和模型、入射光束的特性、光束的空间范围和时间范围,以及光学求解器及其选项,都在物理{光学(…)}部分中指定。:
Physics {...
Optics (
ComplexRefractiveIndex (
WavelengthDep(Real Imag)
)
OpticalGeneration (
QuantumYield(StepFunction(EffectiveBandgap))
ComputeFromMonochromaticSource (
TimeDependence (
WaveTime= (1e-5 1.5e-5)
WaveTsigma= 1e-6
Scaling = 1.0 * Transient Scaling
) *end TimeDependence
Scaling = 1e-30 * DC Scaling
) *end ComputeFromMonochromaticSource
) *end OpticalGeneration
Excitation (
Theta= 0
Intensity= @Intensity@ * [W/cm2]
Wavelength= 0.9 * [um]
Window("L1") (
Origin= (0,0,0)
XDirection= (1,0,0)
Line (
X1= 0
X2= @Lbeam@
) *end Line
) * end Window
) * Excitation
OpticalSolver (
OptBeam (
LayerStackExtraction (
WindowName= "L1"
Position= (@@,0,0)
Mode= RegionWise
) *end LayerStackExtraction
) *end OptBeam
) *end OpticalSolver
) *end Optics
} *end Physics
这些光学选项将在以下部分中指定:
ComplexRefractiveIndex
OpticalGeneration
Excitation
OpticalSolver
利用吸收系数和量子产生率可以计算晶闸管内部的光生率。吸收系数与复折射率的虚部成正比。波长相关的复合折射率模型使用ComplexRefractiveIndex关键字和 WavelengthDep(Real Imag)被激活。量子产生率模型(关键字QuantumYield)和照明光源的类型在OpticalGeneration部分中指定。
照明光源的类型被指定为单色光,使用关键字ComputeFromMonochromaticSource,它也被用于指定一个缩放因子(关键字Scaling),用于在准静态或瞬态仿真中缩放光学生成率)。在准静态仿真中,OpticalGeneration-ComputeFromMonochromaticSource部分中指定的比例关键字将光生率与比例因子相乘。在这里,它被设置为1e-30,因此所有准静止斜坡的光生率几乎为零。为了仿真光触发晶闸管的时变开关特性,用WaveTime和WaveTsigma定义了光脉冲的高斯时间分布。
这些内容在OpticalGeneration-ComputeFromMonochromaticSource-TimeDependence部分中指定。WaveTime是入射光束强度恒定时的时间。WaveTsigma是时间高斯分布的标准偏差,它描述了在时间间隔波时间外的光产生率的衰减。本仿真中,脉冲峰值从10us到15us(WaveTime =(1e-5 1.5e-5))。在其开始和结束时,脉冲呈高斯分布,标准差为(WaveTsigma = 1e-6)。
如果在瞬态仿真中需要缩放光生率,则必须在OpticalGeneration-ComputeFromMonochromaticSource-TimeDependence部分中指定关键字Scaling。本仿真中,Scaling=1,因此,光生率没有缩放。入射光束的特性,如强度、波长和入射角(传播方向和正y轴之间的角度)在Excitation部分中规定。在这里,波长为0.9um和强度为交互界面中参数输入的数值。Theta=0,光沿正方向(向下方向)传播。光束的空间范围由名为L1的照射窗口指定。
4.求解设置
求解部分设置如下:
Solve {
Coupled(Iterations= 100) { Poisson }
Coupled {Poisson Electron}
Quasistationary (
InitialStep= 1e-4 Increment= 2.0
Minstep= 1e-6 MaxStep= 0.1
Goal {name="Anode" voltage= 1e2}
){ Coupled { Poisson Electron Hole } }
Transient (
Initialtime= 0 Finaltime= 1e-4
Initialstep= 1e-7 Increment= 1.5 Decrement= 4
Minstep= 1e-11 Maxstep= 1e-4
){ Coupled { Poisson Electron Hole } ...}
}
Poisson指定初始解仅用泊松方程。第二步同时求解泊松方程和电子连续性方程。在第三步中,晶闸管通过使用准静态升压斜坡将阳极电压提高到100 V来进行偏压。接下来是一个瞬态仿真,晶闸管的一部分被具有高斯时间轮廓的光脉冲照射。对于准静态和瞬态仿真,都求解了泊松方程以及电子和空穴连续性方程。
在光学计算与电学计算的过程中,从一开始就已经计算光学生成速率,并在随后的步骤中使用。这意味着光在所有的仿真阶段都被打开了。然而,只有在瞬态仿真过程中,晶闸管才必须通过光脉冲照明来触发。因此,在进行瞬态仿真之前,应关闭光束或不应照亮晶闸管。
这可以通过缩放所有准稳态斜坡的光产生速率(乘以比例因子)来实现,使光产生速率降低到一个可以忽略的值。正如前文光学设置中所讨论的,这是通过使用OpticalGeneration-ComputeFromMonochromaticSource部分中的关键字指定缩放因子并将其设置为1e-30来实现的。
在瞬态仿真中,如果解不能与当前步长收敛,则选择设置Decrement减小步长以更好地解决陡峭的时间梯度。如果使用向后的欧拉方法作为时间离散化方法,瞬态仿真通常运行得更快,而且鲁棒性更强。该方法由以下方式激活打开:
Math {...
Transient= BE
}
Svisual查看仿真结果

图4 不同光强和光照区域光生率和电流随时间变化曲线图

图5 80um光照半径,1W/cm2条件下电子电流密度图

图6 80um光照半径,1W/cm2条件下电势分布图

图7 80um光照半径,1W/cm2条件下光强分布图
本文器件描述参考邓操硕士学位毕业论文和新思公司SENTAURUS说明文档
上一篇:简述微波放大器的类型
龙腾半导体SGT MOSFET LSGT085R018在智慧农业无