时间:2023-04-25 11:27
人气:
作者:admin
市场上有各种各样的供电电源,这些电源设计中采用的多种电阻器更是大大拓展了选择范围。为明确起见,本文所涉及的电源是指具有高达几千伏固定直流输出的电源设备。
无论何种应用,电源设计人员都必须了解所适用领域的具体安全或环境规定,以及实际的电气性能。本文将重点介绍如何使用电阻来调节电源输出并保护电源不出故障。
电源的分类通常取决于输入是交流还是直流,以及使用何种类型的调节方式来提供正确的直流输出,通常是开关模式或线性模式。
工频线电压通常为AC-DC电源供电,而电池或任何其它直流电源则提供DC-DC供电。这些DC-DC转换器使用开关模式技术将输入电压调节为更高(升压)或更低(降压)的输出电压。
现成的电源适于许多市场和常规用途,但在某些情况下需要定制设计。
线性稳压器
要了解组件在电源中的作用,有必要了解电源工作的基本原理。许多工程师都记得设计一个如图1所示的电路。该电路使用齐纳二极管为负载(R2)提供恒定电压。R1用于提供最小电流以保持齐纳二极管处于恒定击穿状态,并提供负载电流。

一个简单的齐纳二极管稳压器电路
此类系统适用于功率较低且供电电压和负载都相当稳定的电路。如果负载电流降低或电源电压突然增加,则可能会超出齐纳二极管的额定功耗。这种电路中的电阻很容易选择,只要其额定功率符合齐纳二极管和负载的组合功率要求即可。
对于供电电压或负载可能变化的电源,串联设计可以使用传输晶体管(pass transistor),这将确保负载电流稳定,并可将电压输出降低到所期望的范围。
图2示出了这种电路。这些设计通常使用IC或低压差(LDO)稳压器来调节负载电源。由R1和R2形成的分压器感测并设置相对于参考电压的电压输出。如果电路具有固定输出,则分压器位于内部;对于其它应用,可以在外部放置一两个电阻。
选择电阻值以提供所需的比率,最重要的考虑因素是精度。如果比较器电路具有高增益和高输入阻抗,则可以使用图1中的公式轻松计算最差情况下的数值,首先选R1最大值和R2最小值,然后选R2最大值和R1最小值。这些计算可显示出与期望输出的最大电压偏差。
开关电源
由于串联的传输器件和负载都会消耗能量,线性电源可能效率比较低。随着负载上压降的增加,效率会更低。

线性串联稳压器简图
为提高效率,设计师经常使用另一种电源拓扑结构。开关电源(SMPS)采用未经调节的输入直流电压,并以高频率(10kHz至1MHz)进行切换。占空比决定整流和平滑后的直流输出电压。
SMPS输出的调节也使用分压器,但是要调节开关频率和占空比。通过避免线性稳压器压降带来的损失,SMPS可实现高达95%的效率。由于高频变压器和滤波器/储能电容器尺寸要小得多,SMPS也可能比类似功率的线性AC-DC电源设计更紧凑。
SMPS的主要缺点是它要求必须有最小负载,空载状态可能会损坏电源。为避免这种情况,设计人员经常使用一个功率电阻作为假负载。如果主负载断开,该电阻器可以用于吸收最小的特定负载电流。当然,假负载电阻也会有功耗,从而影响整体电源效率,因此在选定电阻时需要考虑这个因素。规避该问题的另一种方法是当负载开路时在输出端使用分流电阻。出于安全目的,SMPS设计也会采用其它电阻器。低阻值、高功率电阻器通常可防止过压情况。而限流设计则可防止短路。
此类开关技术也可以用于DC-DC转换器设计,将直流电压的一个值调节为另一个值。降压转换器在工作原理上非常类似于前述的SMPS设计。升压转换器则使用电荷泵技术输出比输入端更高的电压。这两种技术都使用类似方法来调节输出电压并提供电路保护。
电阻器在电源设计中的其它用途
放电电阻器主要用于对电路中的电容器进行放电。它们与负载并联,在AC-DC和DC-DC转换器中分别用于对平滑电容器和储能电容器进行放电。电源关闭后,电容器保持充电状态,有可能对用户造成伤害,因此需要放电。当为这项任务选择电阻时,需要权衡两点:它们应具有足够高的阻值,以便当电路工作时耗电很少;为给电容器快速放电,其阻值又要足够低。
浪涌限制电阻器可以限制AC-DC电源在初次接通并且储能电容器充电时可能引起的浪涌电流量。这些电阻通常阻值很低,并且与交流电源线串联。对于更高功率的电源,通常使用负温度系数(NTC)电阻器来达到这一目的。这些电阻的阻值随自身发热而下降。使用此类电阻器的一个缺点是在工作期间温度必须保持恒定以确保维持为低阻值。第三种方案是使用脉阻(pulse-resistant)电阻器,这些电阻器的功率通常以焦耳为单位。它能比采用瓦为单位的正常持续功率标度更好地表述其功能。
平衡电阻器用于在使用多个电源时调制负载电流。通常,与使用单个高功率大电源相比,并联设置使用多个DC-DC转换器可以更便宜、更节能、更紧凑。在设计此类电路时,不能简单地将输出连接在一起,必须采用一个方法来确保平均分担负载。图3显示RSHARE电阻填平了转换器输出之间的余差。

平衡电阻在DC-DC转换器之间分担负载
这种负载分担方法也用于其它类型的电源设计,特别是那些使用功率晶体管的设计。并联多个晶体管为负载供电,负载分配电阻在串联中使用。
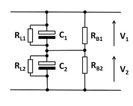
另一种需要平衡的场合如图4所示。在这种情况下,储能电容器与直流电源输出串联。电解电容器的漏电流起的作用类似于跟电容器并联的电阻,如图中的RL1和RL2。这些阻值可能会有相当大的变化,并且由于它们在整个输出端起分压器的作用,可能会导致电容器两端的压差超过电容器额定值。匹配的电阻器RB1和RB2抵消了这种效应。

平衡电阻器确保输出电容器两端电压相等
高压分压器用于向调节电路提供反馈。这些电阻器通常还有其它次要作用,例如监测除颤器中的高压电源,以及为储能电容器充电并在期望的充电电平下关断电源。
高电流检测用于测量供电电流。这种测量方法采用分流电流表原理,需要串联一个低值电阻,并测量其上的压降以计算电流大小。此类电路设计必须综合考虑电阻的选择,一方面要求低阻值以最大限度地减少发热和功耗,另一方面又要求高阻抗以便于测量。
总结
几乎所有电源设计中的电阻选择都有不同的特性优先级和性能要求,包括需要能够处理高电压、大电流和高功率的电阻器,以及需要低容差的电阻器。通常还需要电阻具有特定的属性,如浪涌抑制能力或负TCR等。
龙腾半导体SGT MOSFET LSGT085R018在智慧农业无