时间:2023-04-20 16:02
人气:
作者:admin
1 前言
大家好,我是硬件花园! 《打工人必会技术》来了,今天就跟大家聊一聊共模电感的相关知识点。我们先来了解一下“共模电流”和“差模电流”的概念。
2 共模电流和差模电流
差模电流:在一对差分信号线上,大小相同,方向相反的一对信号,一般是电路中的工作电流,对于信号线就是信号线与信号地线之间流动的电流。

共模电流:在一对差分信号线上,大小相同,方向相同的一对信号(或噪音)。在电路中,一般对地噪音一般都是以共模电流的方式传输的,所以又称为共模噪声。
4共模电感工作原理
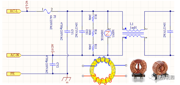
抑制共模噪声的方法多种多样,除了从源头去减少共模噪声外,通常我们抑制最常用的方法就是使用共模电感来滤除共模噪声,也就是将共模噪声阻挡在目标电路外面。也就是在线路中串联共模扼流器件。这样做的目的是增大共模回路的阻抗,使得共模电流被扼流器所消耗和阻挡(反射),从而抑制线路中的共模噪声。

共模扼流器或电感的原理
若在以某种磁性材料的磁环上绕上同向的一对线圈,当交变电流通过时,因为电磁感应而在线圈中产生磁通量。对于差模信号,产生的磁通量大小相同、方向相反,两者相互抵消,因而磁环产生的差模阻抗非常小;而对于共模信号,产生的磁通量大小和方向均相同,两者相互叠加从而使磁环产生了较大的共模阻抗。这一特性使得共模电感对于差模信号的影响较小而对共模噪声具有很好的滤波性能。
(1)差模电流通过共模线圈,磁力线方向相反,感应磁场削弱,从如下图磁力线方向可以看出—实线箭头表示电流方向,虚线表示磁场方向。


(2)共模电流通过共模线圈,磁力线方向相同,感应磁场加强,从如下图磁力线方向可以看出—实线箭头表示电流方向,虚线表示磁场方向。


共模线圈的电感或者称为自感系数,我们知道电感是表征产生磁场的能力,对于共模线圈或者共模电感,当共模电流流过线圈时,由于磁力线方向相同,在不考虑漏感的情况下,磁通量叠加,其原理是互感,下图红色线圈产生的磁力线穿过蓝色线圈,同时蓝色线圈产生的磁力线也穿过红色线圈,彼此相互感应。

从电感的角度来看,电感量也是成倍增加,磁链代表了总磁通量,对于共模电感,当磁通量是原来的2倍时,匝数没有发生变化,电流也没没有发生变化,那么意味着电感量增加为原来的2倍,也就意味着等效磁导率变为原来的2倍。


等效磁导率何以增加一倍,从下面的电感公式来看,由于匝数N不改变、磁路和磁芯截面积由磁芯的物理尺寸决定,因此也没有改变,唯一就是磁导率u增加了一倍,因而可以产生更多的磁通量。

所以,共模电感在共模电流通过时,工作在互感模式下,在互感的作用下,等效电感量被成本增加,因而共模感抗会成倍增加,因而对共模信号有良好的滤波作用,也就是将共模信号用大阻抗阻挡,不让其通过共模电感,也就是不让此信号传输到电路的下一级,如下是电感产生的感抗ZL。

认识共模电感在共模模式下的电感量,主要线索是认识互感,一切的磁性元器件,无论什么名称只要把握磁场的变化形式,透过现象看磁场变化的本质,也会容易理解,再者我们要始终把握磁力线,它是我们认识磁场的直观形式,试想无论同名端或异名端或者互感等概念或磁场现象,我们都是画磁力线去认识他们的——掌握之前讲解的"磁棒绕线法"。
文章出处:【微信公众号:硬件花园】欢迎添加关注!
下一篇:整流桥到底是什么桥?
龙腾半导体SGT MOSFET LSGT085R018在智慧农业无