时间:2023-04-23 11:16
人气:
作者:admin
介绍
库仑计数器可以测量流入或流出电池的电荷。LTC2941 或 LTC2943 等小型专用器件可直接与高达 20V 的低至中等电池电压接口。您可以通过使用高压放大器作为电平转换来扩展测量电路的输入工作范围。LT6375 具有一些方便的特性,使其能够在令人惊讶的宽电压范围内精确工作。
电路说明
图 1 示出了低电压库仑计数器 LTC2941 的典型连接。库仑计数器通过测量检测电阻两端的电压来工作,以指示需要积分的电流。关键的一点是,库仑计数器真正测量电压,并且仅将其解释为电流,然后将其报告为电荷。如果移除检测电阻,并以某种方式在库仑计数器的检测引脚上驱动另一个电压,它仍将该电压解释为电流并报告累积电荷。

图1.高压放大器将库仑计数器范围扩展至±270V。
在图 2 中,LT6375 输出连接到库仑计数器的检测引脚。LT®6375 是一款差动放大器,这意味着一个运放加上精准电阻器以一种电平转换差分输入电压的方式连接起来。差动放大器的工作使其输出驱动到以下值:
输出 = 参考 + 增益* (输入 – 输入+–)

图2.高压放大器将库仑计数器范围扩展至±270V。
LT6375 驱动其输出引脚,但 REF 引脚必须连接至一个低阻抗电源。同样,LTC2941 期望在其 SENSE 引脚上有一个低阻抗源,该引脚也是该器件的电源引脚。您可以将 REF 和 SENSE 连接到用于 I 的同一逻辑轨++2C 接口,例如 3.3V。通过将 LT6375 的 OUT 引脚连接到 SENSE–引脚上,LT6375 将在 LTC2941 的输入端上施加其输入之间的差值。实际上,LT6375 充当一个假检测电阻器。
准确性
差动放大器的精度在很大程度上取决于电阻匹配。很明显,电阻失配直接影响增益精度。但也许不太明显,实际上更严重的是,电阻不匹配会导致失调误差。1% 的电阻失配会导致输出失调等于电平转换电压的 1%。例如,将48V输入电平转换为3V会导致450mV失调误差,这对于这种测量来说太大了。LT6375A 规定了一个 97dB 的最小 CMRR,这意味着一个 45V 电平转换会导致一个小于 640μV 的失调。
输入电压范围
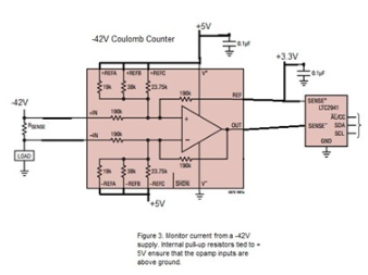
设计高压电平转换电路时,需要采取预防措施,以确保运算放大器输入保持在有效工作范围内。LT6375 提供了实现此目的的灵活性。首先,电源引脚本身的额定电压高达 60V,因此在某些情况下,您可以从被测电压为 LT6375 供电。这是图 2 中的配置,其中 LT6375 测量来自一个 48V 电源的电流。此外,LT6375 内部的运放还具有独特的特性,即输入可在高于电源引脚本身的电压下工作 (过顶)。最后,LT6375 包括额外的精准电阻器,这些电阻器可通过引脚配置为分频输入共模范围,同时保持差分增益等于单位。在图3中,辅助基准引脚全部连接到5V电源,42V电源将–6375V输入电压分压,使其在运算放大器的电源范围内。总而言之,LT270 能够监视一个 ±<>V 输入范围内的电源。®

图3.高压放大器将库仑计数器范围扩展至±270V。
结论
非常准确的电阻器与用于处理高电压的灵活功能相结合,使得 LT6375 能够将检测电阻器的电压精确地电平转换到可由低压库仑计数器处理的水平。结果是一个紧凑的电路,用于测量±270V之间任何电压下的累积电荷。
审核编辑:郭婷
上一篇:剖析电位器测量方法
龙腾半导体SGT MOSFET LSGT085R018在智慧农业无