时间:2023-04-23 14:46
人气:
作者:admin
几十年来,机械式电位器一直用在从电路微调到音量控制的各种应用中。然而,机械式电位器有其局限性:滑臂可能会磨损,容易受潮,也有可能被意外移出设定位置。此外,随着全球数字化转型,设计者需要一种替代方案,以满足更精确的控制和高可靠性要求,以及能够灵活地通过固件进行远程调节。
数字式电位器 IC 通常被称为数字电位器,是连通数字和模拟电阻世界的桥梁,让上述问题迎刃而解。作为一种兼容微控制器的全电子器件,数字电位器可通过处理器和软件来控制、设置和改变其电阻值或分压比。
数字电位器拥有机械式电位器无法比拟的特点和功能,并且数字电位器不需要滑臂,因此更加坚固可靠。数字电位器可防止被故意或意外调节,从而避免了莫名其妙的性能变化。这种器件的应用不计其数,包括 LED 热稳定、LED 调光、闭环增益控制、音量调节、校准、用于传感器的惠斯通电桥微调、控制电流源和调节可编程模拟滤波器等。
本文将简要介绍电位器及其向数字电位器的演变。然后,以 Analog Devices、Maxim Integrated、Microchip Technology 和 Texas Instruments 的器件为例,介绍数字电位器的操作、基本和高级配置,以及如何解决电路调节问题。本文将展示这些器件的功能、特性、性能和选项如何用于简化电路,使电路与处理器兼容并减少甚至消除对笨重、不太可靠的机械电位器的需求。
首先介绍电位器的基础知识
电位器在电力和电子学的最早期就已经是一个重要的无源电路组件。电位器是一种三端子设备,带有一个可访问的电阻元件,可通过旋转轴上用户可设置的滑动臂实现分压功能。电位器已用于无数的模拟和混合信号电路,能满足各种各样的应用要求(图 1)。

图 1:标准电位器是一个可由用户设置的带转轴可变电阻器。(图片来源:etechnog.com)
当滑臂沿着电阻元件旋转和滑动时,任何一端的触头和可调滑臂之间的电路电阻从零欧姆(标称)到导线或薄膜电阻的全额定值之间变化。大多数电位器的旋转范围约为 270 至 300 度,典型的机械分辨率和重复性约为满量程值的 0.5% 和 1%(分别为 1/200 和 1/100 之间)。
请注意,电位器和其最初的同类器件——变阻器之间有一个轻微但明显的重要区别。电位器是一个作为分压器的三端设备(图 2,左),而变阻器是一个两端可调的电阻,用于控制电流流动。连接电位器通常是为了创建一个变阻器,有三种类似的连接方式,即留出其中的一个端子,不做任何调节,或者直接将其与滑臂连接(图 2,右)。

图 2:可以很方便地用三种连接方法中的任何一种来连接带有端子 A 和 B 以及滑臂 W 的电位器(左),将其用作变阻器(右)。(图片来源:Analog Devices)
数字电位器:IC 形式的电位器
全电子数字电位器仿真了机电式电位器的功能,但这是通过一个没有活动部件的集成电路来实现的。数字电位器可接受多种格式的数字代码,并确立一个相应的电阻值。因此,这种器件有时被称为电阻式数模转换器 (RDAC)。
在传统电位器中,可以用手(有时甚至是小型电机)来设定滑臂位置,以此设置分压比。然而,在数字电位器中,计算机控制器通过数字接口与数字电位器 IC 连接,并建立一个与滑臂位置等效的数值(图 3)。

图 3:数字电位器 IC 用一个以数字方式设置的电子开关来模拟机械式滑臂,从而取代了手动设置式电位器。(图片来源:Circuits101,修改版)
数字电位器使用标准的 CMOS 集成电路技术,不需要特殊的制造或处理工艺。表面贴装数字电位器 IC 的尺寸通常为 3×3 mm 或更小,远小于旋钮式电位器或甚至是需要用小型螺丝刀调节的微调电位器;在 PC 板生产方面,这种 IC 的处理方式与任何其他表面贴装技术 (SMT) 集成电路相同。
数字电位器的内部拓扑结构大体上由一个简单的串联电阻串组成,并且在滑臂和这些电阻之间有可数字寻址电子开关。发出数字指令时相应的开关闭合,而其他开关则断开,从而确立所需的滑臂位置。这种拓扑结构实际上有一些不足,包括需要大量的电阻、开关以及较大的芯片尺寸。
为了最大限度地减少这些问题,供应商已经设计了各种巧妙的电阻器和开关布局,在确保具有相同效果的情况下减少电阻和开关的数量。以上每一种拓扑结构都会导致在数字电位器如何确定范围及其二季特性方面的小差异,但对用户来说绝大部分差异都是透明的。在下文中,我们将用“电位器”表示机电式电位器,用“数字电位器”表示全电子式电位器。
数字电位器具有一系列规格、功能
与任何组件一样,在选择数字电位器时也有主要参数和次要参数需要考虑。排名靠前的问题是标称电阻值、分辨率和数字接口的类型,同时需要考虑的因素包括容差和误差源、电压范围、带宽和失真。
• 所需的电阻值,通常称为端到端电阻,由电路的设计考虑事项决定。供应商以 1/2/5 的顺序提供 5 kΩ 和 100kΩ 之间的电阻值,还有一些其他中间值。此外,还有一些具有扩展范围的器件,可低至 1 kΩ 或者高至 1 MΩ。
• 分辨率定义了数字电位器能够提供多少个离散式步进或抽头设定值,范围从 32 到 1024 步,以使设计者能够满足应用需要。请记住,即使是一个中程 256 步(8 位)数字电位器的分辨率也比电位器高。
• 微控制器和数字电位器之间的数字接口采用标准的串行 SPI、I2C 格式,还有地址引脚,这样就可以通过一条总线连接多个设备。微控制器使用一个简单的数据编码方案来指示所需的电阻设置。诸如 Texas Instruments 的 TPL0501 器件便是此类极简型数字电位器。这是一种具有 SPI 接口的 256 抽头数字电位器,非常适合功率耗散和尺寸至关重要的情况(图 4)。该器件采用节省空间的 8 针 SOT-23(1.50 mm × 1.50 mm)和 8 针 UQFN(1.63 mm × 2.90 mm)封装。

图4:像 Texas Instruments 的 TPL0501 这样具有 SPI 接口的基本型数字电位器,对于不需要更多功能的空间和功率受限型应用来说是一种有效的器件。(图片来源:Texas Instruments)
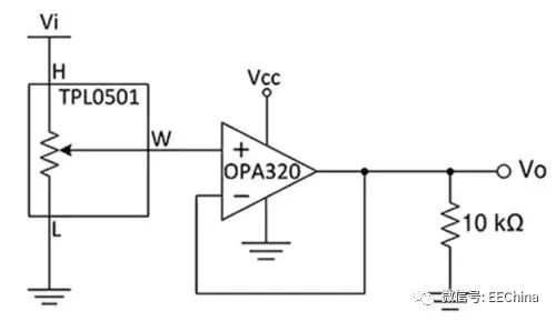
例如,在实际中可将其用于临床级可穿戴医疗设备,如血氧仪和传感器补片。该器件在本例中搭配使用 TI 的 OPA320 运算放大器(图 5)。通过组合这两种器件,可以构建一个分压器,用于控制提供数模转换器 (DAC) 输出的放大器增益。很明显有人会问,为什么不简单地使用一个完整的标准 DAC?具体原因是,这种临床应用需要高精度、轨至轨模拟输出,具有高共模抑制比 (CMRR) 和低噪声。为此,OPA320 的这两个指标在10 kHz 时分别为 114 dB 和 7 nV/√Hz。

图 5:数字电位器可与精密运算放大器(如 TI 的 OPA320)配合使用,创建一个其运算放大器输出性能超凡的 DAC。(图片来源:Texas Instruments)
此外,还有一些数字电位器接口变化,可简化其在手动式音量控制器等应用中的使用。另外两个选择是按钮和上/下 (U/D) 接口。使用按钮时,用户可以按下两个按钮中任意一个:一个用于增加电阻,另一个用于减少电阻。请注意,该操作过程中没有处理器参与(图 6)。

图 6:采用按钮式接口时,允许在两个手动按钮之间进行无处理器连接,因此可以直接增加/减少数字电位器的设置。(图片来源:Analog Devices)
U/D 接口可以用最小的软件开销来实现,并通过一个简单的旋转编码器或与处理器相连的按钮来触发,使用诸如 Microchip Technology 的 MCP4011 等数字电位器来实现。这是一个基本的 64 步(6 位)器件,其电阻值为 2.1 kW、5 kW、10 kW 和 50 kW(图 7)。

图 7:像 Microchip Technology 的 MCP4011 这种具有边沿驱动式 U/D 控制线路和芯片选择的数字电位器,只需主微控制器提供最少的 I/O 和软件资源。(图片来源:Microchip Technology,有修改)
该器件使用单一的高电平或低电平边沿触发,再加上芯片选择,来增加或减少电阻增量(图 8)。这样,就可以简单地实现一个旋钮,看起来就像传统的音量控制器,与电位器没有任何关系,但又有数字电位器的各种优势。

图 8:数字电位器的 U/D 接口支持使用来自低分辨率编码器的触发器对电阻值进行边缘触发式增减。(图片来源:Microchip Technology)
数字电位器的容差可能会是一个问题,因为容差通常在额定值的 ±10 和 ±20% 之间,这个范围在许多比率测量或闭环情况下是可以接受的。然而,如果数字电位器与外部分立电阻器或开环应用中的传感器相匹配,容差就可能是一个关键参数。因此,有的标准数字电位器具有更严格的容差,可低至 ±1%。当然,与所有的 IC 一样,电阻温度系数、与温度有关的漂移也可能是一个因素。供应商在他们的规格书中规定了这个数字,这样设计者就可以通过 Spice 等电路模型来评估其影响。其他紧容差选择将在下文将讨论。
尽管在如校准或偏置点设置等静态应用中带宽和失真不是同一个考虑因素,但在音频及相关应用中却是一个问题。特定代码的电阻路径与开关寄生、引脚和电路板电容相结合,会形成一个电阻电容 (RC) 低通滤波器。较小的端对端电阻值产生较高的带宽,1 kΩ 数字电位器的带宽可达约 5 MHz,1 MΩ 数字电位器则低至 5 kHz。
相比之下,总谐波失真 (THD) 很大程度上是由于不同的应用信号水平下电阻的非线性造成的。端对端电阻值较大的数字电位器减少了内部开关电阻相对于总电阻的贡献,从而使 THD 更低。因此,带宽与 THD 的关系是设计者在选择标称数字电位器值时必须优先考虑和权衡的一个因素。典型值范围为从 20 kΩ 数字电位器的 -93dB,到 100 kΩ 数字电位器的 -105dB。
数字电位器的双重、四重和线性与对数变化之比较
除了“免手动”可控性能外,数字电位器更加简单,易于设计导入且成本远低于电位器。数字电位器的其他功能:
• 在两个电阻值必须独立调节时,双重数字电位器便很有用,而且当二者必须为同一数值则优势更加明显。虽然可以使用两个独立的数字电位器 IC,但双重器件还有可以跟踪电阻值的优势,尽管会存在容差和漂移;也可以使用四重数字电位器。
• 线性与对数 (log) 设置:虽然调节和校准应用通常要求数字编码和合成电阻值之间是线性关系,但对数关系有利于许多音频应用,可以更好地适应音频情况下所需的分贝调节。
为满足这一需求,设计人员可以使用对数型数字电位器,如 Maxim Integrated Products 的 DS1881E-050+。这种双通道器件采用 5 V 单电源供电,其端到端电阻为 45 kΩ,具有 I2C 接口和地址引脚,允许在总线上连接多达八个器件。在两个通道中,每个通道的电阻值都可独立设置,并且为用户提供了多个可选的配置设定值;基本配置为 63 步,每步衰减 1 dB,从 0 dB 到 -62 dB,以及静音功能(图 9)。

图 9:Maxim DS1881E-050+ 双通道数码相机设计用于音频信号路径,在 63dB 范围内增益设置为 1dB/步。(图片来源:Maxim Integrated Products)
DS1881E-050+ 能够最大限度地减少串扰,且两个通道提供 0.5 dB 通道间匹配,以最大限度地减少它们之间的音量差异。该器件还实现了可防止出现可闻咔哒声的过零电阻切换,并包括非易失性存储器;其一般效用将在下文讨论。
数字电位器能够应对的最大电压也是一个考虑因素。低电压数字电位器可在低至 +2.5 V(或 ±2.5 V 双极)电源轨上工作,而更高电压的数字电位器,如 Microchip Technology 的 MCP41HV31——一款 50 kΩ、128 个抽头的 SPI 接口器件,可在高达 36 V(±18 V)的电源轨上工作。
非易失性存储器协助电源复位
基本的数字电位器有很多优点,但与电位器相比有一个不足无法避免:数字电位器的设置在断电后会丢失,而且其上电复位 (POR) 位置是由自身设计设定的,通常在中程部分。不幸的是,对于许多应用来说,这种 POR 设置不可接受。考虑校准设置:一旦确定就应该保留,直到有意去调节,即使是切断线路电源或更换电池也是如此;此外,在许多应用中,“正确”设置是在断电时最后使用的设置。
因此,电位器还能继续使用的原因之一是,它们的设置在电源复位时不会丢失;不过数字电位器已经消除了这一缺陷。最初常见的设计是让系统处理器在运行期间回读数字电位器的设置,然后在上电时重新加载。然而,这样做造成会开机故障,对系统的完整性和性能来说往往是不可接受的。
为解决这一问题,供应商在数字电位器中使用基于 EEPROM 的非易失性存储器 (NVM) 技术。有了 NVM,数字电位器在电源关闭时可保留其最后设置的滑臂位置,而一次性可编程 (OTP) 版本则允许设计者将滑臂的上电复位 (POR) 位置设置为预先定义的值。
NVM 增强了其他方面的性能。例如,Analog Devices 的 AD5141BCPZ10 电阻容差误差存储在其 EEPROM 存储器中(图 10)。该器件是一款单通道、128/256 位、可重写的非易失性数字电位器,支持 I2C 和 SPI 接口。使用已保存的容差值,设计者可以计算出端到端电阻的实际值,精确度为 0.01%,从而定义“滑臂上方”部分和“滑臂下方”部分的数字电位器分段比率。这种精度比没有采用 NVM 的数字电位器的 1% 精度高一百倍。

图 10:Analog Devices 的 AD5141BCPZ10 数字电位器集成了可重写的非易失性存储器 (EEPROM),可用于保存所需的上电复位设置,以及自身电阻器阵列的校准系数。(图片来源:Analog Devices)
这种线性增益设置模式允许通过 RAW 和 RWB 电阻串对数字电位器端子之间的电阻值进行独立设置,可实现高精确度电阻匹配(图 11)。例如,反相放大器拓扑结构经常需要如此之高的精度,在这种拓扑结构中,增益是由两个电阻的比率决定的。

图 11:对于使用精确的电阻比来设置放大器增益的电路来说,数字电位器中的 NVM 也可以用来保存滑臂上方和下方的校准电阻值。(图片来源:Analog Devices)
警惕数字电位器的特异性
虽然在传统设备不太理想或不实用的情况下,数字电位器被广泛用于取代传统器件,但他们确实有一些需要引起设计者注意的特性。例如,电位器的金属滑臂与电阻元件接触时接触电阻几乎为零,且温度系数通常可以忽略。然而,对数字电位器来说,滑臂则是一个 CMOS 元件,其电阻虽小,但意义大,具体为几十欧到 1 kΩ 范围内。如果 1 mA 电流通过 1kΩ 的滑臂,那么滑臂上产生的 1 V 电压降可能会限制输出信号的动态范围。
此外,该滑臂的电阻是所施加电压和温度的函数,所以导致了非线性,从而使信号路径中的交流信号失真。滑臂的典型温度系数约为百万分之 300 每摄氏度 (ppm/⁰C),这可能很重要,在进行高精度设计时应将其考虑在误差预算中。数字电位器型号也具有更低的系数。
结语
数字电位器是一种数字设置的 IC,在许多系统结构和电路设计中取代了经典的机电式电位器。数字电位器不仅减少了产品尺寸和因意外移动而出错的可能性,而且还增加了与处理器的兼容性,从而增加了软件的兼容性,还具有更高的精度和分辨率(如果需要)以及其他的有用功能。
如图所示,数字电位器具有广泛的标称电阻值、步长和精度,而增加的非易失性存储器又扩展了其功能,并克服了在许多应用中使用时的一个重要障碍。
上一篇:简述电位器的主要技术指标
下一篇:简述电位器的类型
龙腾半导体SGT MOSFET LSGT085R018在智慧农业无