时间:2017-08-30 15:20
人气:
作者:admin

比较器通常由集成运放构成,与普通运放电路不同的是,比较器中的集成运放大多处于开环或正反馈的状态。只要在两个输入端加一个很小的信号,运放就会进入非线性区,属于集成运放的非线性应用范围。在分析比较器时,“虚断”原则仍成立,“虚短”及“虚地”等概念仅在判断临界情况时才适应。
一、零电平比较器(过零比较器)
电压比较器是将一个模拟输入信号ui与一个固定的参考电压UR进行比较和鉴别的电路。
参考电压为零的比较器称为零电平比较器。按输入方式的不同可分为反相输入和同相输入两种零电位比较器,如图1(a)、(b)所示

图1 过零比较器
(a)反相输入;(b)同相输入
通常用阈值电压和传输特性来描述比较器的工作特性。
阈值电压(又称门槛电平)是使比较器输出电压发生跳变时的输入电压值,简称为阈值,用符号UTH表示。
传输特性是比较器的输出电压uo与输入电压ui在平面直角坐标上的关系。
画传输特性的一般步骤是:先求阈值,再根据电压比较器的具体电路,分析在输入电压由最低变到最高(正向过程)和输入电压由最高到最低(负向过程)两种情况下,输出电压的变化规律,然后画出传输特性。
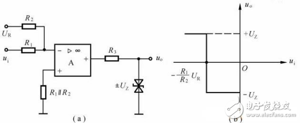
二、任意电平比较器(俘零比较器)
将零电平比较器中的接地端改接为一个参考电压UR(设为直流电压),由于UR的大小和极性均可调整,电路成为任意电平比较器或称俘零比较器。

图2 任意电平比较器及传输特性
(a)任意电平比较器;(b)传输特性

图3 电平检测比较器信传输特性
(a)电平检测比较器;(b)传输特性
电平电压比较器结构简单,灵敏度高,但它的抗干扰能力差。也就是说,如果输入信号因干扰在阈值附近变化时,输出电压将在高、低两个电平之间反复地跳变,可能使输出状态产生误动作。为了提高电压比较器的抗干扰能力,下面介绍有两个不同阈值的滞回电压比较器。
三、滞回电压比较器
滞回比较器又称施密特触发器,迟滞比较器。这种比较器的特点是当输入信号ui逐渐增大或逐渐减小时,它有两个阈值,且不相等,其传输特性具有“滞回”曲线的形状。
滞回比较器也有反相输入和同相输入两种方式。
UR是某一固定电压,改变UR值能改变阈值及回差大小。
以图4(a)所示的反相滞回比较器为例,计算阈值并画出传输特性

图4 滞回比较器及其传输特性
(a)反相输入;(b)同相输入
1.正向过程的阈值为

形成电压传输特性的abcd段
2.负向过程的阈值为

形成电压传输特性上defa段。由于它与磁滞回线形状相似,故称之为滞回电压比较器。
利用求阈值的临界条件和叠加原理方法,不难计算出图4(b)所示的同相滞回比较器的两个阈值

两个阈值的差值ΔUTH=UTH1–UTH2称为回差。
由上分析可知,改变R2值可改变回差大小,调整UR可改变UTH1和UTH2,但不影响回差大小。即滞回比较器的传输特性将平行右移或左移,滞回曲线宽度不变。

图5 比较器的波形变换
(a)输入波形;(b)输出波形
例如,滞回比较器的传输特性和输入电压的波形如图6(a)、(b)所示。根据传输特性和两个阈值(UTH1=2V, UTH2=–2V),可画出输出电压uo的波形,如图6(c)所示。从图(c)可见,ui在UTH1与UTH2之间变化,不会引起uo的跳变。但回差也导致了输出电压的滞后现象,使电平鉴别产生误差。

图6 说明滞回比较器抗干扰能力强的图
(a)已知传输特性;(b)已知ui 波形;
(c)根据传输特性和ui波形画出的uo波形
四、窗口电压比较器
电平比较器和滞回比较器有一个共同特点,即ui单方向变化(正向过程或负向过程)时,uo只跳变一次。只能检测一个输入信号的电平,这种比较器称为单限比较器。
双限比较器又称窗口比较器。它的特点是输入信号单方向变化(例如ui 从足够低单调升高到足够高),可使输出电压uo跳变两次,其传输特性如图7(b)所示,它形似窗口,称为窗口比较器。窗口比较器提供了两个阈值和两种输出稳定状态可用来判断ui 是否在某两个电平之间。

图7 窗口比较器电路及传输特性
(a)窗口比较器;(b)传输特性
龙腾半导体SGT MOSFET LSGT085R018在智慧农业无