全球最实用的IT互联网站!
人工智能P2P分享搜索全网发布信息网站地图标签大全
电荷泵的工作原理及特性
阅读全文2023-09-05
MOS管接上负载后为什么输出电压一下子就下来了
MOSFET(MOS管)中的“开关”时间可以改变电压的原理
电容加二极管有什么用
干货!较大限度提高∑-∆ ADC驱动器的性能
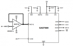
无人机飞行控制系统可使用SAR型ADC GAD7689,兼容
肖特基二极管,SOD-123封装常用型号有哪些?
核芯互联双通道16b/260MSPS ADC CL3669简析
度亘斩获2023维科杯·OFweek 2项行业大奖
阅读全文2023-09-04
如何判定杂散来源?
数字电压表设计教程之LTC2308数据手册解读
慧能泰负载开关HUSB305A产品介绍
德州仪器新型单级转换器助力微型逆变器
IGBT短路失效分析
CPU | 内存 | 硬盘 | 显卡 | 显示器 | 主板 | 电源 | 键鼠 | 网站地图
Copyright © 2025-2035 诺佳网 版权所有 备案号:赣ICP备2025066733号 本站资料均来源互联网收集整理,作品版权归作者所有,如果侵犯了您的版权,请跟我们联系。