网站首页 全球最实用的IT互联网站!
人工智能P2P分享Wind搜索发布信息网站地图标签大全
运放中的那些坑——第一篇
阅读全文2017-08-31
运放中的那些坑——第二篇
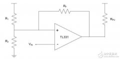
正反馈实现滞回,比较器电路意义何在?
不只是“性能”和“成本”!电源模块选型,这
实现超高功效的新一代非对称型Doherty放大器QPD
阅读全文2017-08-30
常用比较器有哪些?
基于ADI iCoupler系列的数字电源隔离解决方案
数字电压表设计教程之LTC2308数据手册解读
慧能泰负载开关HUSB305A产品介绍
德州仪器新型单级转换器助力微型逆变器
IGBT短路失效分析
CPU | 内存 | 硬盘 | 显卡 | 显示器 | 主板 | 电源 | 键鼠 | 网站地图
Copyright © 2025-2035 诺佳网 版权所有 备案号:赣ICP备2025066733号 本站资料均来源互联网收集整理,作品版权归作者所有,如果侵犯了您的版权,请跟我们联系。