全球最实用的IT互联网信息网站!
AI人工智能P2P分享&下载搜索网页发布信息网站地图
手机中ESD和EMI干扰-音频系统连接器的解决方案
阅读全文2014-08-01
针对手机开发的DC-DC转换器用线绕型功率电感介绍
德州仪器基于SN761633的FM收音机解决方案
基于TMS320DM270平台的数码摄像机的设计与实现
智能手表之殇,是刚需还是伪刚需?
恩智浦半导体NFC手机移动支付解决方案
阅读全文2014-07-31
详解各种便携式电子产品中的保护电路
阅读全文2014-07-30
基于FPGA和MV-D1024E相机的图像采集系统
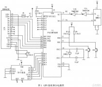
GPS接收机实现便携式的设计方案解析
可穿戴设备掀热潮 巨头觊觎健康大数据
阅读全文2014-07-29
苹果2023年9月新品发布什么
华为明年或将推出鸿蒙PC版 想象一下或在
全国多地华为门店抢购Mate60 华为Mate60价格
iphone15最新官方消息颜色 iphone15pro颜色
CPU | 内存 | 硬盘 | 显卡 | 显示器 | 主板 | 电源 | 键鼠 | 网站地图
Copyright © 2025-2035 诺佳网 版权所有 备案号:赣ICP备2025066733号 本站资料均来源互联网收集整理,作品版权归作者所有,如果侵犯了您的版权,请跟我们联系。