时间:2023-09-22 14:12
人气:
作者:admin
提到边界扫描,就不得不提JTAG,因为边界扫描是JTAG接口的功能之一。
JTAG,是Joint Test Action Group的简称,即联合测试行为小组。
JTAG,对于电子行业的工程师们来说再熟悉不过了,无论是搞单片机、ARM开发,还是FPGA、DSP开发,都离不开这个接口,它不仅可以进行程序下载,还能在线调试Debug,简简单单几根线就完成了如此强大的功能,大大的提高了开发效率。
但是,你知道吗?JTAG协议的设计初衷, 并不是用来下载程序的 。
JTAG中的'T',是Test的缩写,没错!JTAG接口被设计之初,就是用来测试的!
上世纪90年代,集成电路、芯片设计产业开始迅速发展,同时,也面临着诸多问题:芯片管脚和晶圆之间的连接如何确定是正常的?芯片管脚之间是没有短路的?芯片被焊接到PCB板上之后,如何保证焊接是良好的,没有短路、开路?芯片外围的电路和与之互联的芯片是正常的呢?尤其是一些BGA封装的芯片,无法使用探针等方式来直接测量芯片的管脚。
面对这些问题,Philips、TI等半导体厂商在1985年成立了联合测试行动小组 ,即JTAG,用来解决这些问题。
尽管人们认为 IEEE 1149.1 标准实际上就是JTAG,不过该标准的官方称谓是“ 标准测试访问端口与边界扫描架构 (Standard Test Access Port and Boundary-Scan Architecture) ”。它定义了利用边界扫描检测 PC 电路板的检测访问端口 (TAP) 等。
JTAG协议发展到现在,目前主要有三个典型应用:
JTAG协议工作的基本逻辑全依赖内部的TAP控制器(Test Access Port),其实就是一个状态机,通过TMS信号来切换不同的状态。

标准的JTAG接口最少需要4个引脚,即:TCK、TDI、TDO和TMS,在IEEE1149.1标准中,TRST信号是可选的。
下面是每个信号的定义和功能:
以Jlink的JTAG接口为例,可以看到标准的4个JTAG管脚:

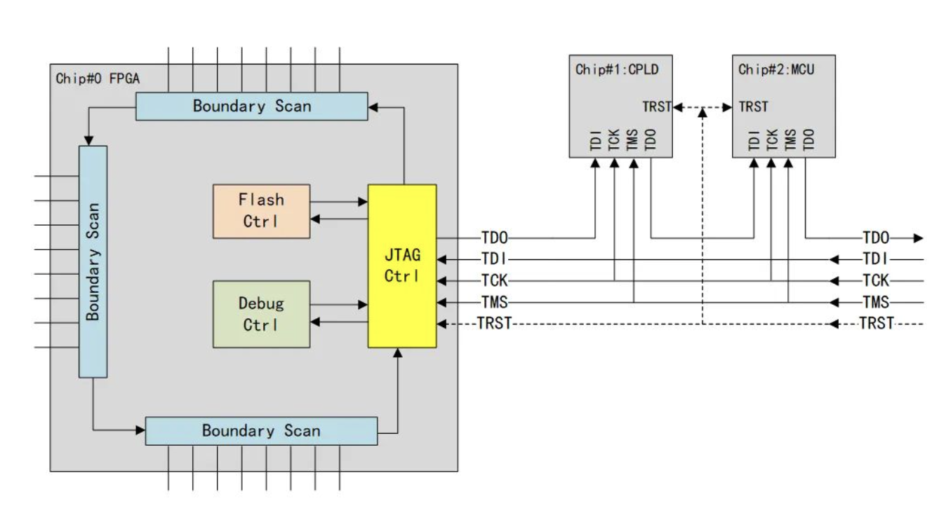
以下是JTAG接口的使用示意:

每个管脚都有一个边界扫描寄存器单元,在时钟的驱动下,每个管脚的信号在寄存器单元之间依次流动,从而实现每个管脚状态的控制和读取。
理论上只要支持JTAG协议的调试器、下载器,都可以用来进行边界扫描测试,不过可能需要开发相对应的上位机软件。
本文介绍常见的两款边界扫描测试方案。
TopJTAG是一款非常简洁、实用的边界扫描测试软件,支持多种调试器,比如最常用的JLink、USB-Blaster等等。我会在后面的文章单独介绍这款软件配合Jlink来进行边界扫描测试。
一套非常专业的边界扫描方案,研发公司位于英国剑桥,包括调试器和上位机,功能极其强大,当然售价也不菲!广泛应用于航天、汽车、国防、医疗、通信等专业领域。
对了,开头介绍的那款板卡,我使用边界扫描获取到的管脚定义如下:
####################################################################
# Copyright(C), 2010-2023, https://blog.csdn.net/whik1194
# ModuleName : top.xdc
# Date : 2023-03-04
# Time : 23:55:00
# Author : whik1194
# Function : Pin constraint
# Version : v1.0
# Version | Modify
# ----------------------------------
# v1.0 first version
####################################################################
set_property PACKAGE_PIN AA10 [get_ports gclk_p]
set_property PACKAGE_PIN D9 [get_ports greset]
set_property PACKAGE_PIN D8 [get_ports key]
set_property PACKAGE_PIN G20 [get_ports led1]
set_property PACKAGE_PIN H19 [get_ports led2]
set_property PACKAGE_PIN E20 [get_ports led3]
set_property PACKAGE_PIN F19 [get_ports led4]
set_property PACKAGE_PIN F8 [get_ports uart_rxd]
set_property PACKAGE_PIN F9 [get_ports uart_txd]
set_property PACKAGE_PIN G14 [get_ports can_rx]
set_property PACKAGE_PIN H14 [get_ports can_tx]
set_property IOSTANDARD DIFF_SSTL12 [get_ports gclk_p]
set_property IOSTANDARD DIFF_SSTL12 [get_ports gclk_n]
set_property IOSTANDARD LVCMOS33 [get_ports greset]
set_property IOSTANDARD LVCMOS25 [get_ports led1]
set_property IOSTANDARD LVCMOS25 [get_ports led2]
set_property IOSTANDARD LVCMOS25 [get_ports led3]
set_property IOSTANDARD LVCMOS25 [get_ports led4]
set_property IOSTANDARD LVCMOS33 [get_ports key]
set_property IOSTANDARD LVCMOS33 [get_ports uart_rxd]
set_property IOSTANDARD LVCMOS33 [get_ports uart_txd]
set_property IOSTANDARD LVCMOS33 [get_ports can_rx]
set_property IOSTANDARD LVCMOS33 [get_ports can_tx]
#QSPI
set_property BITSTREAM.GENERAL.COMPRESS TRUE [current_design]
set_property BITSTREAM.CONFIG.CONFIGRATE 50 [current_design]
set_property BITSTREAM.CONFIG.SPI_BUSWIDTH 4 [current_design]
下一篇:食品测温仪的原理是什么?