时间:2023-10-08 15:58
人气:
作者:admin
昨天写了一个综述ESP32开源示波器.综述,今天补个硬件设计:

Type-C的接口注意是5.1K的识别电阻

我找了一个电子开关最形象的元件

3012


可以使用低失调电压的OPA703来生成负电压




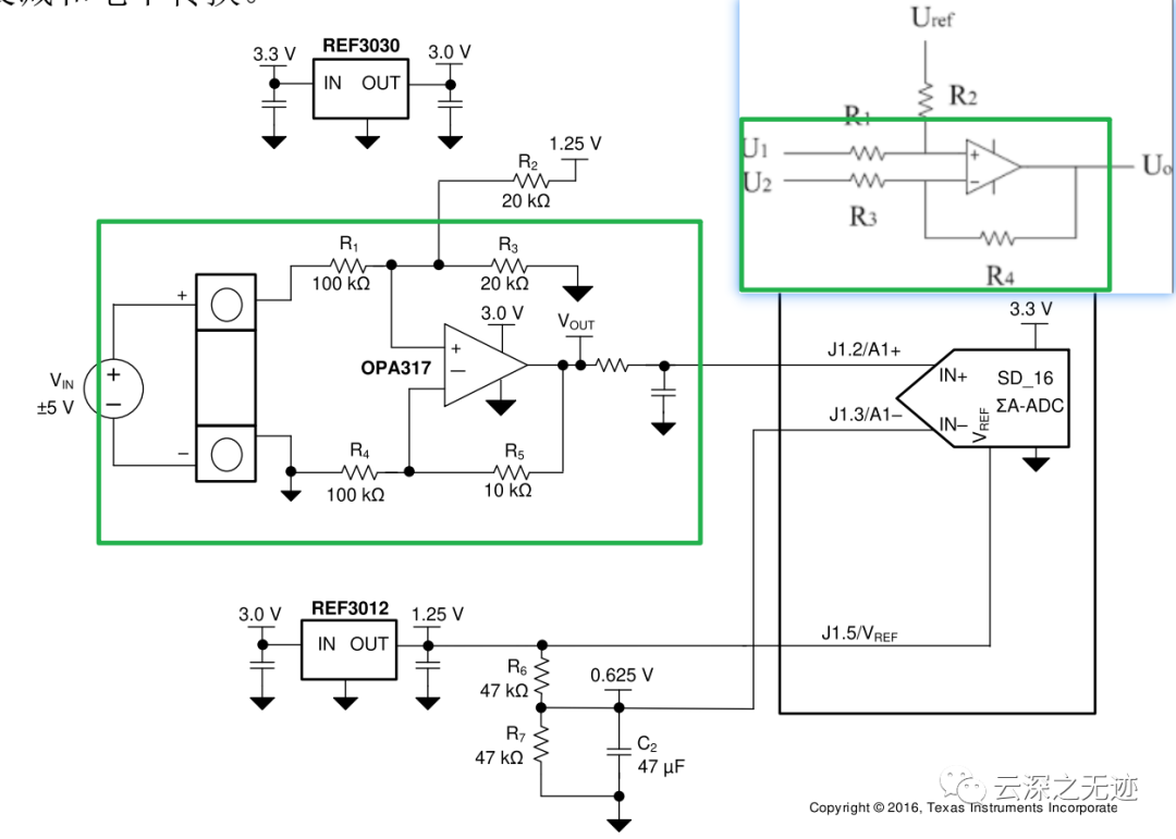
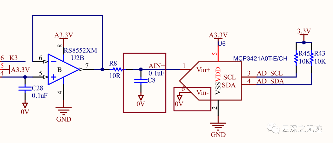
ADC 输入和完整的输入调节电路。ADC 针对双极测量进行配置,此测量中的最终转换结果是正负 ADC 输入电压之间的差分电压。 双极 GND 基准输入信号必须进行电平转换,并通过运算放大器进行衰减,这样输出将偏置为 VREF/2,并且其差分电压在 ADC 的 ±VREF/2 输入范围内。

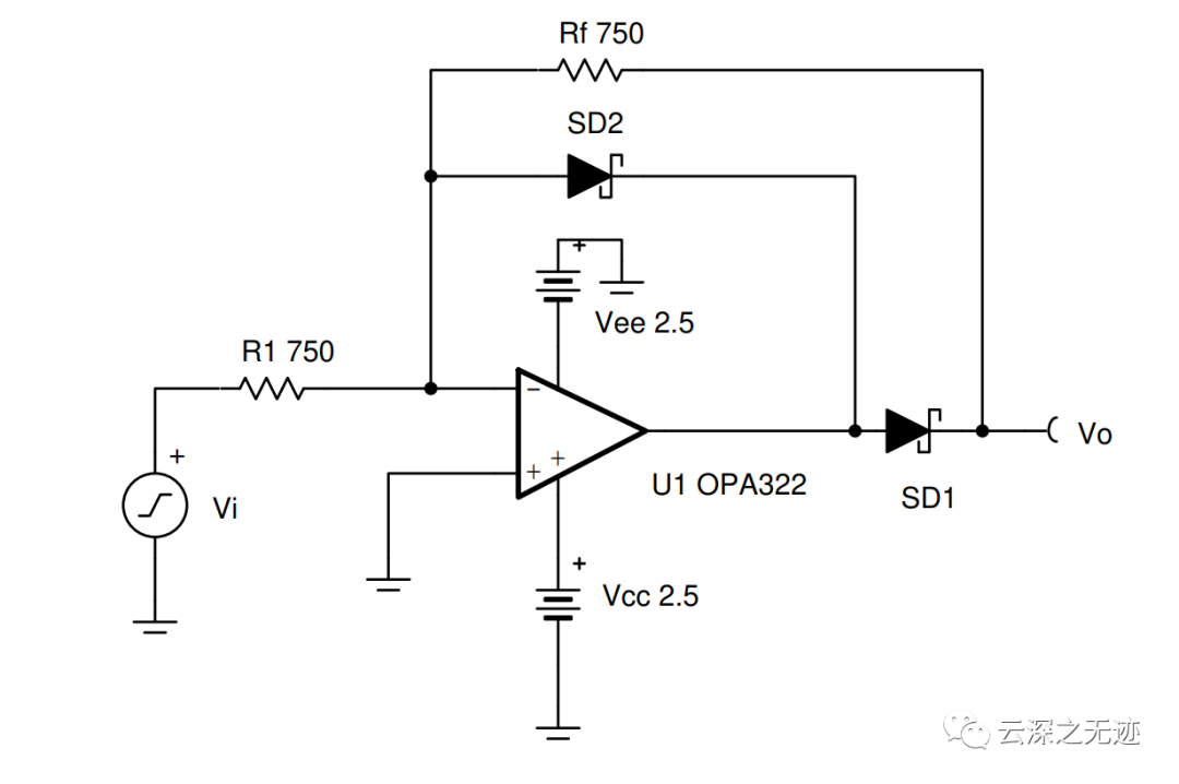
这个精密的整流电路被称为单T型:AC进,DC出
交流小信号首先经过半波整流部分产生一半波信号,该信号再送入后级与输入信号进行叠加反向,输出的波形为全波整流信号。对交流小信号的整流。
单运放型虽然可以实现整流的目的,但是输入/输出特性都很差。需要输入/输出都加跟随器或同相放大器隔离。所以这也是为什么原理图前面有一个跟随器的原因。

精密半波整流器只将时变输入信号(最好是正弦)的负半输入反相并传输到其输出。通过适当选择反馈电阻值,可以获得不同的增益。精密半波整流器通常与其他运放电路(如峰值检测器或带宽限制的非反相放大器)一起使用,以产生直流输出电压。这种配置被设计用于0.2 mVpp和4Vpp之间的正弦输入信号,频率高达50 kHz。


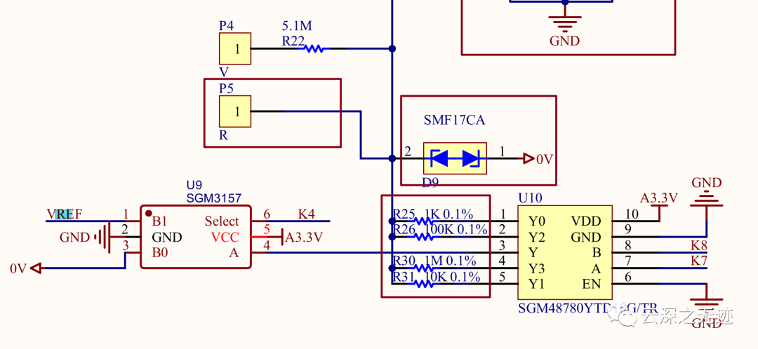
这是一个二选一的开关

主要是控制6脚

控制K3就可以控制是AC测量

就是这样

另外还有一个开关是这里,2.5V的参考是0V的参考,K4是测量电阻的

这个开关的方式是上下的

可以看到是选择了不同的电阻

当电阻进来会和参考的电阻分压,这个

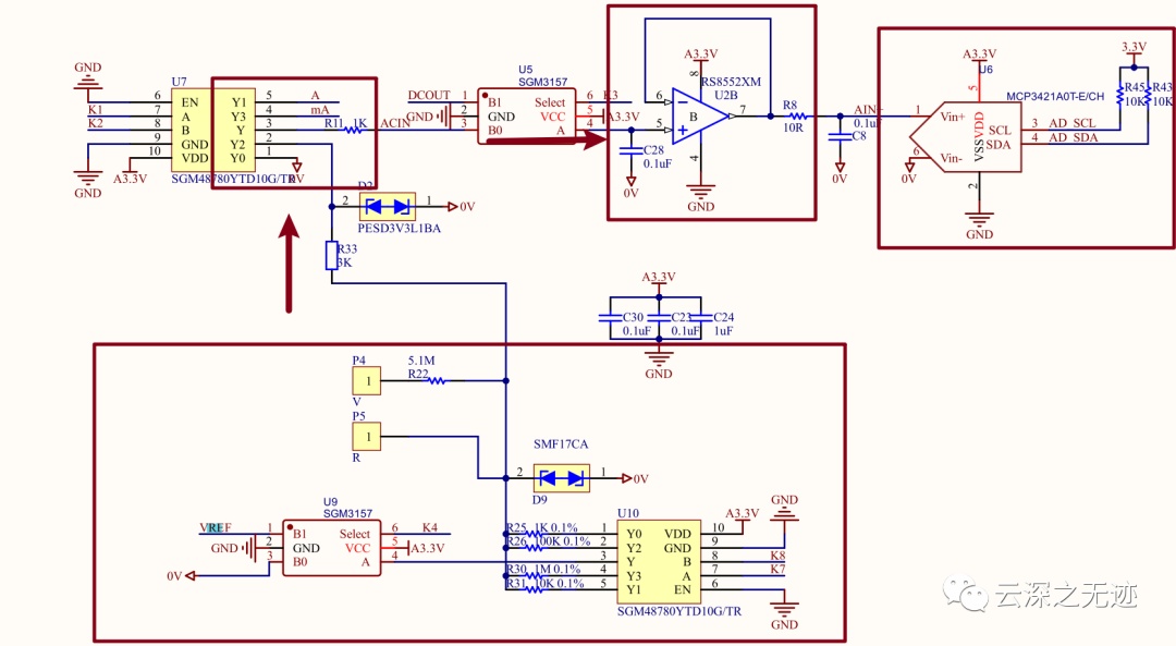
接着这个信号是从上面走的,上面的开关芯片和下面左右翻转了一下,接着是俩通开关,进入一个buffer保平安。

接着是旁路电容,进入ADC

并联一个适当的电阻(叫分流电阻)进行分流,就可以扩展电流量程。改变分流电阻的阻值,就能改变电流测量范围。

念的书少,为啥给个0V的电压,哦哦,知道了
下面是个整流桥

它是接到了这里,直接送入buffer和ADC了

给老子叫!!!

这个一算也是是个2.1V干啥用的 ?给ADC了


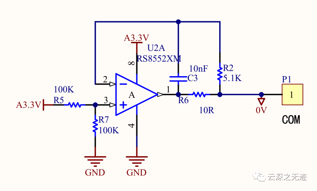
单电源工作的运放需要外部提供一个虚地,通常情况下,这个电压是VCC/2,图二的电路可以用来产生VCC/2的电压,但是他会降低系统的低频特性。R5 和R7 是等值的,但是我找遍各种电路还是算出来就是个缓冲器。

我一会儿仿真一下为啥有个电容

运放是江苏润石的精密运放,除了低失调电压以外,就是CMOS的轨道轨了,上面这个就是设计了一个差分,然后另外一个是参考。
给的应用是双向电流传感:这种单电源,低侧,双向电流传感解决方案检测负载电流从-1A到1A。单端输出范围从110mV到3.19V。本设计使用RS855X,因为它具有低偏置电压和轨对轨输入和输出。

Layout实列
简单的分析电路,下篇文章会在里面总结设计,而后就是喜闻乐见的软件设计了。
编辑:黄飞
上一篇:怎么去计算PCB走线的电阻呢?