全球最实用的IT互联网信息网站!

AI人工智能P2P分享&下载搜索网页发布信息网站地图

当前位置:诺佳网 > 电子/半导体 > 测量仪表 >

变频器在矿井提升机上有何应用

时间:2023-08-10 17:39

人气:

作者:admin

标签: 变频器  异步电机  电阻器 

导读:变频器在矿井提升机上有何应用-本文主要介绍了新科瑞C500变频器在宜章县长策银矿矿井提升机进行上的应用,长策银矿矿井提升机原系统采用绕线式异步电机转子回路串电阻的调速方式...

本文主要介绍了新科瑞C500变频器在宜章县长策银矿矿井提升机进行上的应用,长策银矿矿井提升机原系统采用绕线式异步电机转子回路串电阻的调速方式,采用C500变频器对其进行升级改造,大大降低了系统的故障率、降低了电能、提升了生产效率。

一、引言

矿井提升机是采矿生产过程中的重要设备:人员的升降,材料、设备的输送都需要通过它来完成的。矿井提升机被称为“矿井的咽喉”,是矿井井下作业和地面相联接的枢纽。矿井提升机机作为矿山的一种重要设备,其运行的可靠性、安全性、经济性要求都备受关注。

二、矿井绞车电气传动要求

1. 矿井绞车负载特性

重物上升时,电机需要克服各种阻力(包括重物的重力和摩擦力等),属于阻力负载。 重物下放时,由于重物本身具有按照重力加速度下降的能力(位能),因此,当重物的重力大于传动机构的摩擦阻力时,重物本身的重力(位能)是下降的动力,电机成了能量的接受者,故属于动力负载。

2、矿井绞车电机对驱动器的要求

①启动转矩大,调速特性好;

②过载能力强;

③低频时能输出较大转矩,悬挂时不能溜车;

④下放时,电机有较大再生能量产生,要求能够合理处理电机再生能量。

3、矿井绞车传统控制系统缺点

①能耗大

矿井绞车传统调速方式为绕线式电机转子串电阻调速。这种控制系统大量的转差功率消耗在转子串接的电阻上(一般情况下可占总能耗的30%以上),造成大量电能浪费,从节能和经济两方面来讲,都不可取。

②调速性能差

转子串电阻调速方式属于有级调速,其转速的下降是通过转子外接电阻消耗能量来实现的。最重要的是转速越低,电机的机械特性越软,输出转矩越小。且有级调速对电机和机械设备的冲击大,设备运行不平稳,调速不连续,容易掉道,故障率高。对于矿井24小时连续生产模式,经济损失大。

③系统可靠性差

(1)接触器频繁分、合(接触器在大电流情况下频繁分、合),经常造成接触器触点的烧结和线圈烧毁。

(2)保护措施不完善,易发生电动机烧毁的现象。

(3)制动器承受比较大的冲击,闸皮磨损严重,容易出现抱闸抱不紧,经常需检修、更换。

④维护成本高

(1)接触器、绕线式电机转子电刷、滑环经常需要维护、更换,费用较大。

(2)减速机、制动器受冲击大,经常需要维护。

(3)转子串电阻调速方式本身的特点最终导致的生产效率受到限制(经常出故障处于停机、维修状态)、维护工作量大、使用维修成本上升。

4、矿井提升机使用C500变频器的优势

①变频器调速性能好,启动转矩大,机械特性硬、定位准确。

②变频器运行平稳,对减速机、制动器的冲击小,减小设备的维护量,延长提升机的使用寿命。

③使用变频器后,无需再使用接触器,同时绕线式电机也可以更改为鼠笼式电机使用,无需对电刷和滑环进行维护

④变频器运行效率高,对电机和系统具有完善的保护、监测及自诊断功能,如再结合PLC控制,可大幅度提高矿井绞车电控系统的可靠性。

⑤去掉了内串电阻,节约电能。

三、C500变频器在矿井提升机上的应用

1、现场设备概况  

  带式制动矿用提升绞车
项目 参数 备注
绞车型号 JT-1*0.8  
电机型号 YR250S-6 1台
电机额定功率 45kW  
电机额定电压 380V  
电机定子额定电流 88A  
电机额定频率 50Hz  
电机额定转速 966r/min  
抱闸型号 YWZ3-400/90  
电机控制方式:绕线式电机转子串电阻调速

2、根据矿井绞车设备的负载特性和控制要求,变频回馈电控系统主要配置如下:

设备名称 型号 数量 厂家
变频器 C500-075G/090P-4T 1pcs 新科瑞电气
制动单元&电阻 SU-200-4  ;5欧姆/30kw 1pcs 新科瑞电气
系统PLC 西门子S7-200 CPU224/AC/DC/继电器 6ES7 214-1BD23-0XB8 1pcs 西门子

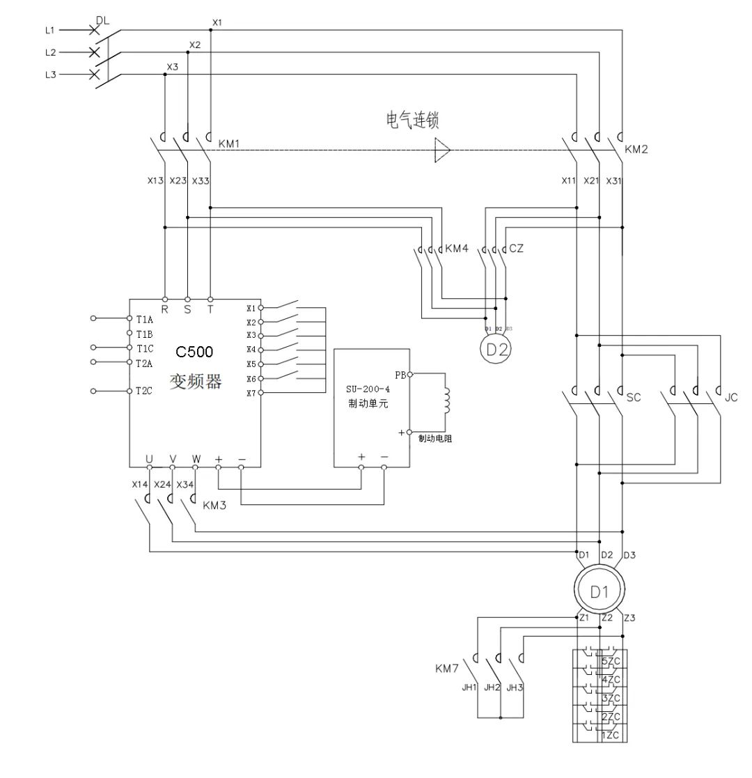
3、矿井绞车变频回馈节能改造系统

矿井绞车系统改造后对矿井绞车提升机构电机进行无级调速,大大提升了提升机构的控制性能,而且减小了对电机和机械部分的巨大冲击。同时,能量回馈将提升电机再生能量回馈到电网,大大节约了电能,降低了现场设备工作的环境温度,延长了电气设备的使用寿命。

节能改造系统共有两个控制柜,由变频器、能量回馈装置、PLC、接触器等部分组成,其具体功能概述如下:

1、系统改造后提升电机的变频控制方式与原有的转子串电阻工频控制方式可以自由切换,两种控制方式切换相互电气联锁,保证系统工作的安全性。

2、 系统改造后保留矿井绞车原有的操作方式和习惯,即保留原有的凸轮控制器的档位控制和操作方式。这样,既不会影响矿井绞车操作员的正常操作,又保证了矿井绞车特种设备检验合格。

3、提升机构的变频系统,具有短路、过电压、过电流、缺相、过载、过温等多种保护功能,最大限度的保护矿井绞车的提升机构。

4、系统采用变频器驱动提升机构电机,当电机拖动位能性负载下放时,电动机将处于再生发电状态,制动电阻消耗发出来的多余电能,确保系统安全运行。 系统原理示意图如下:   

2195b538-3761-11ee-9e74-dac502259ad0.jpg  

4、系统调试

① PLC程序及控制回路调试。

设备安装结束后,控制回路上电,主回路不上电。进行控制回路和PLC程序调试,保证控制回路和PLC逻辑控制正确,各元器件动作正常。

② 变频器调试。

a 将矿井绞车电机与减速机脱开,变频器采用V/F控制方式空载运行,拖动电机,确保电机运行稳定,正常,变频器输出电压、电流正常。

B将矿井绞车电机与减速机脱开,变频器采用无PG矢量控制方式,进行旋转型自学习,获得电机参数。然后采用无PG矢量控制方式空载运行,拖动电机,并调整相应参数保证电机运行稳定,变频器输出电压、电流正常。

c 将绞车电机与减速机连接,变频器采用无PG矢量控制方式,带负载运行变频器,保证电机运行稳定。

d 变频器部分参数设置 

序号 参数 名称 设定值 内容 备注
1 A1-02 选择控制模式 2 无PG矢量控制  
2 b1-01 选择频率指令 1 端子  
3 b1-02 选择运行指令 1 端子  
4 b1-03 选择停止方式 0 减速停止  
5 C6-01 CT/VT选择 0 CT(低载波恒力矩用途,150%1分钟)  
6 d1-02 频率指令2 10HZ    
7 d1-03 频率指令3 23HZ    
8 d1-04 频率指令4 28HZ    
9 d1-05 频率指令5 33HZ    
10 d1-06 频率指令6 38HZ    
11 d1-07 频率指令7 45HZ    
12 E1-01 设定输入电压 380V    
13 E2-01 电机额定电流 88A    
14 E2-02 电机额定滑差 2.75HZ    
15 E2-03 电机空载电流 31.3A    
16 E2-04 电机极数 6    
17 E2-05 电机线间电阻 0.178Ω    
18 E2-06 电机漏电阻 21.0%    
19 E2-07 电机铁芯饱和系数1 0.37    
20 E2-08 电机铁芯饱和系数2 0.63    
21 E2-11 电机额定容量 45KW    
22 H1-01 选择端子S3的功能 3 多段速1  
23 H1-02 选择端子S4的功能 4 多段速2  
24 H1-03 选择端子S5的功能 5 多段速3  
25 H1-04 选择端子S6的功能 14 故障复位  
26 T1-01 选择自学习模式 0 旋转型自学习  
27 T1-02 电机输出功率 45KW    
28 T1-03 电机额定电压 380V    
29 T1-04 电机额定电流 88A    
30 T1-05 电机基频 50HZ    
31 T1-06 电机极数 6    
32 T1-07 电机额定转速 966r/min    

③ 能量回馈装置调试。

进行矿井绞车空载下放和重载下放试验,正确设定能量回馈装置的回馈动作电压值,保证变频器和能量回馈系统正常工作。

④ 系统整体调试运行。

整个系统进行整体测试,保证矿井绞车空载提升和下放、重载提升和下放,各档位速度符合要求,换挡正常,变频器和能量回馈装置运行正常。并进行工、变频切换试验,保证切换正常,工频运行正常。

四、IPC变频回馈电控系统在矿井绞车节能改造上应用的效果与客户评价

系统实际运行证明,IPC变频回馈电控系统在矿井绞车节能改造上的应用,不改变原有矿井绞车的操作方式,且原有的手刹基本可以不再使用,使操作简化。

系统运行稳定、可靠,调速性能优良,启动转矩和低频转矩输出大;提升机构下放时,将电机再生发电状态下多余的电能回馈到电网,大大节约电能。

客户对IPC变频回馈电控系统在矿井绞车节能改造上的使用效果非常满意。 经过实际的计量,IPC变频回馈电控系统相比原来的矿井绞车绕线式电机转子串电阻调速方式,能够节约电能高达28%以上。

五、结束语

C500变频器在矿井绞车节能改造上的应用,提高了矿山行业的提升绞车设备的自动化水平,加快了矿山行业的产业装备升级。对提高矿山行业的产能,保证矿山行业安全生产都起到了非常积极的作用。

更为重要的是,矿井提升绞车设备属于矿山大型设备,其能耗占整个矿山生产总能耗比重大,变频回馈电控系统相比绕线式电机转子串电阻调速系统,能够大大的节约电能,真正的为矿山行业的生产降低成本,产生经济效益。





审核编辑:刘清

温馨提示:以上内容整理于网络,仅供参考,如果对您有帮助,留下您的阅读感言吧!
相关阅读
本类排行
相关标签
本类推荐

CPU | 内存 | 硬盘 | 显卡 | 显示器 | 主板 | 电源 | 键鼠 | 网站地图

Copyright © 2025-2035 诺佳网 版权所有 备案号:赣ICP备2025066733号
本站资料均来源互联网收集整理,作品版权归作者所有,如果侵犯了您的版权,请跟我们联系。

关注微信