时间:2023-07-25 10:20
人气:
作者:admin
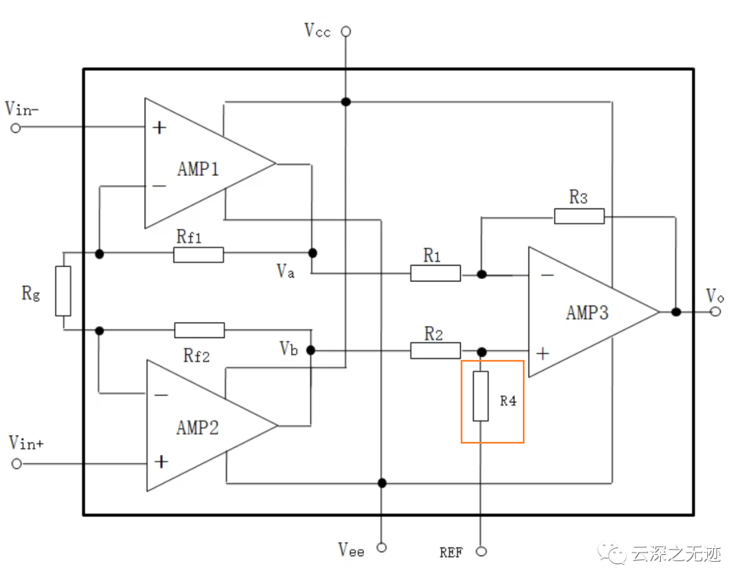
仪表放大器和普通的放大器不一样,有个REF脚,但是文献里面都含糊不清,首先我写这篇文章也是没完全搞懂。

就是这个6引脚
可以确定是这个引脚一定是要连接到一个低阻抗的地方,越低越好,很多时候这个地方是GND。为了获得最佳性能,尤其是在输出信号测量不以REF引脚为参考的情况下,REF引脚应保持较低的源阻抗,因为寄生电阻会对CMRR和增益精度产生不利影响,
仪表放大器的输出以REF引脚上的电压为基准,这在输出信号需要偏移到其局部模拟地以外的电压时会很有用。仪表放大器的基准引脚用来调节输出信号的参考电压。基准引脚REF在电阻R的一端,R通常为KΩ级。
例如,可以将一个电压源与REF引脚相连,对输出进行电平转换。

我看了不少结构图,都是大于10KΩ的

为获得最佳性能,在驱动基准引脚时,不能使用电阻器分压直接驱动,而是在电阻器输出增加放大器做缓冲,再提供到基准引脚。

接一个缓冲器

将仪表放大器连接到ADC需要衰减和电平移位。当差模信号与共模信号在输入范围内,仪表放大器才能正常工作.问题在于两个输入信号没有参考电位,所以建议将AD8221的一个输入端与电路板的地电位连接.
这个也是从一个例子说明ref的一个应用场景。
编辑:黄飞