时间:2023-07-07 10:19
人气:
作者:admin
买的INA·121U居然没了!!!气死我了,一块三十多。
无奈买几个集成的功放用:

直接参数

上面的接口比较丰富,可以方便的接各种东西
为了更好的测量,可以接这个头到示波器

那我的双电源白买了

数据手册里是看见负电源供电的,温度范围也是变化不大的,623和620的数据手册应该是差不多的。

好像不一样

AD623是RTR的
AD623是一款具有轨至轨功能的仪表放大器。它还以 550nA 的极低电流运行,使其适合电池供电的应用。
仪表放大器:仪表放大器是一种差分放大器,其输入引脚连接有缓冲放大器。这消除了阻抗匹配的需要,从而使其实际上适用于测量和测试设备。
轨到轨运算放大器:普通运算放大器的输出引脚将无法提供等于电源电压的电压。这是因为输出级晶体管阻止放大器达到最大正电压或最小负电压。轨到轨运算放大器克服了这个问题,因此输出引脚可以达到正轨电压或负轨电压。

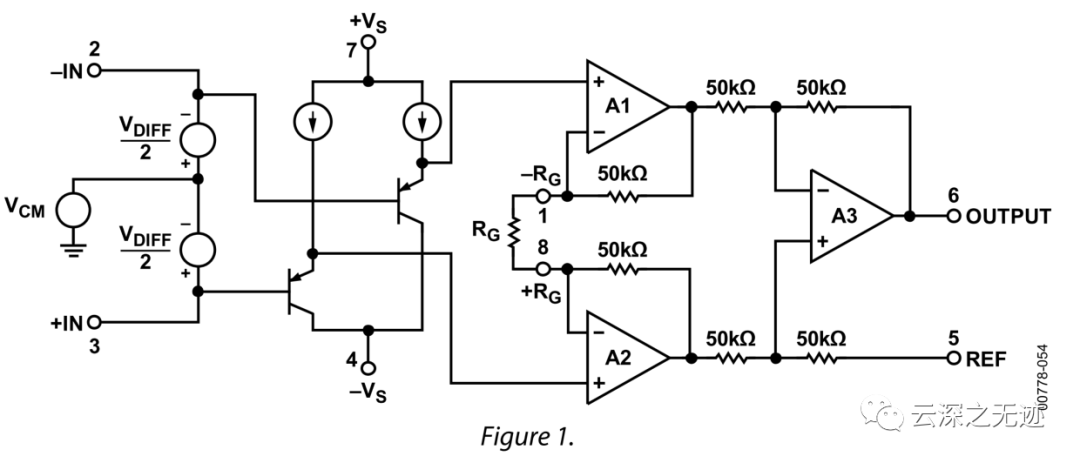
623也是三运放设计

简化设计是这样

一个常用的设计

上面是双轨电源,下面是单轨电源
引脚 7 和引脚 4 供电,这里使用 +5V 单电源,因此引脚 4 接地。
使用双电源电压,引脚 4 将提供负电压。
同相引脚(引脚2)和反相引脚(引脚3)连接根据运放的应用需要放大或比较的信号。
参考引脚(引脚 5)通常与引脚 4 一起接地,当反相引脚和非反相引脚之间的电压差为 0V 时,参考引脚用于将输出引导至某个电压。
只需在引脚 +Rg(引脚 8)和引脚 –Rg(引脚 1)之间连接正确值的电阻器即可设置运算放大器的增益。这里连接了一个 500Ω 的电阻,它将运算放大器的增益值设置为 100。计算 R 增益值的公式如下:

G

差分输出是这个

算不会就看这个表

620是双运放

但还是比分立式的器件性能好一坨

那我必须说说这个输入的区别了:
单端输入和差分输入是功率放大器的两种常见输入方式,它们之间存在以下主要区别:
1. 单端输入只需要一个信号输入端。它将该输入端和一个参考点(如接地)之间的电压作为信号源电压。
2. 差分输入需要两个信号输入端(如+IN,-IN)。它根据两个输入端之间的电压差作为信号源电压。
3. 单端输入的电路较为简单,成本较低。但其输入噪音和公共模噪声的抑制能力较差。
4. 差分输入的电路相对复杂一些,但其主要优点在于:
- 它不需要像单端输入那样确定一个参考点,即两端的电压差是输入的关键。
- 它具有很好的抗公共模噪声和抗干扰性能,可以有效过滤公共噪声信号。适用于需要高分辨率的广播和通信系统。
- 它具有很高的CMRR (公共模式拒斥比),可以抑制高达90dB以上的公共模噪声。
- 输入灵敏度较高,最低可达μV量级。
综上,单端输入的电路结构较简单,适用于一般要求不高的放大应用。而差分输入采用两个端子,具有很高的噪声抗干扰能力,适用于需要高精度和高信噪比的场合。

引脚排布


某种情况下是P2P的

英文的AD623


一般前端是喜欢搞个输出差分的桥上去

这个是数据手册里面给的一个demo

代替OP07的,这个已经停产了

这个一看就是一个追随电路

你看看

在ECG里面的前级也是这样

用一个放大器来做缓冲

注意这个加电阻就变成了同相放大器了

上面是623的,这个是620的

这个说法应该所有的放大器都是适用的

专指仪表放大器


居然为了缓冲放这么多的放大器

这个就像哪里守恒一样,能量的去处,有个好归属


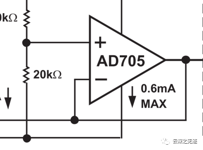
但是AMP有大问题
AD623设计用于驱动10 kΩ或更大的负载。如果负载小于此值,则AD623的输出必须使用精密单电源运放(如OP113)进行缓冲。
该运放可以在其输出上从0 V到4 V摆动,同时驱动小至600 Ω的负载。

后级可以接这样的OP
特点是:
- 输入阻抗非常高,一般在M欧姆级
- 输出阻抗非常高,通常在几百k欧姆或更高
- 误差低,通常在百分之一以下这些特性确保了它具有高精度和Invasion。
但是高输出阻抗也意味着它的带载能力有限。
所以在需要驱动比较大的负载时(比如电压 Follower),需要用普通的放大器来辅助。
具体是这样做:
1. 信号首先输入到仪表放大器。由于其高输入阻抗,不会影响信号。
2. 仪表放大器的输出接到普通放大器的正负输入。
3. 普通放大器具有适中的输出阻抗(一般在几欧姆左右),可以驱动较大的负载,起到缓冲和补偿作用。
4. 最终输出的是普通放大器输出的结果。

你说人家不行?

直接上!
桥电路由5v电源激励。
因此,电桥的满量程输出电压(±10mv)具有2.5 V的共模电平。
AD623去掉共模分量,将输入信号放大100倍(RGAIN = 1.02 kΩ),输出信号为±1v。
为了防止该信号进入AD623的接地轨,REF引脚上的电压必须至少升高到1v。
在本demo里面,来自AD7776 ADC的2 V参考电压使AD623的输出电压偏置到2 V±1 V,对应于ADC的输入范围。

直接OK

好像是因为电源轨宽,所以才这么骚
下班!
编辑:黄飞
上一篇:LabVIEW中集合的相关知识