时间:2023-05-29 14:26
人气:
作者:admin
一种心跳测量设备由电子电路组成,该电路通过夹在指尖上来监测心跳。它通过手指照射光线并测量吸收了多少光来做到这一点。当血液通过手指泵送时,它会上下波动。对于光学心跳检测器的操作,使用红外LED和光电晶体管。LED通过手指发光,并由光电晶体管检测,光电晶体管就像一个可变电阻器,根据接收到的光传导不同数量的电流。
电压变化随心跳而变化,并从光电晶体管的集电极获取。获得的小信号用作电路的输入,获得心跳检测器的行为。
为了获得相关输出,输入信号通过多个电路:
前置放大器:来自心跳测量设置的输出信号通过串联电容去耦,并使用负反馈电阻(R4)进行放大
低通滤波器:切断高频(噪声)的RC滤波器
电压跟随器:缓冲低通滤波器的输出,并以低阻抗输出再现其电压
带低通滤波器的反相放大器:放大电压信号并切断高频(噪声)。
材料
ADALM2000 主动学习模块
无焊试验板
跳线
一个OP484精密轨到轨I/O运算放大器
一个 100 Ω电阻器
一个 470 Ω电阻器
一个1 kΩ电阻
一个10 kΩ电阻
两个47 kΩ电阻
两个 1 μF 电容器
一个47 μF电容
一个红外指示灯 (QED-123)
一个红外晶体管 (QSD-123)
方向
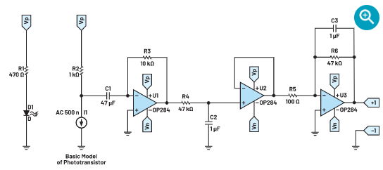
在无焊试验板上,构建心跳测量电路(设计在LTspice®) 如图 1 所示。

图1.心跳测量电路。
LTspice仿真使用OP284,OP484包含在LTspice标准模型集中。实际电路由ADALP2000模拟器件套件中的四通道OP5FPZ构成,由ADALM2000模块的±10 V供电(总电源电压为<> V)。
红外灯
为了获得不会损坏红外LED的适当电流,需要串联增加一个电阻器以限制电流。在工作范围之间改变值将改变红外LED发射信号的强度。以下公式表示正向电流(IF) 通过 LED,基于正电压供电 5 V (VP)、串联电阻 (R1) 和 LED 上的正向压降 (VF):

光电晶体管
为了在光电晶体管(Q1)与红外光接触时从光电晶体管(Q2)获取信息,设计了一个共发射极放大器电路。该电路产生一个输出,当光电晶体管检测到红外范围内的光时,该输出从高状态转换到低状态。输出是通过在电源和元件的集电极引脚之间连接电阻器(R<>)产生的,电阻器的值是通过实验确定的。
前置放大器
来自心跳测量设置的输入信号被馈入微分器放大器电路(C1、A1、R3)。该电容阻断任何直流成分、C1和R3,充当截止频率为F的高通滤波器C1由以下公式确定:

有源低通滤波器
有源滤波器在其电路设计中包含有源元件,如运算放大器。它们从外部电源获取电源,并用它来增强或放大输出信号。有源低通滤波器的工作原理和频率响应与简单的RC低通滤波器相同,唯一的区别是它使用运算放大器进行放大和增益控制。
这种一阶低通有源滤波器(A2、R4、C2)仅由一个无源RC滤波器级组成,为同相运算放大器的输入提供低频路径。
滤波器旨在切断与噪声信号相对应的高频。考虑到心率不超过每分钟 180 次 (bpm) 的值,并且 bpm 和频率之间的依赖关系为:

放大器配置为电压跟随器(缓冲器),直流增益为1,A在= 1。
这种配置的优点是,运算放大器的高输入阻抗可防止滤波器输出端负载过大,而其低输出阻抗可防止滤波器的截止频率点受到负载阻抗变化的影响。虽然这种配置为滤波器提供了良好的稳定性,但其主要缺点是它没有高于1的电压增益,A在= 1。然而,由于滤波器级输出阻抗远低于其输入阻抗,因此功率增益非常高。
带低通滤波器的最终放大器
最后级的配置代表具有直流增益控制的交流运算放大器积分器。简而言之,该电路的目的是低通滤波(R4,C2)来自高于心跳最大频率的剩余不必要频率的信号,并通过反相放大器放大具有增益(A在) 由 R6 和 R5 之间的比率确定:

模拟
考虑到LTspice设计的电路,进行了两种类型的仿真:
瞬态:在电路的输入端连接波形发生源。配置源以产生幅度为500 μV、频率为2 Hz、偏移为500 mV的正弦。观察输出信号幅度,以图形方式确定电路的总增益(图 2)。

图2.输出电压 – 瞬态分析。
交流扫描:在电路的输入端连接交流电源。将源的幅度配置为500 μV。 观察所选频域(100 mHz至1 kHz)中的输出信号,以图形方式确定输出信号在哪个频率范围内具有最大的放大(图3)。

图3.输出电压 – 交流扫描。
硬件设置
使用设置为2000 V的ADALM5模块中的可变正负电源为电路供电。使用示波器通道1监视V集电极节点上的电压外.
在试验板上实现的电路应类似于图4中的电路。蓝色 LED 代表红外 LED,灰色 LED 代表光电晶体管。

图4.面包板心跳测量电路。
程序
将手指顶部放在红外 LED (D1) 和光电晶体管 (Q1) 之间。发射器和接收器应对齐并相互指向。
观察第三级运算放大器(A3)输出端的电压波形。输出波形的示例如图5所示。

图5.心跳输出波形。
在Scopy工具的示波器功能中,激活测量功能以读取所获得信号的频率。要将频率转换为 bpm,请使用实验室方向的公式。
审核编辑:郭婷
下一篇:可调外部触发电路